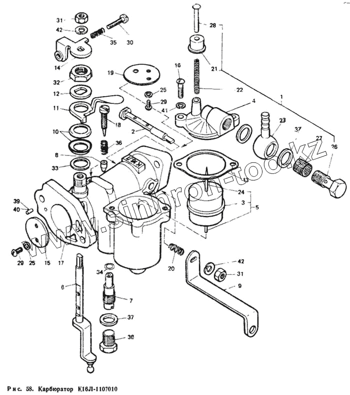
Каталог запасных частей к технике: ЛТЗ Т-40М. Карбюратор К16Л-1107010
1
2
3
4
5
6
7
8
9
10
11
12
13
14
15
16
17
18
19
20
21
22
23
24
25
25
26
27
28
29
29
30
31
31
32
33
34
35
36
37
37
38
39
40
41
42
42
| Позиция на иллюстрации | Заводской номер детали | Название детали | |
|---|---|---|---|
| К16Л-1107010 | К16Л-1107010 | Карбюратор К-16Л | |
| 1 | К16А-1107120 | Крышка поплавковой камеры | |
| 2 | К16А-1107110-А | Ось воздушной заслонки | |
| 3 | К36-1107120 | Корпус поплавка с крышкой | |
| 4 | К16А-1107121 | Крышка поплавковой камеры | |
| 5 | К36-1107125 | Поплавок | |
| 6 | К16Л-1107140 | Ось дроссельной заслонки | |
| 7 | К16-1107012 | Жиклер-распылитель | |
| 8 | К16-1107013-Б | Втулка дросселирующая | |
| 9 | К16Л-1107014-А | Рычаг оси воздушной заслонки | |
| 10 | К16-1107016 | Пружина тарельчатая | |
| 11 | К16-1107017 | Паводок | |
| 12 | К16-1107018 | Шайба контровочная | |
| 13 | К55-1107018-А | Прокладка | |
| 14 | К16-1107019 | Ограничитель хода дроссельной заслонки | |
| 15 | К16-1107021 | Заслонка дроссельная | |
| 16 | К62-1107055 | Винт М5х16 | |
| 17 | К16А-1107101 | Корпус карбюратора | |
| 18 | К16-1107102-Б | Винт холостого хода | |
| 19 | Е16А-1107112 | Заслонка воздушная | |
| 20 | К16Г-1107113 | Пружина оси воздушной заслонки | |
| 21 | К30-1107114-А | Суфлер | |
| 22 | К30-1107115 | Пружина утопителя | |
| 23 | К16А-1107122 | Штуцер топливоприемный | |
| 24 | К36-1107126 | Игла поплавка | |
| 25 | К126П-1107136 | Шайба специальная | |
| 26 | К13-1107207 | Болт штуцера | |
| 27 | К13-1107208 | Сетка-фильтр | |
| 28 | К62-1107616 | Шток уплотнителя | |
| 29 | 220001 | Винт ВМ3-6gх6.48.016 ГОСТ 17473-80 | |
| 30 | 220081 | Винт ВМ5-6gх18.48.016 ГОСТ 17473-80 | |
| 31 | 900812-0 | Гайка М6-6Н.58.016 ГОСТ 5927-70 | |
| 32 | 900834-0 | Гайка М12х1.25-6Н.58.016 СТП 37.306.005-75 | |
| 33 | 901025-0 | Шайба 12х1 СТП 37.306.011-75 | |
| 34 | 901762-0 | Прокладка СГП 37.306.014-75 | |
| 35 | 907103-0 | Пружина СТП 37.306.030-75 | |
| 36 | 907110-0 | Пружина СТП 37.306.030-75 | |
| 37 | 451307 | Прокладка СТП 37.306.015-75 | |
| 38 | 451514 | Пробка М12х1,25-6gх8,5 СТП 37.306.017-71 | |
| 39 | 451601 | Заглушка СТП 37.306.019-71 | |
| 40 | 451611 | Заглушка СТП 37.306.019-71 | |
| 41 | 900902-0 | Шайба 5 65Г 05 ГОСТ 6402-70 | |
| 42 | 900903 | Шайба 6 65Г 05 ГОСТ 6402-70 |
Содержащиеся в справочниках-каталогах запасные части и детали не предлагаются к продаже, а носят исключительно информационный характер