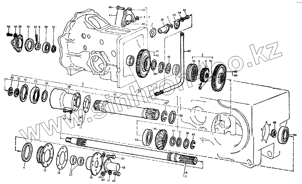
Каталог запасных частей к технике: ЛТЗ-55. Вал отбора мощности независимый и синхронный
Т40М-4205010-04
Т40М-4205010-02
1
2
3
4
5
6
7
7
8
9
10
11
12
13
14
15
16
17
18
19
20
21
21
22
23
24
25
25
26
27
28
29
30
31
32
33
34
35
36
37
38
39
40
41
42
43
44
45
46
47
48
49
49
49
50
51
52
53
53
54
55
56
57
58
58
58
59
60
61
62
| Позиция на иллюстрации | Заводской номер детали | Название детали | |
|---|---|---|---|
| Т40М-4205010-04 | Т40М-4205010-04 | ВОМ независимый и синхронный | |
| Т40М-4205010-02 | Т40М-4205010-02 | ВОМ независимый и синхронный | |
| 1 | Т25-4205020-А | Муфта | |
| 2 | Т25-4205040 | Вал синхронный | |
| 3 | Т25-4205060 | Вилка | |
| 4 | Ц110-1414045 | Кольцо | |
| 5 | Т25-4205011-Б1 | Пружина | |
| 6 | Т25-4205012-Б | Вал отбора мощности | |
| 7 | Т40-4205012-У1 | Вал | |
| 8 | Т25-4205013-Б | Обойма муфты внутренняя | |
| 9 | Т25-4205015 | Гайка прорезная | |
| 10 | Т25-4205016 | Обойма муфты наружная | |
| 11 | Т25-4205017 | Шестерня ведомая z=54, m=3 | |
| 12 | Т50-4205017 | Шестерня ведомая | |
| 13 | Т25-4205019-Б | Кольцо | |
| 14 | Т25-4205025 | Кольцо упорное | |
| 15 | Т25-4205032-А | Гнездо манжеты | |
| 16 | Т25-4205033 | Прокладка | |
| 17 | Т25-4205034 | Стакан подшипника | |
| 18 | Т25-4205036-А | Колпак заднего ВОМ | |
| 19 | Т25-4205037 | Прокладка крышки | |
| 20 | Т25-4205038-А2 | Крышка | |
| 21 | Т25-4205041 | Кольцо регулировочное | |
| 22 | Т25-4205042-Г | Вал синхронный | |
| 23 | Т25-4205043 | Шестерня z=54, m=3 | |
| 24 | Т50-4205043-01 | Шестерня z=40, m=4 | |
| 25 | Т25-4205044 | Кольцо упорное | |
| 26 | Т25-4205046-Д-01 | Шестерня z=17, m=7 | |
| 27 | Т25-4205048 | Кольцо упорное | |
| 28 | Т25-4205049 | Кольцо регулировочное | |
| 29 | Т25-4205052-Б1 | Стакан подшипника | |
| 30 | Т25-4205053 | Прокладка регулировочная | |
| 31 | Т25-4205054 | Прокладка регулировочная | |
| 32 | Т25-4205055 | Прокладка регулировочная | |
| 33 | Т25-4205062-Б | Вилка | |
| 34 | Т25-4205063-Б | Сухарик | |
| 35 | Т25-4205064-А | Кольцо стопорное | |
| 36 | Т25-4205072-Б | Кронштейн управления | |
| 37 | Т25-4205073-Б | Прокладка | |
| 38 | Т25-4205074 | Кольцо уплотнительное | |
| 39 | Т25-4205076 | Шайба | |
| 40 | Т40М1-4205112 | Валик | |
| 41 | 1.6-0-Ч | Проволока L=220 мм | |
| 42 | М6-6gх16.88.019 | Болт | |
| 43 | М10-6gх25.88.019 | Болт | |
| 44 | М10-6gх30.88.019 | Болт | |
| 45 | 3М10-6gх30.019 | Болт | |
| 46 | М10-6gх35.88.019 | Болт | |
| 47 | М12-6gх40.88.019 | Болт | |
| 48 | КУН-40 | Кольцо | |
| 49 | КУН-55 | Кольцо | |
| 50 | КУВ-62 | Кольцо | |
| 51 | КУВт-100 | Кольцо | |
| 52 | 1.1-38х58-1 | Манжета | |
| 53 | 211 | Подшипник | |
| 54 | 308А | Подшипник | |
| 55 | 102206М | Подшипник | |
| 56 | 102305М | Подшипник | |
| 57 | 6Т65Г06 | Шайба | |
| 58 | 100Т65Г06 | Шайба | |
| 59 | 120Т65Г06 | Шайба | |
| 60 | А.6.01.019 | Шайба | |
| 61 | 11,112-40 | Шарик | |
| 62 | 5х45.019 | Шплинт |
Содержащиеся в справочниках-каталогах запасные части и детали не предлагаются к продаже, а носят исключительно информационный характер