Каталог запасных частей к технике: ЛТЗ-55. Устройство навесное
1
2
3
4
5
6
6
7
7
8
9
10
11
12
13
14
15
16
17
18
19
20
21
22
23
24
25
26
27
28
29
30
31
32
33
34
34
35
36
37
37
37
38
39
40
40
41
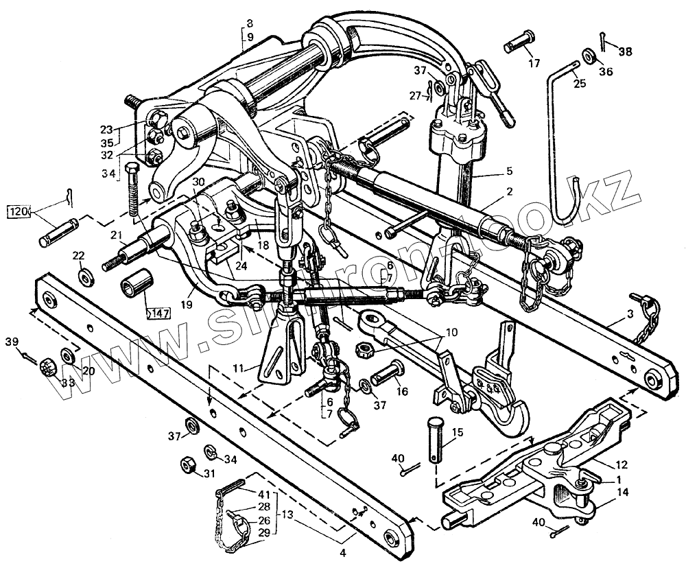
| Позиция на иллюстрации | Заводской номер детали | Название детали | |
|---|---|---|---|
| 1 | Т25-2805130 | Шкворень | |
| 2 | Т25-4628050-УФ1 | Тяга центральная | |
| 3 | Т25-4628110-У | Тяга правая | |
| 4 | Т25-4628120-У | Тяга левая | |
| 5 | Т25-4628130-У1 | Раскос | |
| 6 | Т25-4628220-У1 | Тяга блокировки | |
| 7 | Т25-4628220-У1-01 | Тяга блокировки | |
| 8 | Т40М1-4628550-01 | Кронштейн с рычагами | |
| 9 | Т40М1-4628550-03 | Кронштейн с рычагами | |
| 10 | Т25-4632010-А1-01 | Крюк тяговый | |
| 11 | 15.62С02-Б | Раскос | |
| 12 | 15.62С06-А-01 | Поперечина | |
| 13 | 15.62С15-А2 | Чека | |
| 14 | Т25-2805092-Г | Серьга | |
| 15 | Т25-4628138-У | Палец | |
| 16 | Т25-2805094-Б-01 | Палец | |
| 17 | Т25-4628139-У | Палец | |
| 18 | Т25-4628222-Е | Кронштейн блокировки правый | |
| 19 | Т25-4628223 | Кронштейн блокировки левый | |
| 20 | Т25-4628351 | Шайба | |
| 21 | Т40-4628354-01 | Ось продольных тяг | |
| 22 | Т25-4628356-А-01 | Втулка продольных тяг | |
| 23 | Т25-4628518 | Болт | |
| 24 | Т25-4628539-А1 | Болт упорный | |
| 25 | Т40М1-4628579 | Захват | |
| 26 | А61.05.001 | Кольцо | |
| 27 | А61.07.001 | Шплинт | |
| 28 | 15-62082-Б1 | Чека | |
| 29 | 15-62086-А | Цепочка | |
| 30 | М16-6Н.6.019 | Гайка | |
| 31 | М20-6Н.6.019 | Гайка | |
| 32 | М20х1.5-6Н.6.019 | Гайка | |
| 33 | М20-6Н.6.019 | Гайка | |
| 34 | 200Т65Г06 | Шайба | |
| 35 | 27Л65Г06 | Шайба | |
| 36 | А.8.01.20.019 | Шайба | |
| 37 | А.18.02.20.019 | Шайба | |
| 38 | 3,2х18.019 | Шплинт | |
| 39 | 4х40.019 | Шплинт | |
| 40 | 5х45.019 | Шплинт | |
| 41 | 6,3х40.019 | Шплинт |
Содержащиеся в справочниках-каталогах запасные части и детали не предлагаются к продаже, а носят исключительно информационный характер