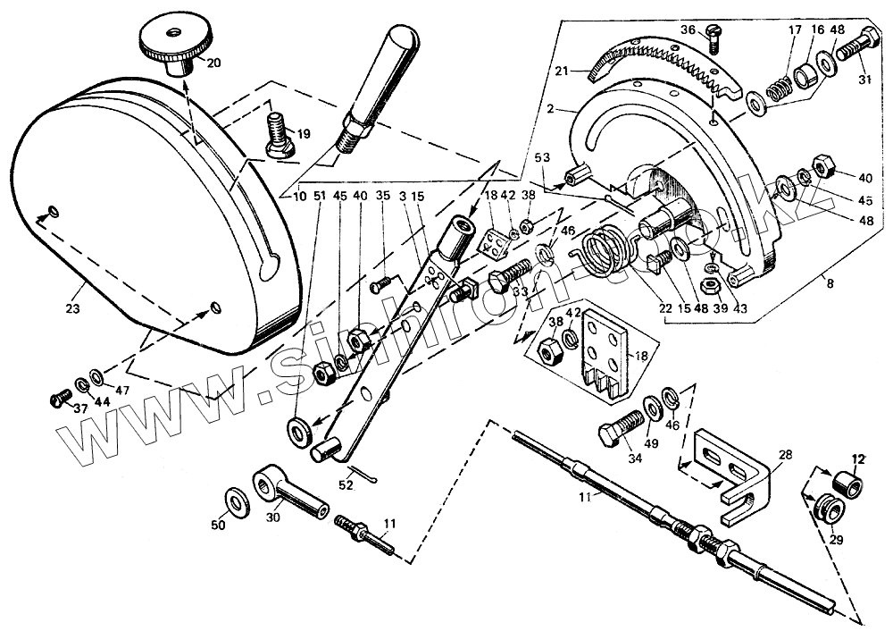
Каталог запасных частей к технике: ЛТЗ-55. Управление регулятором
Т40S1-4631010-В
2
3
8
10
11
11
12
15
15
16
17
18
18
19
20
21
22
23
28
29
30
31
33
34
35
36
37
38
38
39
40
40
42
42
43
44
45
45
46
46
47
48
48
48
49
50
51
52
53
| Позиция на иллюстрации | Заводской номер детали | Название детали | |
|---|---|---|---|
| Т40S1-4631010-В | Т40S1-4631010-В | Управление регулятором | |
| 2 | Т40S1-4631070 | Сектор | |
| 3 | Т40S1-4631080 | Рукоятка | |
| 8 | Т40S1-4631250 | Сектор | |
| 10 | А40С38А | Рукоятка | |
| 11 | Трос L=1350 мм | Трос L=1350 мм | |
| 12 | Т40П-3703502 | Виброизолятор | |
| 15 | Т40S-4631061 | Упор-болт | |
| 16 | Т40S-4631062 | Втулка | |
| 17 | Т40S-4631063 | Пружина | |
| 18 | Т40S-4631064 | Пластина | |
| 19 | Т40S1-4631065 | Винт | |
| 20 | Т40S-4631066 | Маховичок | |
| 21 | Т40S-4631067 | Сектор | |
| 22 | Т40S-4631068 | Пружина | |
| 23 | Т40S1-4631078 | Кожух | |
| 28 | Т40S1-4631221 | Кронштейн троса | |
| 29 | Т40S1-4631225 | Уплотнитель | |
| 30 | Т40S1-4631226 | Наконечник | |
| 31 | М8-6gх35.88.019 | Болт | |
| 33 | М10-6gх30.88.019 | Болт | |
| 34 | М10-6gх35.88.019 | Болт | |
| 35 | В.М4-6gх12.58.019 | Винт | |
| 36 | В.М5-6gх16.58,019 | Винт | |
| 37 | В.М6-6gх12.58.019 | Винт | |
| 38 | М4-6Н.6.019 | Гайка | |
| 39 | М5-6Н.6.019 | Гайка | |
| 40 | М8-6Н.6.019 | Гайка | |
| 42 | 465Г06 | Шайба | |
| 43 | 5Т65Г06 | Шайба | |
| 44 | 6Т65Г06 | Шайба | |
| 45 | 8Т65Г06 | Шайба | |
| 46 | 100Т65Г06 | Шайба | |
| 47 | А.6.01.019 | Шайба | |
| 48 | А.8.01.019 | Шайба | |
| 49 | А.10.01.019 | Шайба | |
| 50 | А.10.04.019 | Шайба | |
| 51 | А.14.02.019 | Шайба | |
| 52 | 3,2х18.019 | Шплинт | |
| 53 | 3,2х32.019 | Шплинт |
Содержащиеся в справочниках-каталогах запасные части и детали не предлагаются к продаже, а носят исключительно информационный характер