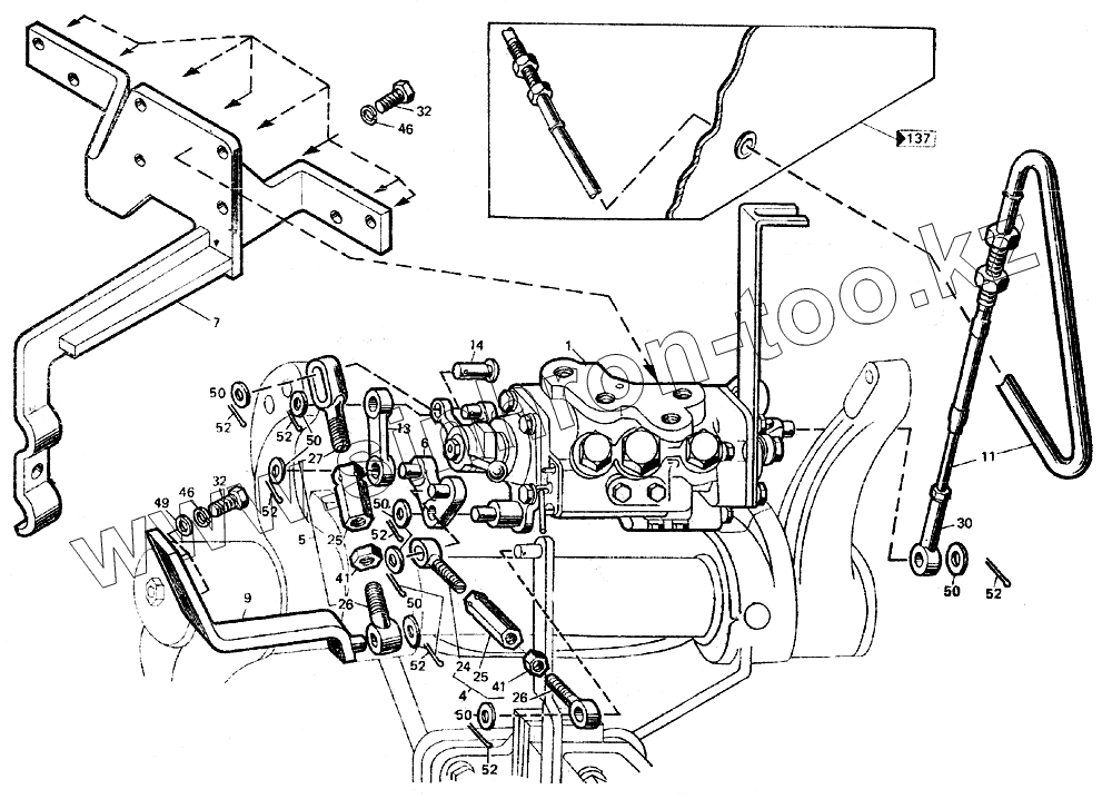
Каталог запасных частей к технике: ЛТЗ-55. Управление регулятором
Т40S1-4631010-В
1
4
5
6
9
11
13
14
24
25
25
26
26
27
30
32
32
41
41
46
46
49
50
50
50
50
50
50
52
52
52
52
52
52
52
| Позиция на иллюстрации | Заводской номер детали | Название детали | |
|---|---|---|---|
| Т40S1-4631010-В | Т40S1-4631010-В | Управление регулятором | |
| 1 | Т40S1-4631020-Б | Регулятор управления | |
| 4 | Т40S-4631090 | Тяга | |
| 5 | Т40S1-4631100 | Тяга позиционная | |
| 6 | Т40S-4631200-Б | Рычаг | |
| 9 | Т40S1-4631260 | Поводок позиционный | |
| 11 | Трос L=1350 мм | Трос L=1350 мм | |
| 13 | Т40S-4631014 | Серьга | |
| 14 | Т40S-4631015 | Палец | |
| 24 | Т40S-4631091 | Винт левый | |
| 25 | Т40S-4631092 | Муфта | |
| 26 | Т40S-4631093 | Винт правый | |
| 27 | Т40S1-4631101 | Винт | |
| 30 | Т40S1-4631226 | Наконечник | |
| 32 | М10-6gх25.88.019 | Болт | |
| 41 | М10-6Н.04.019 | Гайка | |
| 46 | 100Т65Г06 | Шайба | |
| 49 | А.10.01.019 | Шайба | |
| 50 | А.10.04.019 | Шайба | |
| 52 | 3,2х18.019 | Шплинт |
Содержащиеся в справочниках-каталогах запасные части и детали не предлагаются к продаже, а носят исключительно информационный характер