Каталог запасных частей к технике: ЛТЗ-55. Управление подачей топлива
1
2
3
4
5
6
7
8
9
10
11
12
13
14
15
16
17
18
18
19
20
21
22
23
24
24
24
25
26
27
27
27
28
28
29
30
31
31
31
31
31
31
31
32
32
33
34
34
34
34
34
35
36
36
36
36
36
36
36
37
38
38
38
38
38
38
38
38
38
39
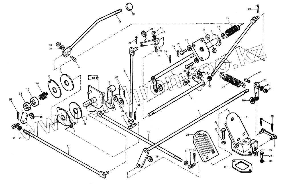
| Позиция на иллюстрации | Заводской номер детали | Название детали | |
|---|---|---|---|
| 1 | Т40М1-1108030-Б | Педаль | |
| 2 | Т40М1-1108080 | Рычаг | |
| 3 | Т40М1-1108090 | Валик | |
| 4 | Т40М1-1108100-Б | Валик | |
| 5 | Т40М1-1108110 | Валик | |
| 6 | Т40М1-1108130 | Крышка | |
| 7 | Т40М1-1108140 | Тяга | |
| 8 | Т40М1-1108170 | Тяга | |
| 9 | Т40М1-1108180 | Тяга педали | |
| 10 | Т40М1-1108220 | Рукоятка | |
| 11 | Т40М1-1108230-01 | Тяга | |
| 12 | Т40М1-1108250 | Тяга | |
| 13 | Т40М-1024037 | Пружина | |
| 14 | Т40М-1108011-01 | Пружина | |
| 15 | Т40М1-1108011-01 | Прокладка | |
| 16 | Т40М1-1108012 | Шайба | |
| 17 | Т40-1108012-01 | Колпачок | |
| 18 | Т40-1108014 | Диск тормозной | |
| 19 | Т40М1-1108014 | Рычаг | |
| 20 | Т40М1-1108016 | Рычаг | |
| 21 | Д30-1108063-Б | Палец резьбовой | |
| 22 | Д42-1108076-А-01 | Пружина | |
| 23 | Д30-1108086 | Рычаг валика | |
| 24 | Д42-1108154-А | Винт стопорный | |
| 25 | Д42-1108160-01 | Наконечник | |
| 26 | А13.36.001 | Чехол | |
| 27 | А20261-Б | Палец регулировочный | |
| 28 | М6-6gх16.88.019 | Болт | |
| 29 | М6-6gх25.88.019 | Болт | |
| 30 | М6-6gх35.88.019 | Болт | |
| 31 | М6-6Н.6.019 | Гайка | |
| 32 | М8-6Н.6.019 | Гайка | |
| 33 | М12-6Н.6.019 | Гайка | |
| 34 | 6Т65Г06 | Шайба | |
| 35 | А.6.01.10.019 | Шайба | |
| 36 | А.8.01.10.019 | Шайба | |
| 37 | А.12.01.10.019 | Шайба | |
| 38 | 2х20.019 | Шплинт | |
| 39 | 3,2х18.019 | Шплинт |
Содержащиеся в справочниках-каталогах запасные части и детали не предлагаются к продаже, а носят исключительно информационный характер