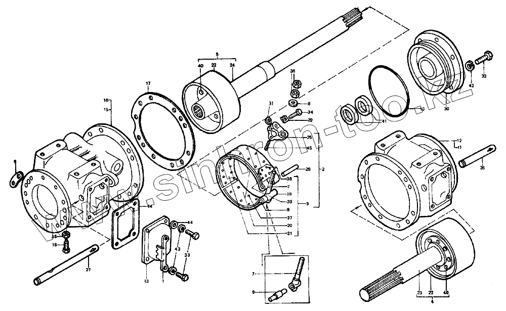
Каталог запасных частей к технике: ЛТЗ-55. Тормоза ленточные
Т40М1-3502010-04
Т40М1-3502010-01
Т40М1-3502020-04
Т40М1-3502020-01
1
2
3
4
5
6
7
7
8
9
9
10
11
12
13
14
15
16
17
18
18
19
20
21
22
22
23
24
25
26
27
28
29
30
31
32
33
34
35
36
37
38
39
40
40
41
41
42
43
44
45
| Позиция на иллюстрации | Заводской номер детали | Название детали | |
|---|---|---|---|
| Т40М1-3502010-04 | Т40М1-3502010-04 | Тормоз правый | |
| Т40М1-3502010-01 | Т40М1-3502010-01 | Тормоз правый | |
| Т40М1-3502020-04 | Т40М1-3502020-04 | Тормоз левый | |
| Т40М1-3502020-01 | Т40М1-3502020-01 | Тормоз левый | |
| 1 | Т25-3502030-Б | Устройство фиксирующее | |
| 2 | Т40М-3502060-01 | Лента с рычагом | |
| 3 | Т25-3502070-Б5-01 | Лента тормозная | |
| 4 | Т25-3502080 | Барабан правый | |
| 5 | Т25-3502090 | Барабан левый | |
| 6 | Т25-3502017 | Пластина | |
| 7 | Т25-3502018-Г | Тяга ленты | |
| 8 | Т25-3502019 | Шайба сферическая | |
| 9 | Т25-3502021 | Палец тяги | |
| 10 | Т25-3502027 | Кольцо уплотнительное | |
| 11 | Т25-3502052-Е | Рукав правый | |
| 12 | Т25-3502052-Е-01 | Рукав правый | |
| 13 | Т25-3502055-Г | Крышка рукавов | |
| 14 | Т25-3502056 | Прокладка | |
| 15 | Т25-3502062-Ж | Рукав левый | |
| 16 | Т25-3502062-Ж-01 | Рукав левый | |
| 17 | Т25-3502063-А2 | Прокладка | |
| 18 | Т25-3502065 | Винт | |
| 19 | Т25-3502072-Д-01 | Лента тормозная | |
| 20 | Т25-3502076-Б | Накладка тормозной ленты крайняя | |
| 21 | Т25-3502077 | Накладка тормозной ленты средняя | |
| 22 | Т25-3502082-Д3 | Барабан тормоза | |
| 23 | Т25-3502084-В | Вал правый | |
| 24 | Т25-3502095-В | Вал левый | |
| 25 | Т25-3502112-Б1 | Рычаг тормозной ленты | |
| 26 | Т25-3502114-В-01 | Ось правая | |
| 27 | Т25-3502115-Е-01 | Ось левая | |
| 28 | Т25-3502116 | Палец ленты | |
| 29 | Т25-3502117 | Шайба замковая | |
| 30 | Т25-3502122-В | Крышка | |
| 31 | Т25-3504019 | Шайба | |
| 32 | М8-6gх20.88.019 | Болт | |
| 33 | М10-6gх25.88.019 | Болт | |
| 34 | М12-6gх35.88.019 | Болт | |
| 35 | М10-6Н.6.019 | Гайка | |
| 36 | М12-6Н.6.019 | Гайка | |
| 37 | 2.4х8.32 | Заклепка | |
| 38 | 2.4х10.32 | Заклепка | |
| 39 | 4х8.01.10.019 | Заклепка | |
| 40 | 10х40.01.10.019 | Заклепка | |
| 41 | 1.1-45х65-1 | Манжета | |
| 41 | 1.2-45х65-1 | Манжета | |
| 42 | 8Т65Г06 | Шайба | |
| 43 | 100Т65Г06 | Шайба | |
| 44 | А.10.01.019 | Шайба | |
| 45 | 3.2х32.019 | Шплинт |
Содержащиеся в справочниках-каталогах запасные части и детали не предлагаются к продаже, а носят исключительно информационный характер