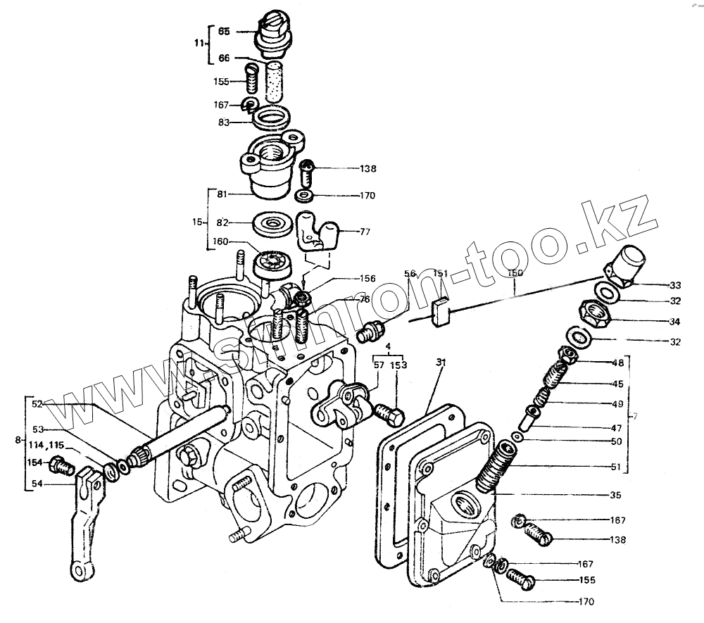
Каталог запасных частей к технике: ЛТЗ-55. Насос топливный
54.1111004-92Т
54.1111004-82Т
4
7
8
11
15
31
32
32
33
34
35
45
47
48
49
50
51
52
53
54
56
57
65
66
76
77
81
82
83
114
115
138
138
150
151
153
154
155
155
156
160
167
167
167
170
170
| Позиция на иллюстрации | Заводской номер детали | Название детали | |
|---|---|---|---|
| 54.1111004-92Т | 54.1111004-92Т | Насос топливный | |
| 54.1111004-82Т | 54.1111004-82Т | Насос топливный | |
| 4 | 21.1110100-01 | Привод управления | |
| 7 | 21.1110170-01 | Корректор | |
| 8 | 21.1110180-01 | Рычаг управления | |
| 11 | 21.1110270 | Сапун | |
| 15 | 21.1110510-11 | Крышка верхняя регулятора | |
| 31 | 21.1110016 | Прокладка | |
| 32 | 21.1110021 | Прокладка | |
| 33 | 21.1110022 | Колпачок корректора | |
| 34 | 21.1110023 | Контргайка корректора | |
| 35 | 21.1110024 | Крышка регулятора | |
| 45 | 21.1110172 | Винт регулировочный корректора | |
| 47 | 21.1110174 | Шток корректора | |
| 48 | 21.1110175 | Контргайка регулировочного винта | |
| 49 | 21.1110176 | Пружина корректора | |
| 50 | 21.1110177 | Прокладка регулировочная | |
| 51 | 21.1110178 | Корпус корректора | |
| 52 | 21.1110181 | Ось рычага управления | |
| 53 | 21.1110183 | Кольцо уплотнительное | |
| 54 | 21.1110184 | Рычаг управления | |
| 56 | 21.1110188 | Пробка | |
| 57 | 21.1110192 | Втулка рычажная | |
| 65 | 21.1110271 | Корпус сапуна | |
| 66 | 21.1110272 | Набивка сапуна | |
| 76 | 21.1110361 | Винт регулировочный | |
| 77 | 21.1110363 | Колпачок | |
| 81 | 21.1110504-11 | Крышка верхняя регулятора | |
| 82 | 21.1110512 | Лимб | |
| 83 | 21.1110513 | Прокладка | |
| 114 | 21.1111211-01 | Прокладка | |
| 115 | 21.1111211-02 | Прокладка | |
| 138 | 21.1111349 | Винт | |
| 150 | КС0,8 | Проволока L=700 мм | |
| 151 | 1-6х8АД1М-10 | Пломба 1-6х8 АД1М | |
| 153 | М6-8gх12.88.019 | Болт | |
| 154 | М6-8gх14.88.019 | Болт | |
| 155 | А.М6-8gх18.88.019 | Винт | |
| 156 | М6-6Н.8.019 | Гайка | |
| 160 | 6-29 | Подшипник | |
| 167 | 665Г05 | Шайба | |
| 170 | 6.04.019 | Шайба |
Содержащиеся в справочниках-каталогах запасные части и детали не предлагаются к продаже, а носят исключительно информационный характер