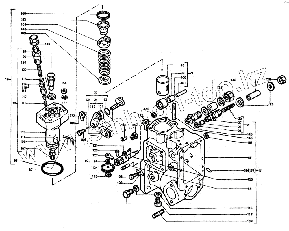
Каталог запасных частей к технике: ЛТЗ-55. Насос топливный
54.1111004-92Т
54.1111004-82Т
2
16
17
18
21
22
23
24
27
28
29
30
38
64
74
86
87
88
89
90
98
99
100
101
102
103
104
105
106
107
108
109
110
111
112
113
114
115
115
116
117
118
119
120
121
122
123
124
125
126
127
128
129
129
130
131
132
133
134
135
139
140
141
142
143
148
149
154
156
157
167
172
173
174
| Позиция на иллюстрации | Заводской номер детали | Название детали | |
|---|---|---|---|
| 54.1111004-92Т | 54.1111004-92Т | Насос топливный | |
| 54.1111004-82Т | 54.1111004-82Т | Насос топливный | |
| 2 | 21.1106420 | Демпфер | |
| 16 | 21.1111010-10 | Секция высокого давления | |
| 17 | 54.1111020-11 | Корпус насоса | |
| 18 | 21.1111030-10 | Пара плунжерная со штуцерами | |
| 21 | 21.1111110-05 | Толкатель плунжера | |
| 22 | 21.1111240-05А | Кронштейн промежуточной шестерни | |
| 23 | 21.1111280-07 | Втулка привода дозатора | |
| 24 | 21.1111310-06 | Втулка | |
| 27 | 21.1106424 | Корпус демпфера | |
| 28 | 21.1106425 | Поршень | |
| 29 | 21.1106426 | Кольцо стопорное | |
| 30 | 21.1106427 | Пружина демпфера | |
| 38 | 21.1110042 | Штифт | |
| 64 | 21.1110213 | Штифт пружины запуска | |
| 74 | 21.1110328 | Шайба груза | |
| 86 | 54.1111025-10 | Корпус насоса | |
| 87 | 21.1111032 | Кольцо уплотнительное | |
| 88 | 21.1111035 | Чека монтажная | |
| 89 | 21.1111036-10 | Пробка | |
| 90 | 21.1111037-10 | Прокладка | |
| 98 | 21.1111114-06 | Толкатель плунжера | |
| 99 | 21.1111118 | Ролик толкателя | |
| 100 | 21.1111118-01 | Ролик толкателя | |
| 101 | 21.1111124 | Ось ролика толкателя | |
| 102 | 21.1111126-06 | Шайба стопорная | |
| 103 | 21.1111127-07 | Винт установочный | |
| 104 | 21.1111134-10 | Тарелка пружины верхняя | |
| 105 | 21.1111136 | Тарелка пружины нижняя | |
| 106 | 21.1111138-10 | Пружина толкателя | |
| 107 | 21.1111154 | Плунжер | |
| 108 | 21.1111155-01 | Дозатор | |
| 109 | 21.1111156 | Кольцо уплотнительное | |
| 110 | 21.1111158-10 | Втулка плунжера | |
| 111 | 21.1113159 | Заглушка втулки плунжера | |
| 112 | 21.1111174-10 | Втулка зубчатая | |
| 113 | 21.1111207-01 | Пробка уровня масла | |
| 114 | 21.1111211-01 | Прокладка | |
| 115 | 21.1111211-02 | Прокладка | |
| 116 | 21.1111224-01 | Клапан нагнетательный | |
| 117 | 21.1111225-05 | Клапан обратный | |
| 118 | 21.1111226-10 | Седло нагнетательного клапана | |
| 119 | 21.1111227 | Пружина обратного клапана | |
| 120 | 21.1111228 | Пружина нагнетательного клапана | |
| 121 | 21.1111241-05 | Кронштейн промежуточной шестерни | |
| 122 | 21.1111242-06 | Ось промежуточной шестерни | |
| 123 | 21.1111243-05А | Шайба опорная | |
| 124 | 21.1111244-А | Шестерня промежуточная z=29 | |
| 125 | 21.1111245 | Штифт | |
| 126 | 21.1111246 | Шпилька штуцера подвода топлива | |
| 127 | 21.1111247 | Шайба стопорная | |
| 128 | 21.1111248 | Гайка штуцера подвода топлива | |
| 129 | 21.1111249-01 | Прокладка | |
| 130 | 21.1111256-10 | Штуцер высокого давления | |
| 131 | 21.1111281-10 | Поводок привода дозатора | |
| 132 | 21.1111282 | Кольцо уплотнительное | |
| 133 | 21.1111283 | Втулка привода дозатора | |
| 134 | 21.1111284-05 | Рычаг вильчатый поводка дозатора | |
| 135 | 21.1111285 | Шайба стопорная | |
| 139 | 21.1111355 | Шпилька | |
| 140 | 21.1111356 | Шпилька | |
| 141 | 21.1111359 | Фиксатор | |
| 142 | 21.1111361 | Гайка штуцера | |
| 143 | 21.1111378 | Заглушка транспортная | |
| 148 | 21.1111389 | Гайка М8-7Н | |
| 149 | 11.1112228 | Колпачок штуцера | |
| 154 | М6-8gх14.88.019 | Болт | |
| 156 | М6-6Н.8.019 | Гайка | |
| 157 | 14-10кп.Ц6хр | Заглушка | |
| 167 | 665Г05 | Шайба | |
| 172 | 6.01.05 | Шайба | |
| 173 | А.8.01.019 | Шайба | |
| 174 | 5h8х10 | Штифт |
Содержащиеся в справочниках-каталогах запасные части и детали не предлагаются к продаже, а носят исключительно информационный характер