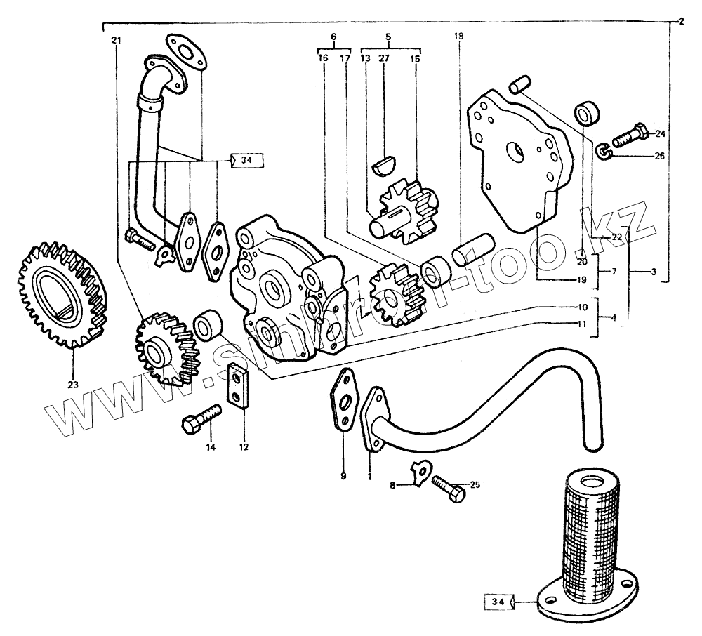
Каталог запасных частей к технике: ЛТЗ-55. Насос масляный с трубой приемника
Д144-1400050
1
2
3
4
5
6
7
8
9
10
11
12
13
14
15
16
17
18
19
20
21
22
23
24
25
26
27
| Позиция на иллюстрации | Заводской номер детали | Название детали | |
|---|---|---|---|
| Д144-1400050 | Д144-1400050 | Насос масляный с трубой приемника | |
| 1 | Д37М-1402050-Г | Трубка приемника | |
| 2 | Д144-1403010 | Насос масляный | |
| 3 | Д37М-1403011-А1 | Корпус с крышкой | |
| 4 | Д37М-1403020-В2 | Корпус со втулкой | |
| 5 | Д37М-1403050-Б | Валик | |
| 6 | Д37М-1403110 | Шестерня ведомая (z=11) | |
| 7 | Д37М-1403150 | Крышка со втулкой | |
| 8 | Д37М-1002176 | Шайба стопорная | |
| 9 | Д37М-1402183-Б | Прокладка фланца | |
| 10 | Д37М-1403025-Г | Корпус | |
| 11 | Д30-1403028-Б | Втулка корпуса | |
| 12 | Д37М-1403032 | Пластина стопорная | |
| 13 | Д30-1403052-В2 | Валик | |
| 14 | Д37М-1403056 | Болт специальный | |
| 15 | Д37М-1403075 | Шестерня ведущая (z=11) | |
| 16 | Д37М-1403115 | Шестерня ведомая (z=11) | |
| 17 | Д37М-1403118 | Втулка ведомой шестерни | |
| 18 | Д37М-1403125 | Ось ведомой шестерни | |
| 19 | Д37М-1403155-А | Крышка | |
| 20 | Д37М-1403156 | Втулка крышки | |
| 21 | Д144-1403228 | Шестерня ведомая (z=18) | |
| 22 | Д144-1403268 | Штифт установочный | |
| 23 | Д144-1403312 | Шестерня ведущая (z=29) | |
| 24 | М6-6gх20.88.019 | Болт | |
| 25 | 4М8-6gх16.88.019 | Болт | |
| 26 | 6Т65Г06 | Шайба | |
| 27 | 3х5 | Шпонка |
Содержащиеся в справочниках-каталогах запасные части и детали не предлагаются к продаже, а носят исключительно информационный характер