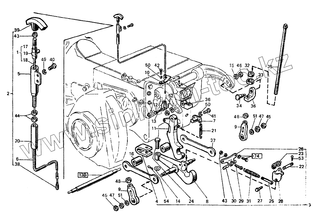
Каталог запасных частей к технике: ЛТЗ-55. Крюк тяговый Т40М1-4632010
Т40М1-4632010
1
2
3
4
5
6
7
8
9
9
10
11
12
13
14
15
16
17
18
19
20
21
22
23
24
25
26
27
28
29
30
31
32
33
34
35
36
36
37
38
39
40
41
42
43
43
44
45
45
46
47
47
48
48
49
50
50
51
51
52
53
54
| Позиция на иллюстрации | Заводской номер детали | Название детали | |
|---|---|---|---|
| Т40М1-4632010 | Т40М1-4632010 | Крюк тяговый | |
| 1 | Т40-4628670-02 | Тяга с троссом | |
| 2 | Т40-4628680-02 | Управление упором | |
| 3 | Т40-4632030-У2 | Крюк с защелкой | |
| 4 | Т25-4628355-А | Обойма | |
| 5 | Т40-4628660 | Держатель | |
| 6 | Т40-4628690-02 | Оболочка | |
| 7 | Т40М1-4632040 | Кронштейн | |
| 8 | Т25-4632050-У | Крюк со стержнем | |
| 9 | Т25-4632080-У | Серьга | |
| 10 | Т40М1-4632110 | Кронштейн | |
| 11 | Т40М1-4632120 | Захват с кронштейном | |
| 12 | Т25-1602136-А | Вилка тяги | |
| 13 | Т25-1602138 | Палец | |
| 14 | Т25-3504049 | Шайба черная | |
| 15 | Т25-4628351 | Шайба | |
| 16 | Т25-4628357 | Втулка | |
| 17 | Т40-4628671 | Тяга | |
| 18 | Т40-4628672-02 | Трос | |
| 19 | Т40-4628673 | Штифт | |
| 20 | Т40-4628683 | Втулка | |
| 21 | Т40-4628711 | Пружина | |
| 22 | Т25-4632013-У | Палец | |
| 23 | Т25-4632014-У | Пружина | |
| 24 | Т40-4632015 | Ось | |
| 25 | Т25-4632019-У | Планка скобы | |
| 26 | Т25-4632022-У | Кронштейн | |
| 27 | Т25-4632031-У | Болт | |
| 28 | Т25-4632033-У2 | Скоба | |
| 29 | Т25-4632035-У | Винт | |
| 30 | Т25-4632036-У | Ось | |
| 31 | Т25-4632037-У | Пружина скобы | |
| 32 | Т25-4632038-У | Шайба сферическая | |
| 33 | Т25-4632039-У | Пята | |
| 34 | Т25-4632041-У1 | Ось | |
| 35 | Т25-4632042-У1 | Винт тяги | |
| 36 | Т25-4632043-У2 | Кронштейн крюка | |
| 37 | Т25-4632051-У | Тяга блокировки | |
| 38 | Т40-4632057 | Винт | |
| 39 | А13.28.000 | Рукоятка тяги | |
| 40 | М6-6gх14.88.019 | Болт | |
| 41 | М8-6gх16.88.019 | Болт | |
| 42 | М8-6gх20.88.019 | Болт | |
| 43 | М8-6Н.6.019 | Гайка | |
| 44 | М10-6Н.6.019 | Гайка | |
| 45 | М20-6Н.6.019 | Гайка | |
| 46 | М20х1,5-6Н.6.019 | Гайка | |
| 47 | М20-6Н.04.019 | Гайка | |
| 48 | М20х1,5-6Н.04.019 | Гайка | |
| 49 | 6Т65Г06 | Шайба | |
| 50 | 8Т65Г06 | Шайба | |
| 51 | 200Т65Г06 | Шайба | |
| 52 | 2х20.019 | Шплинт | |
| 53 | 4х22.019 | Шплинт | |
| 54 | 6,3х40.019 | Шплинт |
Содержащиеся в справочниках-каталогах запасные части и детали не предлагаются к продаже, а носят исключительно информационный характер