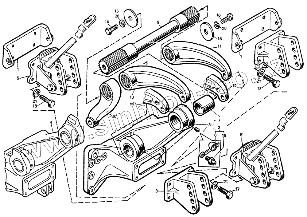
Каталог запасных частей к технике: ЛТЗ-55. Кронштейн с рычагами
Т40М1-4628550-02
Т40М1-4628550-03
Т40М1-4628550-04
Т40М1-4628550-01
1
1
2
3
4
5
5
6
7
8
9
10
11
12
13
14
15
15
16
16
17
18
18
19
20
20
21
21
21
| Позиция на иллюстрации | Заводской номер детали | Название детали | |
|---|---|---|---|
| Т40М1-4628550-02 | Т40М1-4628550-02 | Кронштейн с рычагами | |
| Т40М1-4628550-03 | Т40М1-4628550-03 | Кронштейн с рычагами | |
| Т40М1-4628550-04 | Т40М1-4628550-04 | Кронштейн с рычагами | |
| Т40М1-4628550-01 | Т40М1-4628550-01 | Кронштейн с рычагами | |
| 1 | Т40-2805120-У | Кронштейн | |
| 2 | Т40М-3401300 | Масленка с колпачком | |
| 3 | Т40М1-4628520-01 | Кронштейн | |
| 4 | Т25-4628520-У-01 | Кронштейн | |
| 5 | Т40S1-4628810 | Датчик | |
| 6 | Т40М-3401301 | Колпачок масленки | |
| 7 | Т25-4628522 | Втулка | |
| 8 | Т25-4628523-К | Кронштейн центральной тяги | |
| 9 | Т25-4628524-01 | Вал поворотный | |
| 10 | Т25-4628525-Б | Кривошип | |
| 11 | Т25-4628526-01 | Рычаг правый | |
| 12 | Т25-4628526-У1 | Рычаг правый | |
| 13 | Т25-4628527-01 | Рычаг левый | |
| 14 | Т40S1-4628527-01 | Рычаг левый | |
| 15 | Т25-4628528-А-01 | Шайба | |
| 16 | М12-6gх35.88.019 | Болт | |
| 17 | М16-6gх45.88.019 | Болт | |
| 18 | М16-6gх55.88.019 | Болт | |
| 19 | 1.3.Ц6 | Масленка | |
| 20 | 120Т65Г06 | Шайба | |
| 21 | 160Т65Г06 | Шайба |
Содержащиеся в справочниках-каталогах запасные части и детали не предлагаются к продаже, а носят исключительно информационный характер