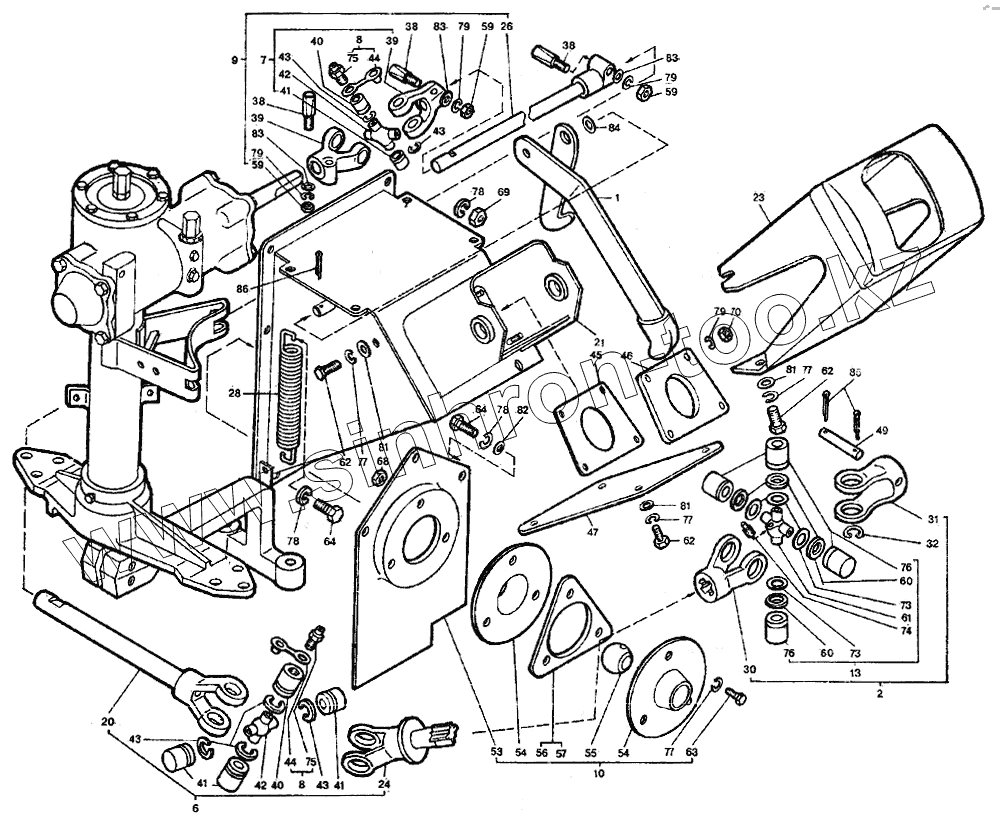
Каталог запасных частей к технике: ЛТЗ-55. Колонка рулевая
Т40М1-3401400
1
2
6
7
8
8
9
10
13
20
21
23
24
26
28
30
31
32
38
38
38
39
39
40
40
41
41
41
42
42
43
43
43
43
44
44
45
46
47
49
53
54
54
55
56
57
59
59
59
60
60
61
62
62
62
63
64
64
68
69
70
73
73
74
75
75
76
76
77
77
77
77
78
78
78
79
79
79
79
81
81
81
82
83
83
83
84
85
86
| Позиция на иллюстрации | Заводской номер детали | Название детали | |
|---|---|---|---|
| Т40М1-3401400 | Т40М1-3401400 | Колонка рулевая (гидромеханическая) | |
| 1 | Т40М1-3401020 | Фиксатор | |
| 2 | Т40М1-3401050 | Кардан | |
| 6 | Т40М1-3401180 | Вал карданный | |
| 7 | Т25-3401290-В | Кардан | |
| 8 | Т40М-3401300 | Масленка с колпачком | |
| 9 | Т40М1-3401440 | Вал промежуточный | |
| 10 | Т40М1-3401460 | Опора шаровая | |
| 13 | К005-01 | Крестовина кардана | |
| 20 | Т40М1-3401170 | Вал кардана | |
| 21 | Т40М1-3401410 | Корпус | |
| 23 | Т40М1-3401420-01 | Кожух | |
| 24 | Т40М1-3401430 | Вал промежуточный | |
| 26 | Т40М1-3401450 | Вал | |
| 28 | 50-1605152 | Пружина | |
| 29 | Т40М1-3401011 | Ось | |
| 30 | Т40М1-3401017 | Вилка | |
| 31 | Т40М1-3401052 | Вилка | |
| 32 | Т40М1-3401053 | Кольцо | |
| 38 | Т25-3401135 | Клин | |
| 39 | Т25-3401282-В | Вилка кардана | |
| 40 | Т25-3401285 | Втулка масленки кардана рулевого управления | |
| 41 | Т25-3401286-А | Втулка кардана рулевого управления | |
| 42 | Т25-3401287 | Крестовина кардана | |
| 43 | Т25-3401288 | Кольцо стопорное кардана рулевого управления | |
| 44 | Т40М-3401301 | Колпачок масленки | |
| 45 | Т40М1-3401401 | Прокладка | |
| 46 | Т40М1-3401402 | Пластина | |
| 47 | Т40М1-3401403 | Крышка | |
| 49 | Т40М1-3401407 | Ось | |
| 53 | Т40М13101461 | Корпус шарнира | |
| 54 | Т40М1-3401462 | Крышка шарнира | |
| 55 | Т40М1-3401463 | Вкладыш | |
| 56 | Т40М1-3401464 | Прокладка | |
| 57 | Т40М1-3401464-01 | Прокладка | |
| 59 | ГПШ-М10Х1 | Гайка шестигранная специальная | |
| 60 | Н.051.01.401 | Корпус уплотнителя | |
| 61 | Н.051.01.606-А | Крестовина | |
| 62 | М6-6gх16.88.019 | Болт | |
| 63 | М6-6gх20.88.019 | Болт | |
| 64 | М8-6gх20.88.019 | Болт | |
| 68 | М6-6Н.6.019 | Гайка | |
| 69 | М8-6Н.6.019 | Гайка | |
| 70 | М10-6Н.6.019 | Гайка | |
| 73 | 010-014-25-2-2 | Кольцо | |
| 74 | 1.1.В1 | Масленка | |
| 75 | 1.3.Ц6 | Масленка | |
| 76 | 904700УС17 | Подшипник | |
| 77 | 6Т65Г06 | Шайба | |
| 78 | 8Т65Г06 | Шайба | |
| 79 | 100Т65Г06 | Шайба | |
| 81 | А.6.01.08кп.019 | Шайба | |
| 82 | А.8.01.08кп.019 | Шайба | |
| 83 | А.10.01.08кп.019 | Шайба | |
| 84 | А.14.02.019 | Шайба | |
| 85 | 3,2х18.019 | Шплинт | |
| 86 | 3,2х20.019 | Шплинт |
Содержащиеся в справочниках-каталогах запасные части и детали не предлагаются к продаже, а носят исключительно информационный характер