Вернуться на главную
Поиск
Каталоги запчастей к технике
Сельхозтехника
ЛТЗ
ЛТЗ-55
Картер
Каталог запасных частей к технике: ЛТЗ-55. Картер
zoom-in
zoom-out
enlarge
shrink
circle-right
circle-left
file-text2
info
cart
Тип техники
Не выбрано
Легковые автомобили
Грузовые автомобили и прицепы
Автобусы
Сельхозтехника
Спецтехника
Двигатели
Мототехника
Марка
Не выбрано
AGCO
Amity
CASE IH
DongFeng
Fortschritt
Foton
Franz Kleine
Gaspardo
Great Plains
KRONE
KUHN
Lemken
Lovol
MacDon
Massey Ferguson
New Holland
TIGARBO
Vaderstad
Versatile
Wirax
Агро
Агротехмаш
Бобруйскагромаш (ОАО «УКХ «Бобруйскагромаш»)
БЭМЗ
ВгТЗ
Воронежсельмаш
ВТЗ
Гомсельмаш
ДКЗ
ЗАО "Техника-сервис"
ЗиД
КЗК
Кировец-Ландтехник
Клевер
Красная Звезда
Лидагропроммаш
Лидсельмаш
ЛТЗ
Машстройхолдинг
Минитракторы
Мордовагромаш
МТЗ
Навигатор-Новое машиностроение
Нефтекамский автозавод
ПТЗ
Ремком
РСМ
Сибсельмаш
ТеКЗ
ТКЗ
ХЗТСШ
ХТЗ
ЮМЗ
Модель
Не выбрано
ЛТЗ-55 (2003)
Т-40М
Схема
>
Не выбрано
Кабина
Кабина
Кабина с крыльями
Кабина (каркас безопасности)
Кабина с сиденьем (каркас безопасности)
Крыша кабины
Двери кабины
Двери кабины
Стекло боковое
Стекло заднее
Стеклоочиститель
Установка стеклоомывателя
Зеркало заднего вида
Козырек
Система вентиляции
Вентилятор
Установка капота
Установка опоры капота
Крылья передние
Двигатель
Двигатель
Двигатель
Картер
Головка цилиндра
Поршень и шатун
Механизм кривошипно-шатунный
Вал распределительный и шестерни
Коромысла со стойкой
Декомпрессор
Насос шестеренный
Опоры двигателя
Управление декомпрессором
Система питания
Фильтр топливный грубой очистки
Фильтр топливный тонкой очистки
Форсунка 6Т2-20с1-2Д
Форсунка 16.1112010
Насос топливоподкачивающий
Воздухоочиститель
Насос топливный
Насос топливный
Насос топливный
Насос топливный
Насос топливный
Бак топливный
Топливопроводы
Фильтр
Управление подачей топлива
Установка воздухоочистителя
Глушитель
Кронштейн с патрубком
Система охлаждения
Система смазки
Система смазки
Насос масляный с трубой приемника
Радиатор масляный
Фильтр масляный
Трансмиссия
Муфта сцепления с муфтой ВОМ
Муфта сцепления с муфтой ВОМ
Муфта сцепления
Управление муфтой сцепления
Коробка передач
Коробка передач
Коробка передач
Коробка передач
Коробка передач
Механизм переключения передач с блокировкой запуска двигателя
Управление коробкой передач
Механизм управления блокировкой
Коробка раздаточная
Ходоуменьшитель
Шарниры поворотные
Мост ведущий передний
Мост ведущий передний
Стакан с шестерней
Дифференциал
Передача конечная
Передача конечная
Рама
Установка грузов
Прицеп маятниковый
Подвеска колеса
Мост передний
Ось передняя
Тяги рулевые
Ступица с валом
Колесо заднее 13,6R38 (разборный обод с диском)
Колесо переднее 8,3-20 (разборный обод с диском)
Колесо переднее 8,3-20 (неразборный обод с диском)
Колесо заднее 13,6R38 (неразборный обод с диском)
Колесо заднее 14,9-30
Колонка рулевая
Колонка рулевая
Колонка рулевая
Гидроусилитель
Гидроусилитель с сошкой
Усилитель гидрообъемный
Механизм исполнительный с сошкой
Механизм исполнительный
Клапан деления потока
Тормоза ленточные
Тормоза ленточно-дисковые
Управление тормозами
Тормоз стояночный
Управление стояночным тормозом
Электрооборудование
Электрооборудование
Электрооборудование
Установка генератора
Ящики аккумуляторные
Ящики аккумуляторные
Установка аккумуляторов
Установка передних фар и фонарей
Фара задняя
Фонарь передний
Электрооборудование крыши кабины
Установка задних фар и фонарей
Фонарь задний
Генератор
Статор
Щиток приборов
Установка сигнализатора крена
Привод тахоспидометра
Установка трубки манометра масла
Вал отбора мощности независимый и синхронный
Управление независимым и синхронным ВОМ
Вал отбора мощности боковой
Вал отбора мощности боковой
Управление боковым ВОМ
Управление муфтой ВОМ
Удлинитель заднего ВОМ
Привод гидронасоса
Система гидравлическая
Система гидравлическая
Система гидравлическая
Бак с фильтром
Регулятор
Муфта разрывная
Устройство запорное
Распределители
Гидроцилиндр
Регулятор с деталями управления
Управление регулятором
Управление регулятором
Устройство навесное
Раскос Т25-4628130-у1
Раскос 15.62с02-Б
Тяга центральная
Тяга блокировки
Кронштейн с рычагами
Датчик
Крюк тяговый Т25-4632020-А
Крюк тяговый Т40М1-4632010
Инструмент и принадлежности
Тракторы ЛТЗ-55А, ЛТЗ-55АН, ЛТЗ-55, ЛТЗ-55Н
Тракторы ЛТЗ-55А, ЛТЗ-55АН, ЛТЗ-55, ЛТЗ-55Н
Тракторы ЛТЗ-55А, ЛТЗ-55АН, ЛТЗ-55, ЛТЗ-55Н
Тракторы ЛТЗ-55А, ЛТЗ-55АН, ЛТЗ-55, ЛТЗ-55Н
Тракторы ЛТЗ-55А, ЛТЗ-55АН, ЛТЗ-55, ЛТЗ-55Н
Д37М-1002008-А2
1
2
3
4
5
6
7
8
9
10
11
12
13
14
15
16
17
18
19
20
21
22
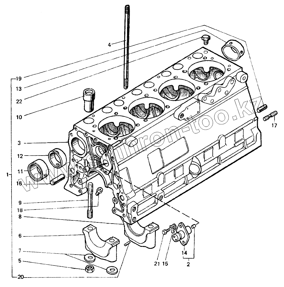
Позиция на иллюстрации
Заводской номер детали
Название детали
Д37М-1002008-А2
Д37М-1002008-А2
Картер двигателя
1
Д37М-1002010-А2
Картер
2
Д37М-1002170
Палец паразитной шестерни
3
Д37М-1002015-А3
Картер
4
Д37М-1002028-А2
Шпилька анкерная
5
Д37М-1002029
Гайка
6
Д37М-1002052-А
Крышка 1-, 2-, 4-, 5-го коренных подшипников
7
Д37М-1002053
Шайба
8
Д37М-1002062-Б1
Крышка 3-го коренного подшипника
9
Д37М-1002104-А
Шпилька крышек коренных подшипников
10
Д37М-1002115
Втулка толкателя
11
Д37М-1002132-А
Втулка распределительного вала передняя
12
Д37М-1002135-А
Втулка распределительного вала средняя
13
Д37М-1002138
Втулка распределительного вала задняя
14
Д37М-1002175
Палец паразитной шестерни
15
Д37М-1002176
Шайба стопорная
16
Д30-1002184
Штифт
17
Д30-1002314
Шпилька
18
Д120-1002355
Жиклер
19
Д30-1005319
Штифт установочный
20
Д30-1407565-А
Штифт ведущий
21
4М8-6gх20.88.019
Болт
22
КГ1/8".40.019
Пробка
Содержащиеся в справочниках-каталогах запасные части и детали не предлагаются к продаже, а носят исключительно информационный характер
Дополнительная информация
×
Название:
Номер:
Примечание: