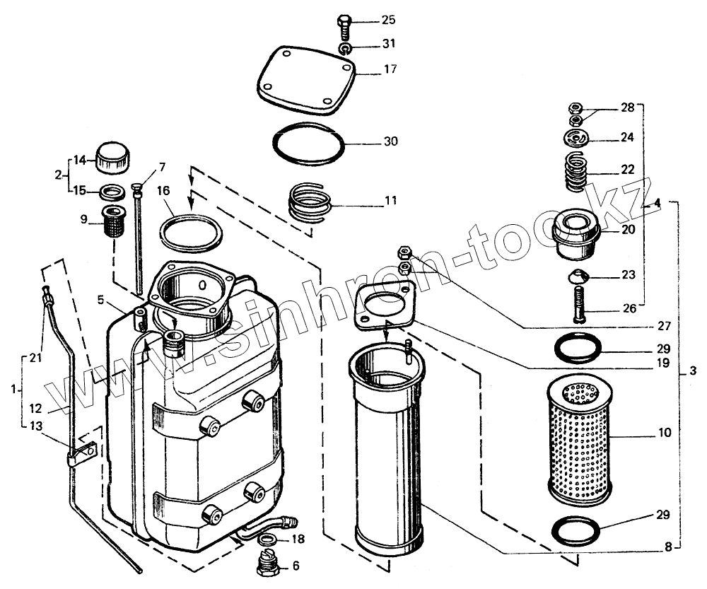
Каталог запасных частей к технике: ЛТЗ-55. Бак с фильтром
Т40-4600200-Г-011
1
2
3
4
5
6
7
8
9
10
11
12
13
14
15
16
17
18
19
20
21
22
23
24
25
26
27
28
29
29
30
31
| Позиция на иллюстрации | Заводской номер детали | Название детали | |
|---|---|---|---|
| Т40-4600200-Г-011 | Т40-4600200-Г-011 | Бак с фильтром | |
| 1 | Т40-4614090 | Трубка дренажная | |
| 2 | Т40-4614130 | Пробка | |
| 3 | А28.04.00.000-А | Фильтр ФСБ 25-80-0,63 | |
| 4 | А28.04.10.000 | Клапан фильтра | |
| 5 | Т40-4614020-Д-01 | Бак | |
| 6 | Т50-4614060-01 | Пробка с магнитом | |
| 7 | Т40-4614080-01 | Щуп | |
| 8 | А28.04.20.000-А | Корпус фильтра | |
| 9 | А70.01.000 | Фильтр | |
| 10 | 761-00-00-00-01 | Элемент фильтрующий "Реготмас 635-1-03" | |
| 11 | Т40-4614019 | Пружина | |
| 12 | Т40-4614092 | Трубка дренажная | |
| 13 | Т25-4614093-А-01 | Скоба | |
| 14 | Т40-4614132 | Пробка | |
| 15 | Т40-4614134 | Кольцо | |
| 16 | Т40-4614163 | Кольцо уплотнительное | |
| 17 | Т40-4615012-В | Крышка фильтра | |
| 18 | Т25-4615016 | Кольцо уплотнительное | |
| 19 | А28.04.00.001 | Ограничитель | |
| 20 | А28.04.10.001 | Корпус клапана | |
| 21 | Д01072 | Гайка | |
| 22 | 8.20.002 | Пружина | |
| 23 | 8.20.004 | Клапан | |
| 24 | 8.20.005 | Шайба опорная | |
| 25 | М8-6gх20.88.019 | Болт | |
| 26 | В.М6-6gх40.66.019 | Винт | |
| 27 | М6-6Н.5.019 | Гайка | |
| 28 | 2М6-6Н.6.039 | Гайка | |
| 29 | 042-050-46-2-2 | Кольцо | |
| 30 | 130-135-25-2-2 | Кольцо | |
| 31 | 8Т65Г06 | Шайба |
Содержащиеся в справочниках-каталогах запасные части и детали не предлагаются к продаже, а носят исключительно информационный характер