Каталог запасных частей к технике: Lovol TS-4A504-038K. A498BT-38H ENGINE ASSY-1
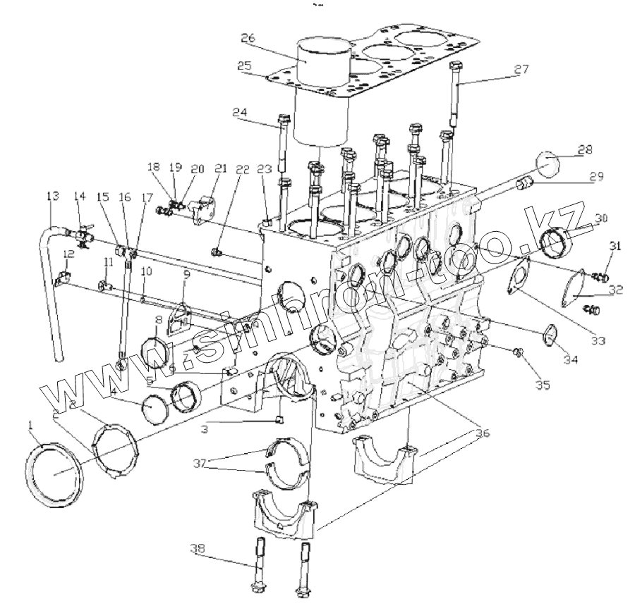
1
2
2
3
4
5
6
7
8
9
10
11
12
13
14
15
16
17
18
19
20
21
22
23
24
25
26
27
28
29
30
31
32
33
34
35
36
37
38
| Позиция на иллюстрации | Заводской номер детали | Название детали | |
|---|---|---|---|
| A498BT-38H | A498BT-38H | ENGINE ASSY | |
| 1 | 490B-01036 | REAR OIL SEAL | |
| 2 | 495B-01022A/01026A | CRANKSHAFT THRUST PIECE | |
| 3 | 490B-01027 | MIDDLE PLUG | |
| 4 | 490B-01009 | PLUG 58 | |
| 5 | 495B-01008A | REAR CAMSHAFT BUSH | |
| 6 | GBT119.1-10X24 | COLUMN PIN | |
| 7 | 490B-01080 | BOWL SHIM 15 | |
| 8 | 495B-01050 | BOWL SHIM 60 | |
| 9 | 490B-01073 | OIL FILTER GASKET | |
| 10 | 490B-01029 | SCREW PLUG R1/8 | |
| 11 | 490B-01081-1 | PLUG | |
| 12 | 490BT-01105 | DRAIN PIPE FIXING BRACKET | |
| 13 | HG4-404-10X400 | HOSE | |
| 14 | 490BT-01100-1 | DRAIN SWITCH | |
| 15 | 490BT-21003 | OIL INLET T-JOINT OF AIR PUMP | |
| 16 | 490B-21010 | PIPE | |
| 17 | JBT982-10 | COMBINED SEAL GASKET | |
| 18 | GBT5783-M8X25 | BOLT | |
| 19 | GBT93-8 | WASHER | |
| 20 | GBT97.1-8 | WASHER | |
| 21 | 490B-01076B | FUEL FILTER MAT PLATE | |
| 22 | 490B-21002 | HEXAGON PLUG | |
| 23 | GBT119.1-16X20 | COLUMN PIN | |
| 24 | 490B-01003A | BOLT | |
| 25 | 4D35T-01004 | CYLINDER COVER GASKET | |
| 26 | A498B-01005 | CYLINDER BUSH | |
| 27 | 490B-01002A | BOLT | |
| 28 | 495B-01047 | BOWL SHIM 50 | |
| 29 | 490B-01074 | CONNECTING TUBE | |
| 30 | 495B-01007A | CAMSHAFT BUSH | |
| 31 | GBT5783-M8X18 | STUD | |
| 32 | A490BZL-01082-1 | COVER PLATE | |
| 33 | 4D32T31-01012 | WATER INLET PIPE GASKET | |
| 34 | 490B-01079 | BOWL SHIM 40 | |
| 35 | A498BZ-01029 | SCREW PLUG | |
| 36 | A498B-01001 | CYLINDER BLOCK | |
| 37 | 495B-01033A/01034A | MAIN BEARING | |
| 38 | A498B-01019A | MAIN BEARING BOLT M12X32 |
Содержащиеся в справочниках-каталогах запасные части и детали не предлагаются к продаже, а носят исключительно информационный характер