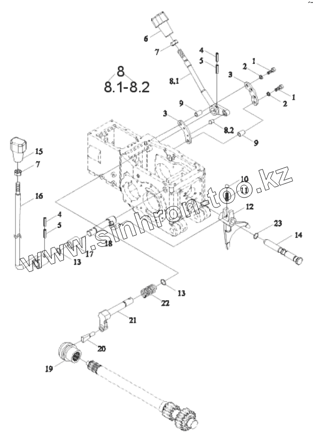
Каталог запасных частей к технике: Lovol TE-404. TL02413010000K PTO CONTROL MECHANISM ASSEMBLY
1
1
2
2
3
3
4
4
5
5
6
7
7
8
8.1
8.1
8.2
8.2
9
9
10
11
12
13
13
14
15
16
17
18
19
20
21
22
23
| Позиция на иллюстрации | Заводской номер детали | Название детали | |
|---|---|---|---|
| TL02413010000K | TL02413010000K | PTO CONTROL MECHANISM ASSEMBLY | |
| 1 | GBT5783-M8X35-8.8-A2L | Hexagon head bolt | |
| 2 | GBT93-8-A0P | Standard spring washer | |
| 3 | FT250.41.112 | RELEASE ROD FIXING PIECE | |
| 4 | GBT879.1-3X24 | Spring-type straight pin | |
| 5 | GBT879.1-5X24 | Spring-type straight pin | |
| 6 | FT250.41.011 | PTO RELEASE CONTROL HANDLE | |
| 7 | GBT6170-M10-8-A3L | Hexagon Nut, Style 1 | |
| 8 | FT250.41.012 | RELEASE ROD AND PIN ASSEMBLY | |
| 8.1 | FT250.41.017 | RELEASE ROD ASSEMBLY | |
| 8.2 | FT250.41.128 | LIMITING PIN | |
| 9 | FT250.41.111 | SPACER BUSH | |
| 10 | GBT308-8.731-G200-b | STEEL BALL | |
| 11 | FT250.37.148 | FORK SHAFT LOCKING SPRING | |
| 12 | TE300.413-02a | PTO GEARSHIFT FORK | |
| 13 | GBT3452.1-11.8X1.80G | RUBBER O-SEAL RING | |
| 14 | TE300.413-03a | GEARSHIFT FORK SHAFT | |
| 15 | TE300.413A.1 | PTO GEARSHIFT HANDLE | |
| 16 | TL02413010003K | PTO GEARSHIFT CONTROL ROD WELDMENT | |
| 17 | TE300.413-04 | SPACER BUSH | |
| 18 | TE300.413.1 | PTO GEARSHIFT DIAL ROD ASSEMBLY | |
| 19 | FT250.41.101 | SPLINE BUSH | |
| 20 | FT250.41.109 | PTO SHAFT FORK HEAD | |
| 21 | TE300.413-01 | PTO FORK SHAFT | |
| 22 | FT250.41.114 | RELEASE ROD SPRING | |
| 23 | GBT3452.1-12.5X1.80G | O-RING |
Содержащиеся в справочниках-каталогах запасные части и детали не предлагаются к продаже, а носят исключительно информационный характер