Вернуться на главную
Поиск
Каталоги запчастей к технике
Сельхозтехника
Lovol
TB-604
TS04457010000 Front Connecting Assembly
Каталог запасных частей к технике: Lovol TB-604. TS04457010000 Front Connecting Assembly
zoom-in
zoom-out
enlarge
shrink
circle-right
circle-left
file-text2
info
cart
Тип техники
Не выбрано
Легковые автомобили
Грузовые автомобили и прицепы
Автобусы
Сельхозтехника
Спецтехника
Двигатели
Мототехника
Марка
Не выбрано
AGCO
Amity
CASE IH
DongFeng
Fortschritt
Foton
Franz Kleine
Gaspardo
Great Plains
KRONE
KUHN
Lemken
Lovol
MacDon
Massey Ferguson
New Holland
TIGARBO
Vaderstad
Versatile
Wirax
Агро
Агротехмаш
Бобруйскагромаш (ОАО «УКХ «Бобруйскагромаш»)
БЭМЗ
ВгТЗ
Воронежсельмаш
ВТЗ
Гомсельмаш
ДКЗ
ЗАО "Техника-сервис"
ЗиД
КЗК
Кировец-Ландтехник
Клевер
Красная Звезда
Лидагропроммаш
Лидсельмаш
ЛТЗ
Машстройхолдинг
Минитракторы
Мордовагромаш
МТЗ
Навигатор-Новое машиностроение
Нефтекамский автозавод
ПТЗ
Ремком
РСМ
Сибсельмаш
ТеКЗ
ТКЗ
ХЗТСШ
ХТЗ
ЮМЗ
Модель
Не выбрано
TB-604
TD-1304
TD-904
TE-354
TE-404
TS-4A504-038K
Схема
>
Не выбрано
TS04110080000K Air Filter System Assembly
TS04131090000K Cooling System Assembly
TS04132010000 Water Tank Base Plate Mounting Assembly
TS04201010000 Hand Throttle Control Assembly
TS04202010000 Foot Throttle Control Assembly
TS04203010000 Throttle Wire Assembly
TS04220020000 Exhaust System Assembly
TB550.211B Clutch assembly
TS04212060000K Clutch Control Assembly
TB604.371 Gearbox Housing Assembly
TB604.372T Main Transmission Assembly-1
TB604.372T Main Transmission Assembly-2
TB604.373T Gearbox Assistant Gear Assembly
TS04374010000 Gearbox Control Mechanism Assembly-1
TS04374010000 Gearbox Control Mechanism Assembly-2
TS04374010000 Gearbox Control Mechanism Assembly-3
TS04374010000 Gearbox Control Mechanism Assembly-4
Breather assembly
Shuttle Shift Assembly
Rear Axle Central Transmission Assembly-1
Rear Axle Central Transmission Assembly-2
TS04383010000 Differential Lock Control Mechanism Assembly
TC02384040000K Rear Axle Housing Assembly
TS04385010000 Shuttle Shift Control Mechanism Assembly
TB550.391 Left Final Transmission Assembly
TB550.392 Right Final Transmission Assembly
TC02411020000K PTO Gear Assembly
TB550.412A PTO Shaft Assembly
TS04413010000 PTO Control Assembly
TB554.421B Transfer Case Housing Assembly
TB554.422 Transfer Case Transmission Assembly
TS04423010000 Transfer Case Control Assembly
TC02311210000 Front Driving Axle Assembly
TB554.312 Front Bracket Assembly
FT404.32F.001 Front Drive Wheel Assembly
FT550.34F.001 Rear Driving Wheel Assembly
TC04401080000 Steering Gear and Steering Column Assembly
TS04402070000K Fully Hydraulic Steering Assembly-1
TS04402070000K Fully Hydraulic Steering Assembly-2
TB704.431 Left Brake Assembly
TB704.432 Right Brake Assembly
TS04433010000 Braking System Control Mechanism Assembly-1
TS04433010000 Braking System Control Mechanism Assembly-2
TS04433010000 Braking System Control Mechanism Assembly-3
TS04801010000K Air valve brake assembly
TS04802010000K Gas Holder Installation Assembly
TS04803050000K Air Conveying Pipeline Assembly
TB400.35C Towing Mechanism Installation Assembly
TC02530010000K Up-down Adjustable Traction Connector
TC02551230000K Lifter Installation Assembly-1
TC02551230000K Lifter Installation Assembly-2
TC02551230000K Lifter Installation Assembly-3
TS04552010000 Raiser Control Assembly
TC02553070000K Hydraulic Auxiliary Oil Tank Assembly
TC02561060000k Hitch Assembly-1
TC02561060000k Hitch Assembly-2
TS04581070000K Oil Pump/Pipe/Filter Assembly
TC02582090000K Multi-way Valve Oil Pipe Assembly
TB300.583A Single-way Hydraulic Outlet Assembly 2
TC02440090000K Seat Installation Assembly
TS04452010000 Floor Assembly-1
TS04452010000 Floor Assembly-2
TS04452010000 Floor Assembly-3
TS04453020000K Upholstery Assembly
TS04454010000 Control Cover Assembly
TS04455020000 Rear Mudguard Trimming Assembly
TB1S456020000K Dashboard Assembly
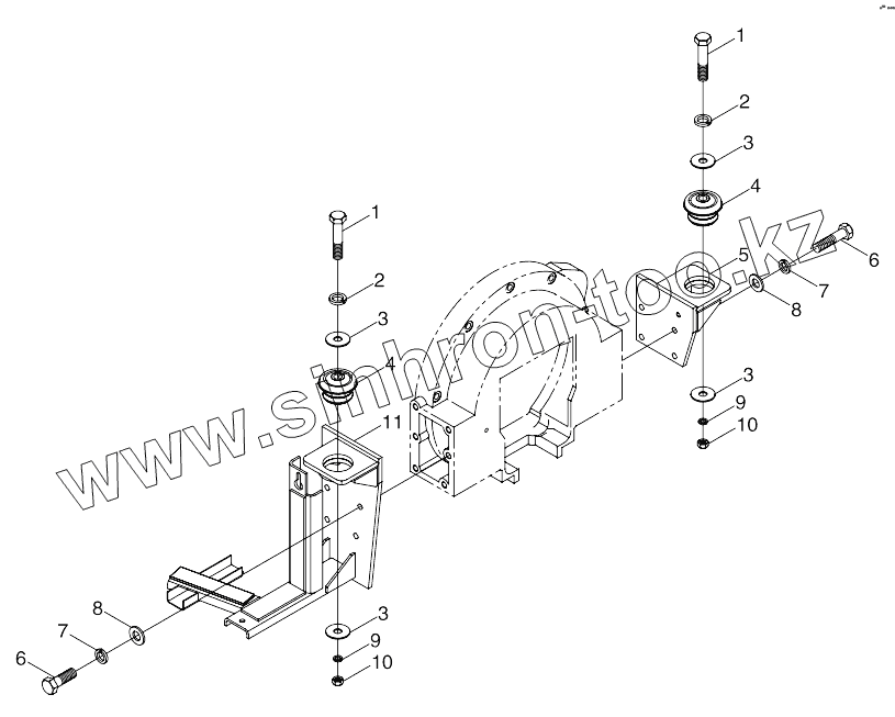
TS04457010000 Front Connecting Assembly
TS04458010000 Rear Connection Assembly
TS04461010000K Safety Frame Assembly
TS04471030000K Bonnet Assembly
TS04471030000K Bonnet Assembly
TS04471030000K Bonnet Assembly
TS04473010000 Bonnet Locking Device Assembly
TB400.475A Left Front Mud Gaurd Assembly
TS04475080000K Bonnet Seal Installation Assembly
TB400.476A Right Front Mud Guard Assembly
TS04490010000 Tool Kit Assembly
TB1S501020000K Oil Tank Installation Assembly-1
TB1S501020000K Oil Tank Installation Assembly-2
TS04503010000 Delivery Pipeline Assembly
TB1S620010000K Safety Belt Installation Assembly
TS04741010000K Front Ballast Frame Assembly
TC02740010000K Front Ballast Assembly
FT600.91.001 Rear Ballast Assembly
TS04481080000K Harness Installation Assembly, Engine
TS04482010000K Body Harness Installation Assembly
TS04483020000K Front Lamp Harness Installation Assembly
TS04484040000K Harness Installation Assembly, Rear Lamp
TS04485010000 Battery Installation Assembly
TS04487010000 Compound Instrument Assembly
Preheating Equipment Assembly
1
1
2
2
3
3
3
3
4
4
5
6
6
7
7
8
8
9
9
10
10
11
Позиция на иллюстрации
Заводской номер детали
Название детали
TS04457010000
TS04457010000
Front Connecting Assembly
1
GBT5783-M16X80-10.9-A3L
Hexagon Bolt
2
GBT96.1-16-A0P
Big Washer
3
TB400.457B-02
Retainer Ring
4
TB400.457B-01
Shock Absorber
5
TS04457010004
Right Front Connection Weldment
6
GBT5783-M12X35-10.9-A3L
Hexagon Bolt
7
GBT93-12-A0P
Washer
8
GBT97.1-12-A0P
Plain washer
9
GBT93-16-A0P
Standard Spring Washer
10
GBT6170-M16-10-A3L
Hexagon Nut, Type-1
11
TS04457010001
Left Front Connection Weldment
Содержащиеся в справочниках-каталогах запасные части и детали не предлагаются к продаже, а носят исключительно информационный характер
Дополнительная информация
×
Название:
Номер:
Примечание: