Каталог запасных частей к технике: Lovol TB-604. TS04452010000 Floor Assembly-2
1
1
1
1
1
1
2
2
2
2
2
2
2
2
3
4
4
5
5
5
6
6
6
7
7
8
8
9
10
11
11
12
13
13
14
14
15
16
17
18
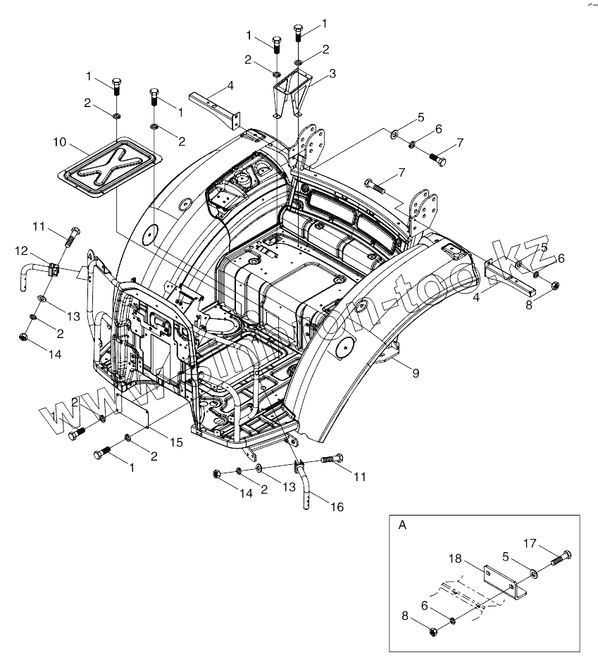
| Позиция на иллюстрации | Заводской номер детали | Название детали | |
|---|---|---|---|
| TS04452010001 | TS04452010001 | Floor welding assembly | |
| TS04452010000 | TS04452010000 | Floor assembly | |
| 1 | GBT5783-M6x16-8.8-A2L | Hexagon Head Bolt | |
| 2 | GBT93-6-A0P | Standard spring washer | |
| 3 | TS04452011150 | Central electric box bracket weldment | |
| 4 | TS04452011030 | Rear connecting board weldment | |
| 5 | GBT97.1-8-A0P | Plain washer | |
| 6 | GBT93-8-A0P | Standard spring washer | |
| 7 | GBT5783-M8x25-8.8-A2L | Hexagon head bolt | |
| 8 | GBT6170-M8-8-A2L | Hexagon nut, style 1 | |
| 9 | TS04452011000 | Floor body weldment | |
| 10 | TS04451012001 | Gearbox inspection window cover plate | |
| 11 | GBT5782-M6x40-8.8-A2L | Hexagon head bolt | |
| 12 | TS04452011210 | Position lamp bracket right pieces weldment | |
| 13 | GBT97.1-6-A0P | Plain washer | |
| 14 | GBT6170-M6-8-A2L | Hexagon Nut, Type-1 | |
| 15 | TB550.452H-24 | Rear floor cover | |
| 16 | TS04452011190 | Position lamp bracket left pieces weldment | |
| 17 | GBT5783-M8x20-8.8-A2L | Hexagon Head Bolt | |
| 18 | TS04451012114 | Handbrake cable fixing bracket |
Содержащиеся в справочниках-каталогах запасные части и детали не предлагаются к продаже, а носят исключительно информационный характер