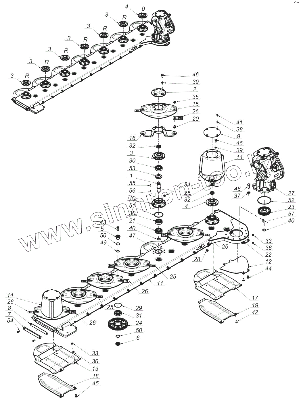
Каталог запасных частей к технике: Лидагропроммаш КДД-9ВТ. Режущий брус левый 0608.05.007
1
2
3
3
3
3
3
3
3
4
4
5
6
7
8
9
10
11
12
13
14
14
15
16
17
18
19
20
21
22
23
24
25
25
25
25
26
26
26
26
27
28
29
30
30
31
32
32
33
33
34
35
36
36
37
38
39
39
40
40
41
42
43
44
45
46
46
47
48
49
50
50
51
52
53
54
55
56
57
| Позиция на иллюстрации | Заводской номер детали | Название детали | |
|---|---|---|---|
| 1 | 0540.03.05.000 | Вал | |
| 2 | 0540.03.08.000 | Крышка диска | |
| 3 | 0540.03.09.002 | Верхняя ступица правая | |
| 4 | 0540.03.10.002 | Верхняя ступица | |
| 5 | 0540.03.11.000 | Держатель верхний | |
| 6 | 0540.03.12.000 | Держатель нижний | |
| 7 | 0540.03.13.001 | Крышка боковая | |
| 8 | 0540.03.14.001 | Прокладка | |
| 9 | 0540.03.22.001 | Крышка барабана | |
| 10 | 0540.03.23.001 | Ступица | |
| 11 | 0608.05.01.003 | Корпус бруса | |
| 12 | 0608.05.21.003 | Пластина правая нижняя | |
| 13 | 0619.14.02.007 | Полоз | |
| 14 | 0619.14.03.007 | Диск рабочий с барабанам | |
| 15 | 0619.14.04.007 | Диск рабочий | |
| 16 | 0619.14.06.007 | Держатель ножа | |
| 17 | 0619.14.11.007 | Полоз | |
| 18 | 0619.14.13.007 | Полоз | |
| 19 | 0619.14.14.007 | Полоз | |
| 20 | MIIO-003-012 | Держатель ножа | |
| 21 | MIKW-020-135 | Колесо | |
| 22 | MIKW-038-080 | Колесо | |
| 23 | MIKW-038-138 | Колесо | |
| 24 | MIKW-060-080 | Колесо | |
| 25 | MINO-000-005 | Нож левый | |
| 26 | MINO-000-005 | Нож левый | |
| 27 | MIPS-053-002 | Редуктор бруса | |
| 28 | MITK-000-004 | Пробка | |
| 29 | MZIP-000-008 | Кольцо | |
| 30 | MZLZ-063-000 | Подшипник | |
| 31 | MZLZ-063-007 | Подшипник | |
| 32 | MZNN-030-000 | Гайка | |
| 33 | MZNS-010-002 | Гайка | |
| 34 | MZNS-012-004 | Гайка | |
| 35 | MZNS-012-692 | Гайка | |
| 36 | MZPP-010-001 | Шайба | |
| 37 | MZPP-016-001 | Шайба | |
| 38 | MZPS-008-001 | Шайба | |
| 39 | MZPS-012-001 | Шайба | |
| 40 | MZSE-035-001 | Кольцо | |
| 41 | MZSI-008-101 | Болт | |
| 42 | MZSI-010-009 | Болт | |
| 43 | MZSI-016-041 | Болт | |
| 44 | MZSP-010-001 | Болт | |
| 45 | MZSP-010-004 | Болт | |
| 46 | MZSZ-012-010 | Болт | |
| 47 | MZSZ-012-030 | Болт специальный | |
| 48 | MZSZ-016-007 | Болт | |
| 49 | MZUO-028-025 | Кольцо | |
| 50 | MZUO-030-001 | Кольцо | |
| 51 | MZUO-090-001 | Кольцо | |
| 52 | MZUO-142-000 | Кольцо | |
| 53 | MZUS-040-072 | Кольцо | |
| 54 | MZWB-008-005 | Болт | |
| 55 | MZWP-000-002 | Шпонка | |
| 56 | MZWP-010-016 | Шпонка | |
| 57 | MZWP-010-032 | Шпонка |
Содержащиеся в справочниках-каталогах запасные части и детали не предлагаются к продаже, а носят исключительно информационный характер