Вернуться на главную
Поиск
Каталоги запчастей к технике
Сельхозтехника
Lemken
Zirkon 7/300
Swivel bracket D35 247 RE A
Каталог запасных частей к технике: Lemken Zirkon 7/300. Swivel bracket D35 247 RE A
zoom-in
zoom-out
enlarge
shrink
circle-right
circle-left
file-text2
info
cart
Тип техники
Не выбрано
Легковые автомобили
Грузовые автомобили и прицепы
Автобусы
Сельхозтехника
Спецтехника
Двигатели
Мототехника
Марка
Не выбрано
AGCO
Amity
CASE IH
DongFeng
Fortschritt
Foton
Franz Kleine
Gaspardo
Great Plains
KRONE
KUHN
Lemken
Lovol
MacDon
Massey Ferguson
New Holland
TIGARBO
Vaderstad
Versatile
Wirax
Агро
Агротехмаш
Бобруйскагромаш (ОАО «УКХ «Бобруйскагромаш»)
БЭМЗ
ВгТЗ
Воронежсельмаш
ВТЗ
Гомсельмаш
ДКЗ
ЗАО "Техника-сервис"
ЗиД
КЗК
Кировец-Ландтехник
Клевер
Красная Звезда
Лидагропроммаш
Лидсельмаш
ЛТЗ
Машстройхолдинг
Минитракторы
Мордовагромаш
МТЗ
Навигатор-Новое машиностроение
Нефтекамский автозавод
ПТЗ
Ремком
РСМ
Сибсельмаш
ТеКЗ
ТКЗ
ХЗТСШ
ХТЗ
ЮМЗ
Модель
Не выбрано
Achat 9/400 KA (2004)
Achat 9/500 KA (2004)
Achat 9/600 KA (2004)
Azurit 9 (2018)
Dolomit 9 (2010)
EuroDiamant 10 (2010)
EuroDiamant 10 X (2010)
EuroDiamant 8 (2010)
EuroGranat 5 (2006)
EuroGranat 6 (2006)
EuroGranat 7 (2006)
EurOpal 5 (2010)
EurOpal 5HX (2010)
EurOpal 6 (2010)
EurOpal 7 (2010)
EurOpal 7, EurOpal 7HX (2018)
EurOpal 7X (2010)
EurOpal 7X, EurOpal 7 HydriX (2018)
EurOpal 8 (2010)
EurOpal 9 (2010)
EuroTitan 10 (2010)
EuroTitan 10X (2010)
FixPack (2010)
Gigant 1000 (2010)
Gigant 1000 Smaragd (2010)
Gigant 800 (2010)
Gigant 800 S (2010)
Gigant 800 S Rubin (2006)
Gigant 800 Smaragd (2010)
Heliodor 9/600KA (2018)
Heliodor 9/700KA (2018)
Juwel 8M (2018)
Karat 9/600 KA (2016)
Kristall 9/500KA (2016)
Kristall 9/600KA (2016)
OptiDisc 25 (2018)
Primus 10 (Часть 1) (2017)
Primus 10 (Часть 2) (2017)
Quarz 7/250 (2010)
Quarz 7/250 F (2010)
Quarz 7/300 (2010)
Quarz 7/300F (2010)
Quarz 7/400 (2010)
Quarz 7/400F (2010)
Quarz 7/400K (2010)
Quarz 7/400KA (2010)
Quarz 7/500K (2010)
Quarz 7/500KA (2010)
Quarz 7/600K (2010)
Rubin 10/600 KUA (2018)
Rubin 10/700 KUA (2018)
Rubin 12/400 KUA (A) (2018)
Rubin 12/500 KUA (A) (2018)
Rubin 12/600 KUA (A) (2018)
Rubin 12/700 KUA (2018)
Rubin 9/300 U (2004)
Rubin 9/400 U (2004)
Saphir 7/300 (2010)
Saphir 7/400 (2010)
Smaragd 7/260 (2010)
Smaragd 7/300 (2010)
Smaragd 9/300 (2010)
Smaragd 9/400 (2010)
Smaragd 9/400 (2016)
Smaragd 9/400 K (2016)
Smaragd 9/400K (2010)
Smaragd 9/450K (2010)
Smaragd 9/500 K (2016)
Smaragd 9/500K (2004)
Smaragd 9/600 K (2016)
Smaragd 9/600K (2010)
Smaragd 9/600KA (2010)
Solitair 10/600K (2006)
Solitair 12/1000K (2007)
Solitair 12/1200K (2008)
Solitair 12/1200KD (2018)
Solitair 12/5800SW (2018)
Solitair 12/800K (2006)
Solitair 12/900K (2007)
Solitair 8/300 (2004)
Solitair 8/300 (2014)
Solitair 8/400 (2004)
Solitair 9/300 (2004)
Solitair 9/400 (2004)
Solitair 9/400K (2004)
Solitair 9/400KA (2004)
Solitair 9/450K (2004)
Solitair 9/450KA (2004)
Solitair 9/500K (2004)
Solitair 9/500KA (2009)
Solitair 9/600K (2004)
Solitair 9/600KA (2004)
System-Kompaktor Gigant 1000 (2010)
System-Kompaktor Gigant 800 (2010)
System-Kompaktor K450 (2010)
System-Kompaktor K450A (2010)
System-Kompaktor K500 (2010)
System-Kompaktor K500A (2010)
System-Kompaktor K600 (2010)
System-Kompaktor K600A (2010)
System-Kompaktor S300 (2010)
System-Kompaktor S400 (2010)
System-Korund 300 L (2010)
System-Korund 450 L (2010)
System-Korund 600 L (2010)
System-Korund 750 K (750 L) (2010)
System-Korund 900 K (2010)
System-Korund 900 L (2010)
Thorit 8/300 (2005)
Thorit 8/300 Combi-Liner (2004)
Thorit 8/400 (2010)
Thorit 8/400 Combi-Liner (2004)
Thorit 9/400 K (2004)
Thorit 9/400 KA (2003)
Thorit 9/450 K (2004)
Thorit 9/500 K (2004)
Thorit 9/500 KA (2003)
Thorit 9/600 K (2004)
Thorit 9/600 KA (2003)
Topas 140-A (2010)
Vari-Diamant 10 (2004)
Vari-Diamant 10X (2004)
Vari-Opal 100 (2014)
Vari-Opal 100HX (2014)
Vari-Opal 100X (2014)
Vari-Opal 160 (2014)
Vari-Opal X160 (2014)
Vari-Titan 10 (2010)
Vari-Turmalin 10 (2005)
Vari-Turmalin 10X (2005)
Variopack 110DP70 (2010)
Variopack 110DP90 (2010)
Variopack 110EP90 (2010)
Variopack 110FEPK700 (2010)
Variopack 80DP70 (2010)
Variopack S 110DP70 (2010)
VariOpal 5 (2010)
VariOpal 7 (2010)
VariOpal 7X (2010)
VariOpal 8 (2010)
VariOpal 8X (2010)
VariOpal 9 (2010)
VariOpal 9X (2010)
Zirkon 10/300 (2010)
Zirkon 10/400 (2010)
Zirkon 10/400K (2010)
Zirkon 10/450 (2010)
Zirkon 10/450K (2010)
Zirkon 10/450KA (2010)
Zirkon 10/500K (2010)
Zirkon 10/500KA (2010)
Zirkon 10/600KA (2010)
Zirkon 7/250 (2010)
Zirkon 7/300 (2010)
Zirkon 7/400 (2010)
Zirkon 9/300 (2010)
Zirkon 9/400 (2010)
Zirkon 9/600K "B" (2010)
Схема
>
Не выбрано
Zirkon 7/300
Top link pin, cpl.AT2 D25,4x140
Top link pin with chain KAT2G D25,4/31,7x158
Top link pin with chain KAT3G D31,7/25,4x158
Gear box w. change gears Zirkon 7/300+400
Side plates Zirkon 7
Side plates Zirkon 7/9 V
Spring holder for side plates Zirkon 7/9
Spring holder for side plates Zirkon 7/9
Frame carrier f. track scraper Zirkon 7/300
Protection tubes Zirkon 7/300 P+S
Safety device Zirkon 7/300
Protection bar Zirkon 7/300
Leveling bar Zirkon 7/300+9/300
Holder for levelling bar Zirkon 7/9 120x12x142-HF-A
Holder for levelling bar Zirkon 7/9-H
Holder for levelling bar Zirkon 7-V
Gear bed Zirkon 7/300-LT
Gear bed Zirkon 7/300-ST
Carrier ZPW420+ZPW500
Carrier 80x20x666 - RSW
Adjuster 70x12 21xD17
Flexi-Coil roller D450 50x50 3,0m
Tube bar roller RSW D400-3,0m
Packer roller ZPW D500-3,0m
Packer roller ZPW D420-3,0m
Tube bar roller RSW D540-3,0m
Trapezering roller TRW D500-3,0m
Trapezering roller TRW D500-300-A-17R
Trapezering roller TRW D500-300-B-25R
Trapezering roller TRW D500-300-B-24R
Trapezering roller TRW D500-300-B-17R
Trapeze packer roller TPW D500-300-24R-125
Packer roller, short scraper ZPW D500-3,0m
Trapeze packer roller TPW D500-300-20R150
Trapeze packer roller TPW D500-300-17R175
Headstock Zirkon 7/300-D55-LT
Headstock Zirkon 6/7/9-ST
Zapfwellenschutz Durchtrieb 1.3/8
PTO guard Zirkon 7/300+400
Track scraper with holder FSU-G25 70x70
Lower link connection D55/P L2 Z2
Lower link connection D55/P L2 Z3
Lower link connection D55/P L3 Z2
Lower link connection D55/P L3 Z3
T.p.-linkage, triangular Zirkon 6/7/9
Fittings FH Solitair/Zirkon 9
Fittings FH Solitair/Zirkon 7
Fittings FK Solitair/Zirkon 9
Kupplungsteil FK Solitair/Zirkon 7
Hydraulic lift linkage Zirkon 7-AHG-LT
Hydraulic lift linkage Zirkon 6/7/9-AHG-ST
Turnbuckle with chain TG-250-M
Turnbuckle TG-250-M
Turnbuckle with chain TG-370-M
Turnbuckle TG-370-M
Carrier for tube bar roller Zirkon 7/9-FA
Front headstock FAB-Zirkon 7-LT
Front headstock FAB-Zirkon 6/7/9-ST
Parts for front mounting Zirkon 7/250+300-LT
Parts for front mounting Zirkon 6/7/9-ST
Blade tine Zirkon 7/300
Blade tine, hardfaced Zirkon 7/300
Carrier for light LH 14
Lighting equipment with boards HVR+HVL5m
Hydraulic assembly SA 80x245-AHG-LT
Hydraulic assembly DA 80x245-AHG-LT
Hydraulic assembly SA 80x320-AHG-ST
Hydraulic assembly SA 90x320-AHG-ST
Hydraulic assembly DA 80x320-AHG-ST
Hydraulic assembly DA 90x320-AHG-ST
Conversion-set lift linkage AHG-Zirkon 6/7/9
Conversion-set lift limiter AHG-HB
Conversion-set HY-DA AHG-FA
Conversion-set HY-SA AHG-FA
HY-assembly track marker Zirkon 250-300
Conversion set track marker 682 1249 in 682 1274
Swivel bracket D35 247 RE A
Swivel bracket D35 247 LI A
Swivel bracket D35 247 RE B
Swivel bracket D35 247 LI B
Feeding disc D450/60x20 RE Zirkon
Feeding disc D450/60x20 LI Zirkon
Feeding disc D450/60x20 RE Zirkon
Feeding disc D450/60x20 LI Zirkon
Track marker Z300 D380
Track marker Zirkon 250+300 D380 B
Swivel bracket Zirkon/Quarz
Swivel bracket Zirkon mit Planierbalken vorne
Changing-over, track marker Zirkon 7 / Quarz 7
Changing-over, track marker Turm Zirkon 9
Rods for track markers Zirkon/Quarz 300 cm
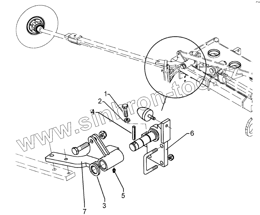
1
2
3
4
5
6
7
Позиция на иллюстрации
Заводской номер детали
Название детали
1
301 3774
Screw
2
303 0976
Nut
3
305 6955
Washer
4
309 6211
Expansion bush
5
323 6348
Grease nipple
6
482 1300
Axle with plate
7
482 1302
Swivel bracket
Содержащиеся в справочниках-каталогах запасные части и детали не предлагаются к продаже, а носят исключительно информационный характер
Дополнительная информация
×
Название:
Номер:
Примечание: