Вернуться на главную
Поиск
Каталоги запчастей к технике
Сельхозтехника
Lemken
VariOpal 9
Skim stalk EV-260/179 50x30 H900
Каталог запасных частей к технике: Lemken VariOpal 9. Skim stalk EV-260/179 50x30 H900
zoom-in
zoom-out
enlarge
shrink
circle-right
circle-left
file-text2
info
cart
Тип техники
Не выбрано
Легковые автомобили
Грузовые автомобили и прицепы
Автобусы
Сельхозтехника
Спецтехника
Двигатели
Мототехника
Марка
Не выбрано
AGCO
Amity
CASE IH
DongFeng
Fortschritt
Foton
Franz Kleine
Gaspardo
Great Plains
KRONE
KUHN
Lemken
Lovol
MacDon
Massey Ferguson
New Holland
TIGARBO
Vaderstad
Versatile
Wirax
Агро
Агротехмаш
Бобруйскагромаш (ОАО «УКХ «Бобруйскагромаш»)
БЭМЗ
ВгТЗ
Воронежсельмаш
ВТЗ
Гомсельмаш
ДКЗ
ЗАО "Техника-сервис"
ЗиД
КЗК
Кировец-Ландтехник
Клевер
Красная Звезда
Лидагропроммаш
Лидсельмаш
ЛТЗ
Машстройхолдинг
Минитракторы
Мордовагромаш
МТЗ
Навигатор-Новое машиностроение
Нефтекамский автозавод
ПТЗ
Ремком
РСМ
Сибсельмаш
ТеКЗ
ТКЗ
ХЗТСШ
ХТЗ
ЮМЗ
Модель
Не выбрано
Achat 9/400 KA (2004)
Achat 9/500 KA (2004)
Achat 9/600 KA (2004)
Azurit 9 (2018)
Dolomit 9 (2010)
EuroDiamant 10 (2010)
EuroDiamant 10 X (2010)
EuroDiamant 8 (2010)
EuroGranat 5 (2006)
EuroGranat 6 (2006)
EuroGranat 7 (2006)
EurOpal 5 (2010)
EurOpal 5HX (2010)
EurOpal 6 (2010)
EurOpal 7 (2010)
EurOpal 7, EurOpal 7HX (2018)
EurOpal 7X (2010)
EurOpal 7X, EurOpal 7 HydriX (2018)
EurOpal 8 (2010)
EurOpal 9 (2010)
EuroTitan 10 (2010)
EuroTitan 10X (2010)
FixPack (2010)
Gigant 1000 (2010)
Gigant 1000 Smaragd (2010)
Gigant 800 (2010)
Gigant 800 S (2010)
Gigant 800 S Rubin (2006)
Gigant 800 Smaragd (2010)
Heliodor 9/600KA (2018)
Heliodor 9/700KA (2018)
Juwel 8M (2018)
Karat 9/600 KA (2016)
Kristall 9/500KA (2016)
Kristall 9/600KA (2016)
OptiDisc 25 (2018)
Primus 10 (Часть 1) (2017)
Primus 10 (Часть 2) (2017)
Quarz 7/250 (2010)
Quarz 7/250 F (2010)
Quarz 7/300 (2010)
Quarz 7/300F (2010)
Quarz 7/400 (2010)
Quarz 7/400F (2010)
Quarz 7/400K (2010)
Quarz 7/400KA (2010)
Quarz 7/500K (2010)
Quarz 7/500KA (2010)
Quarz 7/600K (2010)
Rubin 10/600 KUA (2018)
Rubin 10/700 KUA (2018)
Rubin 12/400 KUA (A) (2018)
Rubin 12/500 KUA (A) (2018)
Rubin 12/600 KUA (A) (2018)
Rubin 12/700 KUA (2018)
Rubin 9/300 U (2004)
Rubin 9/400 U (2004)
Saphir 7/300 (2010)
Saphir 7/400 (2010)
Smaragd 7/260 (2010)
Smaragd 7/300 (2010)
Smaragd 9/300 (2010)
Smaragd 9/400 (2010)
Smaragd 9/400 (2016)
Smaragd 9/400 K (2016)
Smaragd 9/400K (2010)
Smaragd 9/450K (2010)
Smaragd 9/500 K (2016)
Smaragd 9/500K (2004)
Smaragd 9/600 K (2016)
Smaragd 9/600K (2010)
Smaragd 9/600KA (2010)
Solitair 10/600K (2006)
Solitair 12/1000K (2007)
Solitair 12/1200K (2008)
Solitair 12/1200KD (2018)
Solitair 12/5800SW (2018)
Solitair 12/800K (2006)
Solitair 12/900K (2007)
Solitair 8/300 (2004)
Solitair 8/300 (2014)
Solitair 8/400 (2004)
Solitair 9/300 (2004)
Solitair 9/400 (2004)
Solitair 9/400K (2004)
Solitair 9/400KA (2004)
Solitair 9/450K (2004)
Solitair 9/450KA (2004)
Solitair 9/500K (2004)
Solitair 9/500KA (2009)
Solitair 9/600K (2004)
Solitair 9/600KA (2004)
System-Kompaktor Gigant 1000 (2010)
System-Kompaktor Gigant 800 (2010)
System-Kompaktor K450 (2010)
System-Kompaktor K450A (2010)
System-Kompaktor K500 (2010)
System-Kompaktor K500A (2010)
System-Kompaktor K600 (2010)
System-Kompaktor K600A (2010)
System-Kompaktor S300 (2010)
System-Kompaktor S400 (2010)
System-Korund 300 L (2010)
System-Korund 450 L (2010)
System-Korund 600 L (2010)
System-Korund 750 K (750 L) (2010)
System-Korund 900 K (2010)
System-Korund 900 L (2010)
Thorit 8/300 (2005)
Thorit 8/300 Combi-Liner (2004)
Thorit 8/400 (2010)
Thorit 8/400 Combi-Liner (2004)
Thorit 9/400 K (2004)
Thorit 9/400 KA (2003)
Thorit 9/450 K (2004)
Thorit 9/500 K (2004)
Thorit 9/500 KA (2003)
Thorit 9/600 K (2004)
Thorit 9/600 KA (2003)
Topas 140-A (2010)
Vari-Diamant 10 (2004)
Vari-Diamant 10X (2004)
Vari-Opal 100 (2014)
Vari-Opal 100HX (2014)
Vari-Opal 100X (2014)
Vari-Opal 160 (2014)
Vari-Opal X160 (2014)
Vari-Titan 10 (2010)
Vari-Turmalin 10 (2005)
Vari-Turmalin 10X (2005)
Variopack 110DP70 (2010)
Variopack 110DP90 (2010)
Variopack 110EP90 (2010)
Variopack 110FEPK700 (2010)
Variopack 80DP70 (2010)
Variopack S 110DP70 (2010)
VariOpal 5 (2010)
VariOpal 7 (2010)
VariOpal 7X (2010)
VariOpal 8 (2010)
VariOpal 8X (2010)
VariOpal 9 (2010)
VariOpal 9X (2010)
Zirkon 10/300 (2010)
Zirkon 10/400 (2010)
Zirkon 10/400K (2010)
Zirkon 10/450 (2010)
Zirkon 10/450K (2010)
Zirkon 10/450KA (2010)
Zirkon 10/500K (2010)
Zirkon 10/500KA (2010)
Zirkon 10/600KA (2010)
Zirkon 7/250 (2010)
Zirkon 7/300 (2010)
Zirkon 7/400 (2010)
Zirkon 9/300 (2010)
Zirkon 9/400 (2010)
Zirkon 9/600K "B" (2010)
Схема
>
Не выбрано
Vari-Opal 9
Top link pin with chain KAT2G D25,4/31,7x158
Top link pin with chain KAT3G D31,7/25,4x158
Tool set EurOpal 8/9+Opal 160
Turnover mechanism E120
Turnover mechanism E120-0F
Locking device D25x260
Width adjuster TR36x3/750/570
Adjustment centre V-60/650
Adjustment centre E-60/1031 OF
Stand V-R750-800 915mm
Stand V-R900 1005mm
Lower link connection E55 L2 Z2
Lower link connection E55 L2 Z3
Lower link connection E55 L3 Z2
Lower link connection E68 L3 Z3
Lower link connection E55FH L2 Z2
Lower link connection E55FH L3 Z2
Lower link connection E55FH L2 Z3
Lower link connection E68FH L3 Z3
Pointer Vari-Opal 9-90
Pointer Vari-Opal 9-100
Pointer Vari-Opal 9-120
Basic frame VO 9 5-100
Basic frame VO 9 5-90
Basic frame VO 9 4-100
Basic frame VO 9 4-90
Basic frame VO 9 3-90
Basic frame VO 9 3-100
Basic frame VO 9 5-120
Basic frame VO 9 4-120
Basic frame VO 9 3-120
Rod Vari-Opal 9/9X-3-90
Rod Vari-Opal 9/9X-4-90
Rod Vari-Opal 9/9X-5-90 mit Rad
Rod Vari-Opal 9/9X-3-90
Rod Vari-Opal 9/9X-4-90
Rod Vari-Opal 9/9X-5-90 ohne Rad
Rod Vari-Opal 9/9X-3-100
Rod Vari-Opal 9/9X-4-100
Rod for wheel Vari-Opal 9/9X-5-100
Rod Vari-Opal 9/9X-3-100
Rod Vari-Opal 9/9X-4-100
Rod Vari-Opal 9/9X-5-100 ohne Rad
Rod Vari-Opal 9/9X-3-120
Rod Vari-Opal 9/9X-4-120
Rod Vari-Opal 9/9X-5-120 mit Rad
Rod Vari-Opal 9/9X-3-120
Rod Vari-Opal 9/9X-4-120
Rod Vari-Opal 9/9X-5-120 ohne Rad
Frame extension VO 9-100
Frame extension VO 9-90
Rod Anbauteil VO 9/9X-3-90
Rod Anbauteil VO 9/9X-4/5/6-90
Rod Anbauteil VO 9/9X-3-100
Rod Anbauteil VO 9/9X-4/5/6-100
Rod Anbauteil VO 9/9X-3-120
Rod Anbauteil VO 9/9X-4/5/6-120
Skim stalk S 50x30-260 H750
Skim stalk S1 50x30-260 H800
Skim stalk EV-260/179 50x30 H750
Skim stalk EV-260/179 50x30 H800
Skim stalk EV-V 260/179 50x30 H800-900
Skim stalk EV-260/179 50x30 H900
Skim stalk S 50x30-260 H900
Stalk bracket Vari-Opal 9
Stalk bracket Vari-Opal 9 Sech
Stalk bracket Vari-Opal 9-I
Stalk bracket Vari-Opal 9-I Sech
Stalk bracket Vari-Opal 9-I f.DE.
Stalk bracket Vari-Opal 9-I Sech/DE
Bolts for leg Dural
Leg 80x40/V
Leg 80x35/E
Depth wheel D35x148/160 VO 9
Depth wheel D35x198/160x615 VO9
Uni-wheel D35/148/160 VO 9 5/140
Uni-wheel D35/148/160 VO 9 6/205
Wheel 5/94/140 D14 10.0/80-12 8PR ET-25
Bearing 5/93,5/140 M14 50x50
Bearing V60-6/160/205 D18
Wheel 5/94/140 M14 10.0/75-15.3 12PR AW ET-20
Wheel 6/161/205 D18 10.0/75-15.3 12PR AW ET-25
Wheel 6/161/205 D18 D770/340
Depth wheel V9 10,0/75-15.3
Depth wheel VO 9 10,0/80-12
Depth wheel VO9/615 10.0/80-12
Uni-wheel VO 9 10.0/80-12
Uni-wheel VO 9 10.0/75-15.3
Uni-wheel VO 9 13.0/55-16
Carrier for light LH 1
Carrier for light LH3A UNI
Lighting equipment with boards HR+HL7m
Disc coulter VO 9 D500 A Z Z40
Disc coulter VO 9 D500 A G-Z40
Disc coulter VO 9 D500-M G
Disc coulter VO 9 D500-M Z
Headland attachment disc GPS-E9-D530
Attachment arm E2V
Bracket E9 D16/200x25+115 kpl.
Check chain for attachment arm Vari-Opal 7/8/9
HY-assembly attachment arm PA-E1-D
HY-assembly attachment arm PA-E1-K
Width adjuster DZ90/40/100-600 N WE
HY-width adjuster Memory-VUP DZ90/40/100-600 WE
HY-turnover device D80/233 VUP HPS-II-A
HY-turnover device D90 VUP HPS-II-AR
HY-turnover device D80/237 Vari-Stop
HY-turnover device D80/237 Vari-Stop-Memory
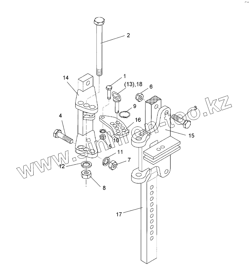
1
2
3
4
5
6
7
8
9
10
11
12
14
15
16
17
18
Позиция на иллюстрации
Заводской номер детали
Название детали
1
301 3366
Bolt
2
301 4546
Bolt
3
301 3867
Bolt
4
301 5385
Bolt
5
303 0972
Nut
6
303 0935
Selflocking nut
7
303 0976
Nut
8
303 0977
Nut
9
305 8551
Securing clip
10
305 9885
Spring ring
11
305 9887
Spring ring
12
305 9888
Spring ring
14
457 7207
Bracket
15
457 7208
Swivel bracket
16
457 7204
Lashing
17
463 8651
Skim stalk
18
313 8158
Pin with grip
Содержащиеся в справочниках-каталогах запасные части и детали не предлагаются к продаже, а носят исключительно информационный характер
Дополнительная информация
×
Название:
Номер:
Примечание: