Вернуться на главную
Поиск
Каталоги запчастей к технике
Сельхозтехника
Lemken
Vari-Opal X160
661 2141 Three point connection
Каталог запасных частей к технике: Lemken Vari-Opal X160. 661 2141 Three point connection
zoom-in
zoom-out
enlarge
shrink
circle-right
circle-left
file-text2
info
cart
Тип техники
Не выбрано
Легковые автомобили
Грузовые автомобили и прицепы
Автобусы
Сельхозтехника
Спецтехника
Двигатели
Мототехника
Марка
Не выбрано
AGCO
Amity
CASE IH
DongFeng
Fortschritt
Foton
Franz Kleine
Gaspardo
Great Plains
KRONE
KUHN
Lemken
Lovol
MacDon
Massey Ferguson
New Holland
TIGARBO
Vaderstad
Versatile
Wirax
Агро
Агротехмаш
Бобруйскагромаш (ОАО «УКХ «Бобруйскагромаш»)
БЭМЗ
ВгТЗ
Воронежсельмаш
ВТЗ
Гомсельмаш
ДКЗ
ЗАО "Техника-сервис"
ЗиД
КЗК
Кировец-Ландтехник
Клевер
Красная Звезда
Лидагропроммаш
Лидсельмаш
ЛТЗ
Машстройхолдинг
Минитракторы
Мордовагромаш
МТЗ
Навигатор-Новое машиностроение
Нефтекамский автозавод
ПТЗ
Ремком
РСМ
Сибсельмаш
ТеКЗ
ТКЗ
ХЗТСШ
ХТЗ
ЮМЗ
Модель
Не выбрано
Achat 9/400 KA (2004)
Achat 9/500 KA (2004)
Achat 9/600 KA (2004)
Azurit 9 (2018)
Dolomit 9 (2010)
EuroDiamant 10 (2010)
EuroDiamant 10 X (2010)
EuroDiamant 8 (2010)
EuroGranat 5 (2006)
EuroGranat 6 (2006)
EuroGranat 7 (2006)
EurOpal 5 (2010)
EurOpal 5HX (2010)
EurOpal 6 (2010)
EurOpal 7 (2010)
EurOpal 7, EurOpal 7HX (2018)
EurOpal 7X (2010)
EurOpal 7X, EurOpal 7 HydriX (2018)
EurOpal 8 (2010)
EurOpal 9 (2010)
EuroTitan 10 (2010)
EuroTitan 10X (2010)
FixPack (2010)
Gigant 1000 (2010)
Gigant 1000 Smaragd (2010)
Gigant 800 (2010)
Gigant 800 S (2010)
Gigant 800 S Rubin (2006)
Gigant 800 Smaragd (2010)
Heliodor 9/600KA (2018)
Heliodor 9/700KA (2018)
Juwel 8M (2018)
Karat 9/600 KA (2016)
Kristall 9/500KA (2016)
Kristall 9/600KA (2016)
OptiDisc 25 (2018)
Primus 10 (Часть 1) (2017)
Primus 10 (Часть 2) (2017)
Quarz 7/250 (2010)
Quarz 7/250 F (2010)
Quarz 7/300 (2010)
Quarz 7/300F (2010)
Quarz 7/400 (2010)
Quarz 7/400F (2010)
Quarz 7/400K (2010)
Quarz 7/400KA (2010)
Quarz 7/500K (2010)
Quarz 7/500KA (2010)
Quarz 7/600K (2010)
Rubin 10/600 KUA (2018)
Rubin 10/700 KUA (2018)
Rubin 12/400 KUA (A) (2018)
Rubin 12/500 KUA (A) (2018)
Rubin 12/600 KUA (A) (2018)
Rubin 12/700 KUA (2018)
Rubin 9/300 U (2004)
Rubin 9/400 U (2004)
Saphir 7/300 (2010)
Saphir 7/400 (2010)
Smaragd 7/260 (2010)
Smaragd 7/300 (2010)
Smaragd 9/300 (2010)
Smaragd 9/400 (2010)
Smaragd 9/400 (2016)
Smaragd 9/400 K (2016)
Smaragd 9/400K (2010)
Smaragd 9/450K (2010)
Smaragd 9/500 K (2016)
Smaragd 9/500K (2004)
Smaragd 9/600 K (2016)
Smaragd 9/600K (2010)
Smaragd 9/600KA (2010)
Solitair 10/600K (2006)
Solitair 12/1000K (2007)
Solitair 12/1200K (2008)
Solitair 12/1200KD (2018)
Solitair 12/5800SW (2018)
Solitair 12/800K (2006)
Solitair 12/900K (2007)
Solitair 8/300 (2004)
Solitair 8/300 (2014)
Solitair 8/400 (2004)
Solitair 9/300 (2004)
Solitair 9/400 (2004)
Solitair 9/400K (2004)
Solitair 9/400KA (2004)
Solitair 9/450K (2004)
Solitair 9/450KA (2004)
Solitair 9/500K (2004)
Solitair 9/500KA (2009)
Solitair 9/600K (2004)
Solitair 9/600KA (2004)
System-Kompaktor Gigant 1000 (2010)
System-Kompaktor Gigant 800 (2010)
System-Kompaktor K450 (2010)
System-Kompaktor K450A (2010)
System-Kompaktor K500 (2010)
System-Kompaktor K500A (2010)
System-Kompaktor K600 (2010)
System-Kompaktor K600A (2010)
System-Kompaktor S300 (2010)
System-Kompaktor S400 (2010)
System-Korund 300 L (2010)
System-Korund 450 L (2010)
System-Korund 600 L (2010)
System-Korund 750 K (750 L) (2010)
System-Korund 900 K (2010)
System-Korund 900 L (2010)
Thorit 8/300 (2005)
Thorit 8/300 Combi-Liner (2004)
Thorit 8/400 (2010)
Thorit 8/400 Combi-Liner (2004)
Thorit 9/400 K (2004)
Thorit 9/400 KA (2003)
Thorit 9/450 K (2004)
Thorit 9/500 K (2004)
Thorit 9/500 KA (2003)
Thorit 9/600 K (2004)
Thorit 9/600 KA (2003)
Topas 140-A (2010)
Vari-Diamant 10 (2004)
Vari-Diamant 10X (2004)
Vari-Opal 100 (2014)
Vari-Opal 100HX (2014)
Vari-Opal 100X (2014)
Vari-Opal 160 (2014)
Vari-Opal X160 (2014)
Vari-Titan 10 (2010)
Vari-Turmalin 10 (2005)
Vari-Turmalin 10X (2005)
Variopack 110DP70 (2010)
Variopack 110DP90 (2010)
Variopack 110EP90 (2010)
Variopack 110FEPK700 (2010)
Variopack 80DP70 (2010)
Variopack S 110DP70 (2010)
VariOpal 5 (2010)
VariOpal 7 (2010)
VariOpal 7X (2010)
VariOpal 8 (2010)
VariOpal 8X (2010)
VariOpal 9 (2010)
VariOpal 9X (2010)
Zirkon 10/300 (2010)
Zirkon 10/400 (2010)
Zirkon 10/400K (2010)
Zirkon 10/450 (2010)
Zirkon 10/450K (2010)
Zirkon 10/450KA (2010)
Zirkon 10/500K (2010)
Zirkon 10/500KA (2010)
Zirkon 10/600KA (2010)
Zirkon 7/250 (2010)
Zirkon 7/300 (2010)
Zirkon 7/400 (2010)
Zirkon 9/300 (2010)
Zirkon 9/400 (2010)
Zirkon 9/600K "B" (2010)
Схема
>
Не выбрано
313 7911 Contents
321 9121 Tool set
633 7225 Turnover mechanism
633 7226 Turnover mechanism
633 7230 Turnover mechanism
633 7231 Turnover mechanism
633 7431 Locking device
602 8200 Basic frame
602 8201 Basic frame
602 8205 Basic frame
602 8206 Basic frame
602 8230 Frame extension
602 8232 Frame extension
313 7911 Top link pin with chain
313 7921 Top link pin with chain
634 1642 Width adjuster
634 3155 Adjustment centre
629 2510 Stand
661 1215 Three point connection
661 1221 Three point connection
661 1240 Three point connection
661 1350 Lower link connection
661 1354 Lower link connection
661 1372 Lower link connection
661 2140 Three point connection
661 2141 Three point connection
661 2190 Lower link quick connection
661 4127 Spacer block
321 9212 Pointer
321 9217 Pointer
321 9218 Pointer
321 9219 Pointer
602 2409 Beam guiding
602 2410 Beam guiding
602 2411 Beam guiding
602 2412 Beam guiding
549 8846 Wheel 6/100/140 D16
549 8847 Wheel 6/100/140 D16
549 8848 Wheel 6/100/140 D16
549 8849 Wheel 5/94/140 D14
549 8850 Wheel 6/161/205 D18
549 8886 Bearing
549 8893 Bearing
549 8894 Bearing
550 8863 Wheel 6/161/205 D18
648 7710 Depth wheel, lateral
648 7715 Depth wheel, lateral
648 7721 Depth wheel, lateral
649 1290 Uni-wheel
649 1295 Uni-wheel
649 1304 Uni-wheel
649 1315 Uni-wheel
649 1319 Uni-wheel
649 1324 Uni-wheel
649 1332 Uni-wheel 10.0/80-12
373 4150 Extension cable
670 1151 Carrier for light
670 1200 Carrier for light
670 2012 Warning boards with lighting
575 2430 Ram
575 2440 Memory ram
575 2443 Memory ram
575 2444 Memory ram
575 2445 Memory ram
575 2472 Change over ram
575 2475 Switch over ram for VUP
575 2476 Switch over ram for VUP
575 9905 Conversion-set
675 1316 HY-assembly attachment arm
675 1320 HY-assembly attachment arm
675 3322 HY-assembly turnover device
675 3323 HY-turnover device for VUP
675 3324 HY-turnover device for VUP
675 3569 Width adjuster
675 3571 HY-width adjuster Memory
675 3572 Width adjuster
675 3575 HY-width adjuster Memory-VUP
675 3576 Width adjuster
675 3581 Width adjuster
675 3582 HY-width adjuster Memory
675 3586 HY-width adjuster Memory
675 3588 HY-width adjuster Memory
675 3590 Memory connection M+S to P+T
675 3591 Memory connection M+S to P+T
663 8472 Skim stalk
663 8474 Skim stalk
663 8730 Skim stalk
626 5670 Lock
626 8156 Trip device+double springs
626 8169 Trip device with roller
464 3842 Leg
464 3852 Leg
464 4000 Leg
699 6000 Bolts for leg
657 7818 Trip disc-coulter
657 7819 Trip disc-coulter
657 7820 Trip disc-coulter
657 7821 Trip disc-coulter
657 7832 Trip disc-coulter
657 7833 Trip disc-coulter
657 9332 Disc arm
657 9333 Disc arm
663 7840 Disc stalk
622 2603 Attachment arm
1
2
3
4
5
6
7
8
9
10
10
11
12
13
14
15
Позиция на иллюстрации
Заводской номер детали
Название детали
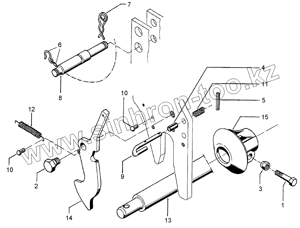
1
301 3868
Bolt
2
301 6425
Bolt
3
303 0935
Selflocking nut
4
305 8560
Securing clip with chain
5
309 3337
Expansion bush
6
309 6038
Expansion bush
7
311 8610
Spring pin
8
313 7901
Top link pin
9
313 8646
Pin
10
315 9710
Rivet
11
329 8106
Spring
12
329 8495
Spring
13
461 7925
Drawbar
14
461 8179
Hook
15
461 9891
Stop
Содержащиеся в справочниках-каталогах запасные части и детали не предлагаются к продаже, а носят исключительно информационный характер
Дополнительная информация
×
Название:
Номер:
Примечание: