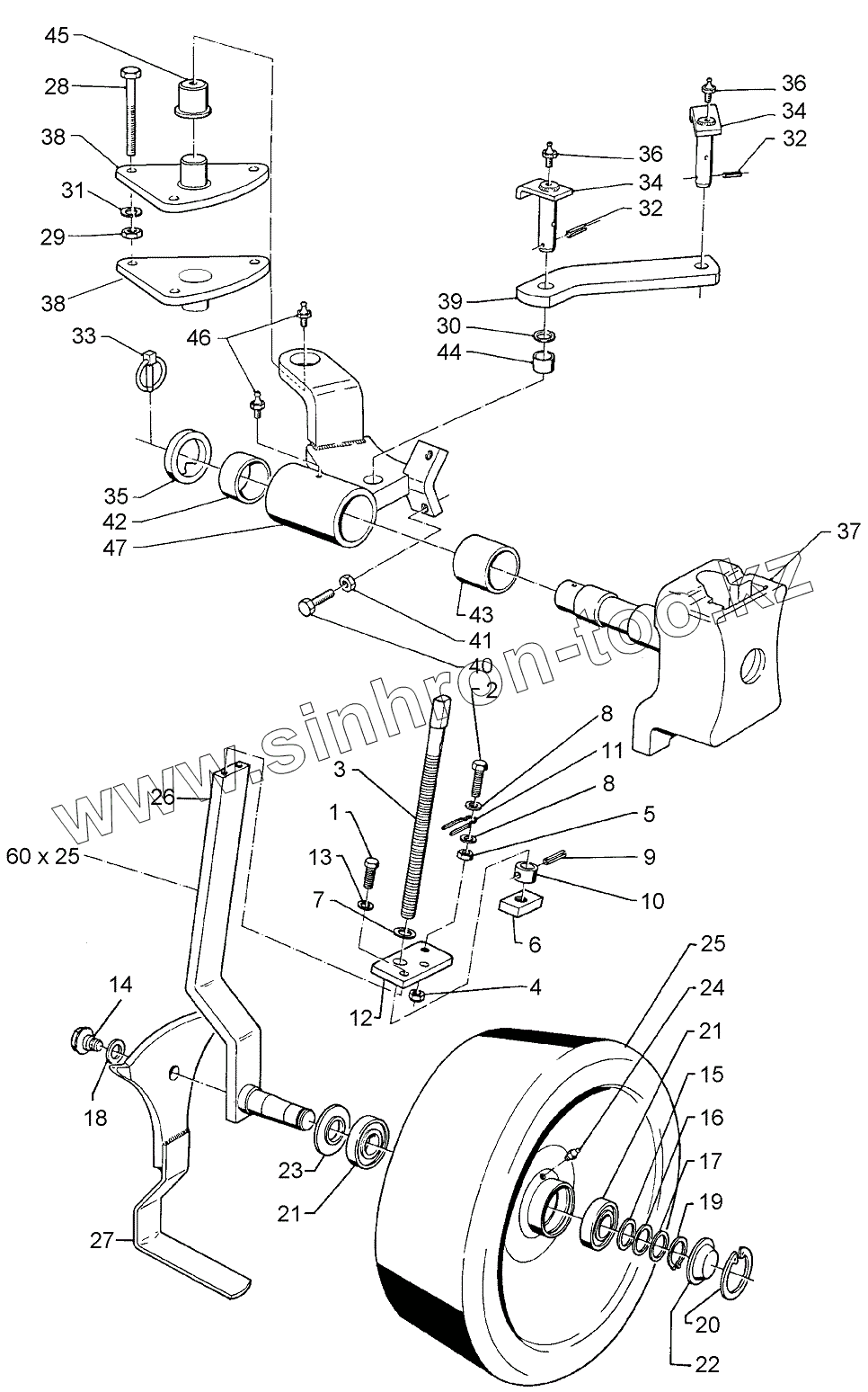
Каталог запасных частей к технике: Lemken Vari-Opal 100X. 648 7697 Depth wheel, lateral
1
2
3
4
5
6
7
8
9
9
10
10
12
13
14
15
16
17
18
19
20
21
21
22
23
25
25
26
27
28
29
30
31
32
32
33
34
34
35
36
37
37
38
38
39
40
41
42
43
44
45
47
| Позиция на иллюстрации | Заводской номер детали | Название детали | |
|---|---|---|---|
| 1 | 301 7380 | Screw | |
| 2 | 301 7285 | Screw | |
| 3 | 302 7924 | Screw | |
| 4 | 303 0932 | Selflocking nut | |
| 5 | 303 1011 | Nut | |
| 6 | 303 8644 | Nut for screw | |
| 7 | 305 6012 | Washer | |
| 8 | 305 8694 | Washer | |
| 9 | 309 6940 | Expansion bush | |
| 10 | 317 6896 | Tube | |
| 11 | 329 8616 | Clamp | |
| 12 | 449 1133 | Holder | |
| 13 | 305 6141 | Washer | |
| 14 | 301 6427 | Hexagon bolt | |
| 15 | 305 2070 | Shim | |
| 16 | 305 2071 | Shim | |
| 17 | 305 2072 | Shim | |
| 18 | 305 6276 | Washer | |
| 19 | 305 8872 | Securing ring | |
| 20 | 305 8938 | Securing ring | |
| 21 | 319 8602 | Bearing | |
| 22 | 323 0365 | Cap | |
| 23 | 323 1601 | Washer | |
| 25 | 447 8745 | Wheel | |
| 26 | 448 2501 | Wheel stalk | |
| 27 | 449 1632 | Tine | |
| 28 | 301 3628 | Hexagon bolt | |
| 29 | 303 0992 | Hexagon nut | |
| 30 | 305 6273 | Washer | |
| 31 | 305 9886 | Spring ring | |
| 32 | 309 6054 | Expansion bush | |
| 33 | 311 9302 | Securing pin | |
| 34 | 313 8054 | Pin with stop | |
| 35 | 317 6901 | Ring | |
| 36 | 323 6348 | Grease nipple | |
| 37 | 448 9402 | Stalk guiding | |
| 38 | 449 1995 | Bearing plate | |
| 39 | 459 1138 | Clamp plate | |
| 40 | 301 5141 | Hexagon bolt | |
| 41 | 303 0978 | Nut | |
| 42 | 317 2005 | Expansion bush | |
| 43 | 317 2015 | Expansion bush | |
| 44 | 317 3408 | Expansion bush | |
| 45 | 317 9310 | Flange bushing | |
| 47 | 448 7302 | Wheel bracket |
Содержащиеся в справочниках-каталогах запасные части и детали не предлагаются к продаже, а носят исключительно информационный характер