Вернуться на главную
Поиск
Каталоги запчастей к технике
Сельхозтехника
Lemken
Vari-Opal 100HX
648 7697 Depth wheel, lateral
Каталог запасных частей к технике: Lemken Vari-Opal 100HX. 648 7697 Depth wheel, lateral
zoom-in
zoom-out
enlarge
shrink
circle-right
circle-left
file-text2
info
cart
Тип техники
Не выбрано
Легковые автомобили
Грузовые автомобили и прицепы
Автобусы
Сельхозтехника
Спецтехника
Двигатели
Мототехника
Марка
Не выбрано
AGCO
Amity
CASE IH
DongFeng
Fortschritt
Foton
Franz Kleine
Gaspardo
Great Plains
KRONE
KUHN
Lemken
Lovol
MacDon
Massey Ferguson
New Holland
TIGARBO
Vaderstad
Versatile
Wirax
Агро
Агротехмаш
Бобруйскагромаш (ОАО «УКХ «Бобруйскагромаш»)
БЭМЗ
ВгТЗ
Воронежсельмаш
ВТЗ
Гомсельмаш
ДКЗ
ЗАО "Техника-сервис"
ЗиД
КЗК
Кировец-Ландтехник
Клевер
Красная Звезда
Лидагропроммаш
Лидсельмаш
ЛТЗ
Машстройхолдинг
Минитракторы
Мордовагромаш
МТЗ
Навигатор-Новое машиностроение
Нефтекамский автозавод
ПТЗ
Ремком
РСМ
Сибсельмаш
ТеКЗ
ТКЗ
ХЗТСШ
ХТЗ
ЮМЗ
Модель
Не выбрано
Achat 9/400 KA (2004)
Achat 9/500 KA (2004)
Achat 9/600 KA (2004)
Azurit 9 (2018)
Dolomit 9 (2010)
EuroDiamant 10 (2010)
EuroDiamant 10 X (2010)
EuroDiamant 8 (2010)
EuroGranat 5 (2006)
EuroGranat 6 (2006)
EuroGranat 7 (2006)
EurOpal 5 (2010)
EurOpal 5HX (2010)
EurOpal 6 (2010)
EurOpal 7 (2010)
EurOpal 7, EurOpal 7HX (2018)
EurOpal 7X (2010)
EurOpal 7X, EurOpal 7 HydriX (2018)
EurOpal 8 (2010)
EurOpal 9 (2010)
EuroTitan 10 (2010)
EuroTitan 10X (2010)
FixPack (2010)
Gigant 1000 (2010)
Gigant 1000 Smaragd (2010)
Gigant 800 (2010)
Gigant 800 S (2010)
Gigant 800 S Rubin (2006)
Gigant 800 Smaragd (2010)
Heliodor 9/600KA (2018)
Heliodor 9/700KA (2018)
Juwel 8M (2018)
Karat 9/600 KA (2016)
Kristall 9/500KA (2016)
Kristall 9/600KA (2016)
OptiDisc 25 (2018)
Primus 10 (Часть 1) (2017)
Primus 10 (Часть 2) (2017)
Quarz 7/250 (2010)
Quarz 7/250 F (2010)
Quarz 7/300 (2010)
Quarz 7/300F (2010)
Quarz 7/400 (2010)
Quarz 7/400F (2010)
Quarz 7/400K (2010)
Quarz 7/400KA (2010)
Quarz 7/500K (2010)
Quarz 7/500KA (2010)
Quarz 7/600K (2010)
Rubin 10/600 KUA (2018)
Rubin 10/700 KUA (2018)
Rubin 12/400 KUA (A) (2018)
Rubin 12/500 KUA (A) (2018)
Rubin 12/600 KUA (A) (2018)
Rubin 12/700 KUA (2018)
Rubin 9/300 U (2004)
Rubin 9/400 U (2004)
Saphir 7/300 (2010)
Saphir 7/400 (2010)
Smaragd 7/260 (2010)
Smaragd 7/300 (2010)
Smaragd 9/300 (2010)
Smaragd 9/400 (2010)
Smaragd 9/400 (2016)
Smaragd 9/400 K (2016)
Smaragd 9/400K (2010)
Smaragd 9/450K (2010)
Smaragd 9/500 K (2016)
Smaragd 9/500K (2004)
Smaragd 9/600 K (2016)
Smaragd 9/600K (2010)
Smaragd 9/600KA (2010)
Solitair 10/600K (2006)
Solitair 12/1000K (2007)
Solitair 12/1200K (2008)
Solitair 12/1200KD (2018)
Solitair 12/5800SW (2018)
Solitair 12/800K (2006)
Solitair 12/900K (2007)
Solitair 8/300 (2004)
Solitair 8/300 (2014)
Solitair 8/400 (2004)
Solitair 9/300 (2004)
Solitair 9/400 (2004)
Solitair 9/400K (2004)
Solitair 9/400KA (2004)
Solitair 9/450K (2004)
Solitair 9/450KA (2004)
Solitair 9/500K (2004)
Solitair 9/500KA (2009)
Solitair 9/600K (2004)
Solitair 9/600KA (2004)
System-Kompaktor Gigant 1000 (2010)
System-Kompaktor Gigant 800 (2010)
System-Kompaktor K450 (2010)
System-Kompaktor K450A (2010)
System-Kompaktor K500 (2010)
System-Kompaktor K500A (2010)
System-Kompaktor K600 (2010)
System-Kompaktor K600A (2010)
System-Kompaktor S300 (2010)
System-Kompaktor S400 (2010)
System-Korund 300 L (2010)
System-Korund 450 L (2010)
System-Korund 600 L (2010)
System-Korund 750 K (750 L) (2010)
System-Korund 900 K (2010)
System-Korund 900 L (2010)
Thorit 8/300 (2005)
Thorit 8/300 Combi-Liner (2004)
Thorit 8/400 (2010)
Thorit 8/400 Combi-Liner (2004)
Thorit 9/400 K (2004)
Thorit 9/400 KA (2003)
Thorit 9/450 K (2004)
Thorit 9/500 K (2004)
Thorit 9/500 KA (2003)
Thorit 9/600 K (2004)
Thorit 9/600 KA (2003)
Topas 140-A (2010)
Vari-Diamant 10 (2004)
Vari-Diamant 10X (2004)
Vari-Opal 100 (2014)
Vari-Opal 100HX (2014)
Vari-Opal 100X (2014)
Vari-Opal 160 (2014)
Vari-Opal X160 (2014)
Vari-Titan 10 (2010)
Vari-Turmalin 10 (2005)
Vari-Turmalin 10X (2005)
Variopack 110DP70 (2010)
Variopack 110DP90 (2010)
Variopack 110EP90 (2010)
Variopack 110FEPK700 (2010)
Variopack 80DP70 (2010)
Variopack S 110DP70 (2010)
VariOpal 5 (2010)
VariOpal 7 (2010)
VariOpal 7X (2010)
VariOpal 8 (2010)
VariOpal 8X (2010)
VariOpal 9 (2010)
VariOpal 9X (2010)
Zirkon 10/300 (2010)
Zirkon 10/400 (2010)
Zirkon 10/400K (2010)
Zirkon 10/450 (2010)
Zirkon 10/450K (2010)
Zirkon 10/450KA (2010)
Zirkon 10/500K (2010)
Zirkon 10/500KA (2010)
Zirkon 10/600KA (2010)
Zirkon 7/250 (2010)
Zirkon 7/300 (2010)
Zirkon 7/400 (2010)
Zirkon 9/300 (2010)
Zirkon 9/400 (2010)
Zirkon 9/600K "B" (2010)
Схема
>
Не выбрано
321 9119 Contents
321 9119 Tool set
633 7170 Turnover mechanism
633 7171 Turnover mechanism
633 7175 Turnover mechanism
633 7176 Turnover mechanism
633 7180 Turnover mechanism
633 7181 Turnover mechanism
633 7185 Turnover mechanism
633 7186 Turnover mechanism
633 7428 Locking device
602 8109 Basic frame
602 8110 Basic frame
602 8111 Basic frame
602 8210 Frame extension
602 8212 Frame extension
602 8213 Frame extension
634 1638 Width adjuster
634 3140 Adjustment centre
629 2507 Stand
661 1164 Three point connection
661 1191 Three point connection
661 1196 Three point connection
661 1988 Three point connection
661 2000 Three point connection
661 2009 Three point connection
661 4125 Spacer block
321 9200 Pointer
321 9202 Pointer
602 2540 Bracket
549 8845 Wheel 5/80/115 D12
549 8846 Wheel 6/100/140 D16
549 8847 Wheel 6/100/140 D16
549 8848 Wheel 6/100/140 D16
549 8849 Wheel 5/94/140 D14
549 8858 Wheel 5/94/140 D14
549 8884 Bearing
549 8886 Bearing
549 8893 Bearing
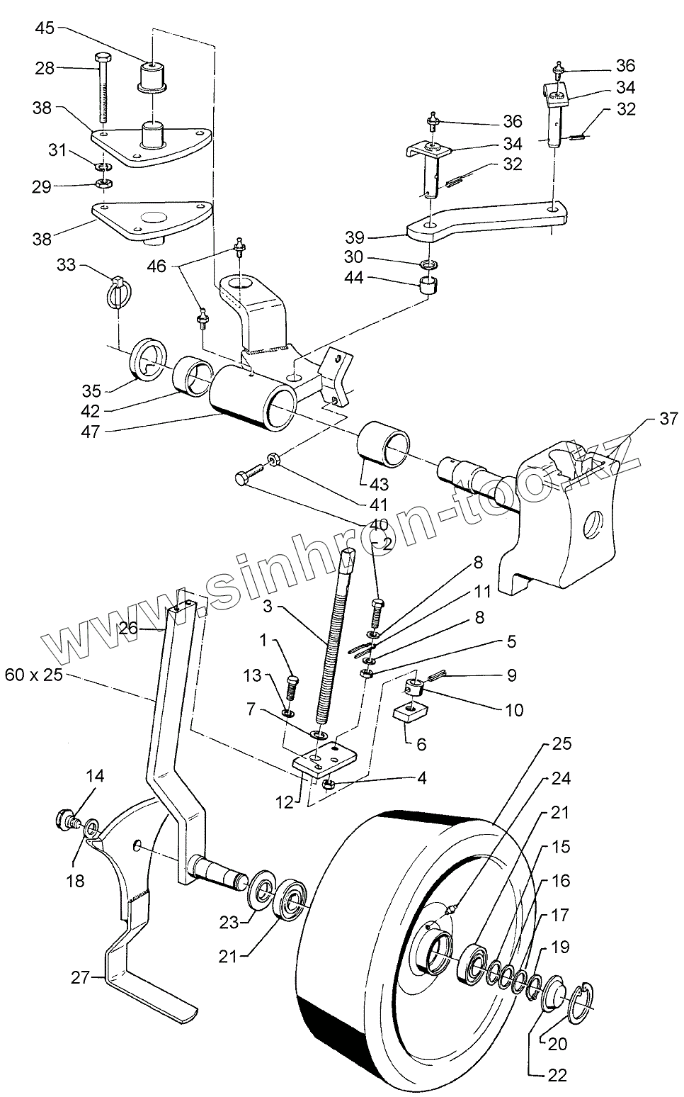
648 7697 Depth wheel, lateral
648 7698 Depth wheel, lateral
648 7702 Depth wheel, lateral
648 7703 Depth wheel, lateral
648 7716 Depth wheel, lateral
648 7717 Depth wheel, lateral
649 1274 Uni-wheel
649 1275 Uni-wheel
649 1312 Uni-wheel
649 1327 Uni-wheel 10.0/80-12
670 1151 Carrier for light
670 1200 Carrier for light
670 2012 Warning boards with lighting
575 2374 Change over ram
575 2378 Change over ram
575 2428 Ram
575 2438 Memory ram
575 2460 Change over ram
575 2465 Switch over ram for VUP
575 2466 Switch over ram with VUP
575 2490 Change over ram
575 2492 Turn over ram with VUP
575 2506 Change over ram
575 2508 Change over ram
675 1316 HY-assembly attachment arm
675 1320 HY-assembly attachment arm
675 3162 HY-assembly turnover device
675 3165 HY-assembly turnover device
675 3314 HY-turnover device for VUP
675 3315 HY-turnover device with VUP
675 3566 HY-width adjuster Memory-VUP
675 3568 Width adjuster
675 3579 HY-width adjuster Memory
675 3635 HY-turnover device
675 3639 HY-turnover device
633 8417 Skim stalk
663 8418 Skim stalk
663 8658 Skim stalk
663 8659 Skim stalk
663 8665 Disk stalk
663 8666 Disc stalk
663 8667 Disc stalk
663 8668 Disc stalk
663 8681 Skim stalk
663 8682 Skim stalk
663 8685 Skim stalk
663 8687 Skim stalk
663 8689 Skim stalk
663 8781 Skim stalk
663 8783 Skim stalk
664 5708 Leg
664 5709 Leg
699 6000 Bolts for leg
657 9332 Disc arm
657 9333 Disc arm
657 9335 Disc arm
657 9345 Disc arm
657 9346 Disc arm
657 9348 Disc arm
657 9349 Disc arm
657 9350 Disc arm
663 8670 Disc stalk
663 8672 Disc stalk
622 2586 Attachment arm
1
2
3
4
5
6
7
8
9
9
10
10
12
13
14
15
16
17
18
19
20
21
21
22
23
25
25
26
27
28
29
30
31
32
32
33
34
34
35
36
37
37
38
38
39
40
41
42
43
44
45
47
Позиция на иллюстрации
Заводской номер детали
Название детали
1
301 7380
Screw
2
301 7285
Screw
3
302 7924
Screw
4
303 0932
Selflocking nut
5
303 1011
Nut
6
303 8644
Nut for screw
7
305 6012
Washer
8
305 8694
Washer
9
309 6940
Expansion bush
10
317 6896
Tube
11
329 8616
Clamp
12
449 1133
Holder
13
305 6141
Washer
14
301 6427
Hexagon bolt
15
305 2070
Shim
16
305 2071
Shim
17
305 2072
Shim
18
305 6276
Washer
19
305 8872
Securing ring
20
305 8938
Securing ring
21
319 8602
Bearing
22
323 0365
Cap
23
323 1601
Washer
25
447 8745
Wheel
26
448 2501
Wheel stalk
27
449 1632
Tine
28
301 3628
Hexagon bolt
29
303 0992
Hexagon nut
30
305 6273
Washer
31
305 9886
Spring ring
32
309 6054
Expansion bush
33
311 9302
Securing pin
34
313 8054
Pin with stop
35
317 6901
Ring
36
323 6348
Grease nipple
37
448 9402
Stalk guiding
38
449 1995
Bearing plate
39
459 1138
Clamp plate
40
301 5141
Hexagon bolt
41
303 0978
Nut
42
317 2005
Expansion bush
43
317 2015
Expansion bush
44
317 3408
Expansion bush
45
317 9310
Flange bushing
47
448 7302
Wheel bracket
Содержащиеся в справочниках-каталогах запасные части и детали не предлагаются к продаже, а носят исключительно информационный характер
Дополнительная информация
×
Название:
Номер:
Примечание: