Вернуться на главную
Поиск
Каталоги запчастей к технике
Сельхозтехника
Lemken
Solitair 9/500KA
Levelling harrow S-1,25
Каталог запасных частей к технике: Lemken Solitair 9/500KA. Levelling harrow S-1,25
zoom-in
zoom-out
enlarge
shrink
circle-right
circle-left
file-text2
info
cart
Тип техники
Не выбрано
Легковые автомобили
Грузовые автомобили и прицепы
Автобусы
Сельхозтехника
Спецтехника
Двигатели
Мототехника
Марка
Не выбрано
AGCO
Amity
CASE IH
DongFeng
Fortschritt
Foton
Franz Kleine
Gaspardo
Great Plains
KRONE
KUHN
Lemken
Lovol
MacDon
Massey Ferguson
New Holland
TIGARBO
Vaderstad
Versatile
Wirax
Агро
Агротехмаш
Бобруйскагромаш (ОАО «УКХ «Бобруйскагромаш»)
БЭМЗ
ВгТЗ
Воронежсельмаш
ВТЗ
Гомсельмаш
ДКЗ
ЗАО "Техника-сервис"
ЗиД
КЗК
Кировец-Ландтехник
Клевер
Красная Звезда
Лидагропроммаш
Лидсельмаш
ЛТЗ
Машстройхолдинг
Минитракторы
Мордовагромаш
МТЗ
Навигатор-Новое машиностроение
Нефтекамский автозавод
ПТЗ
Ремком
РСМ
Сибсельмаш
ТеКЗ
ТКЗ
ХЗТСШ
ХТЗ
ЮМЗ
Модель
Не выбрано
Achat 9/400 KA (2004)
Achat 9/500 KA (2004)
Achat 9/600 KA (2004)
Azurit 9 (2018)
Dolomit 9 (2010)
EuroDiamant 10 (2010)
EuroDiamant 10 X (2010)
EuroDiamant 8 (2010)
EuroGranat 5 (2006)
EuroGranat 6 (2006)
EuroGranat 7 (2006)
EurOpal 5 (2010)
EurOpal 5HX (2010)
EurOpal 6 (2010)
EurOpal 7 (2010)
EurOpal 7, EurOpal 7HX (2018)
EurOpal 7X (2010)
EurOpal 7X, EurOpal 7 HydriX (2018)
EurOpal 8 (2010)
EurOpal 9 (2010)
EuroTitan 10 (2010)
EuroTitan 10X (2010)
FixPack (2010)
Gigant 1000 (2010)
Gigant 1000 Smaragd (2010)
Gigant 800 (2010)
Gigant 800 S (2010)
Gigant 800 S Rubin (2006)
Gigant 800 Smaragd (2010)
Heliodor 9/600KA (2018)
Heliodor 9/700KA (2018)
Juwel 8M (2018)
Karat 9/600 KA (2016)
Kristall 9/500KA (2016)
Kristall 9/600KA (2016)
OptiDisc 25 (2018)
Primus 10 (Часть 1) (2017)
Primus 10 (Часть 2) (2017)
Quarz 7/250 (2010)
Quarz 7/250 F (2010)
Quarz 7/300 (2010)
Quarz 7/300F (2010)
Quarz 7/400 (2010)
Quarz 7/400F (2010)
Quarz 7/400K (2010)
Quarz 7/400KA (2010)
Quarz 7/500K (2010)
Quarz 7/500KA (2010)
Quarz 7/600K (2010)
Rubin 10/600 KUA (2018)
Rubin 10/700 KUA (2018)
Rubin 12/400 KUA (A) (2018)
Rubin 12/500 KUA (A) (2018)
Rubin 12/600 KUA (A) (2018)
Rubin 12/700 KUA (2018)
Rubin 9/300 U (2004)
Rubin 9/400 U (2004)
Saphir 7/300 (2010)
Saphir 7/400 (2010)
Smaragd 7/260 (2010)
Smaragd 7/300 (2010)
Smaragd 9/300 (2010)
Smaragd 9/400 (2010)
Smaragd 9/400 (2016)
Smaragd 9/400 K (2016)
Smaragd 9/400K (2010)
Smaragd 9/450K (2010)
Smaragd 9/500 K (2016)
Smaragd 9/500K (2004)
Smaragd 9/600 K (2016)
Smaragd 9/600K (2010)
Smaragd 9/600KA (2010)
Solitair 10/600K (2006)
Solitair 12/1000K (2007)
Solitair 12/1200K (2008)
Solitair 12/1200KD (2018)
Solitair 12/5800SW (2018)
Solitair 12/800K (2006)
Solitair 12/900K (2007)
Solitair 8/300 (2004)
Solitair 8/300 (2014)
Solitair 8/400 (2004)
Solitair 9/300 (2004)
Solitair 9/400 (2004)
Solitair 9/400K (2004)
Solitair 9/400KA (2004)
Solitair 9/450K (2004)
Solitair 9/450KA (2004)
Solitair 9/500K (2004)
Solitair 9/500KA (2009)
Solitair 9/600K (2004)
Solitair 9/600KA (2004)
System-Kompaktor Gigant 1000 (2010)
System-Kompaktor Gigant 800 (2010)
System-Kompaktor K450 (2010)
System-Kompaktor K450A (2010)
System-Kompaktor K500 (2010)
System-Kompaktor K500A (2010)
System-Kompaktor K600 (2010)
System-Kompaktor K600A (2010)
System-Kompaktor S300 (2010)
System-Kompaktor S400 (2010)
System-Korund 300 L (2010)
System-Korund 450 L (2010)
System-Korund 600 L (2010)
System-Korund 750 K (750 L) (2010)
System-Korund 900 K (2010)
System-Korund 900 L (2010)
Thorit 8/300 (2005)
Thorit 8/300 Combi-Liner (2004)
Thorit 8/400 (2010)
Thorit 8/400 Combi-Liner (2004)
Thorit 9/400 K (2004)
Thorit 9/400 KA (2003)
Thorit 9/450 K (2004)
Thorit 9/500 K (2004)
Thorit 9/500 KA (2003)
Thorit 9/600 K (2004)
Thorit 9/600 KA (2003)
Topas 140-A (2010)
Vari-Diamant 10 (2004)
Vari-Diamant 10X (2004)
Vari-Opal 100 (2014)
Vari-Opal 100HX (2014)
Vari-Opal 100X (2014)
Vari-Opal 160 (2014)
Vari-Opal X160 (2014)
Vari-Titan 10 (2010)
Vari-Turmalin 10 (2005)
Vari-Turmalin 10X (2005)
Variopack 110DP70 (2010)
Variopack 110DP90 (2010)
Variopack 110EP90 (2010)
Variopack 110FEPK700 (2010)
Variopack 80DP70 (2010)
Variopack S 110DP70 (2010)
VariOpal 5 (2010)
VariOpal 7 (2010)
VariOpal 7X (2010)
VariOpal 8 (2010)
VariOpal 8X (2010)
VariOpal 9 (2010)
VariOpal 9X (2010)
Zirkon 10/300 (2010)
Zirkon 10/400 (2010)
Zirkon 10/400K (2010)
Zirkon 10/450 (2010)
Zirkon 10/450K (2010)
Zirkon 10/450KA (2010)
Zirkon 10/500K (2010)
Zirkon 10/500KA (2010)
Zirkon 10/600KA (2010)
Zirkon 7/250 (2010)
Zirkon 7/300 (2010)
Zirkon 7/400 (2010)
Zirkon 9/300 (2010)
Zirkon 9/400 (2010)
Zirkon 9/600K "B" (2010)
Схема
>
Не выбрано
Solitair 9/500 KA > 263550
Electric drive Solitair
Support Solitair
Dosage, top part K 4-A
Dosage, lower part K 4-A
Seeding mechanism 4-A E 6/L 45GRD Solitair
Hopper 1850l (170cm)
Hopper 2300 Liter
Tank/Hopper 1850l (160cm)
Tankdeckel/Cover 1100l-1850l (170cm)
Cover 2300l
Tank/Cover 1850l (160cm)
Dosage 4-Auslaufe C
Dosierung/Dosage K 4xA Solitair
Flexible hose D25x1100 1xD30
Flexible hose D25x450
Holder for distributor 90x90 325x295 A D77
Holder for distributor 90x90 282x70 I D77
Emptying unit for hopper 10B-M80x4
Emptying unit for hopper 7/8B-M64x4
Emptying unit for hopper 9B-M72x4
Tramline mechanism 1-F
Tramline mechanism 2-F
Distributor 8B
Distributor 9B
Distributor 10B
Supply hoses D65 2x1420 2x2320 500KA
Recirculation Solitair 9
Cyclone D230-570 Solitair-KA+FW
Fan Typ GST 520
Basic frame Solitair
Adjustment centre 720 M Solitair DS
Adjustment centre 720 M Solitair ES
Adjustment centre 1010 HY Solitair KA B
Adjustment centre 1010 HY Solitair KA ES+S
Adjustment centre 720 HYD Solitair DS
Adjustment centre 720 HYD Solitair ES
Step with platform 660x975 3+1 KA Solitair
Step with platform 660x975 3+1 KA Solitair f.k.Ta
Step with platform 3STU.o.STR.1100-1850 Sol.K
Step with platform 3STU.o.STR.2300 Sol.KA/SA
Step with platform 3STU.o.STR.1100-1850 Sol.KA/SA
Step with platform 4STU.m.STR.2300 Sol.KA/SA
Step with platform 4STU.m.STR.1100-1850 Sol.KA/SA
Step with platform 4STU.m.STR.1100-1850 Sol.S
Coulter frame Solitair 9/500-K 40R-125
Coulter frame Solitair 9/500-K 34R-150
Coulter frame Solitair 9/500-K 29R-175
Coulter frame Solitair 9/500-K 40R-125
Coulter frame Solitair 9/500-K 34R-150
Coulter frame Solitair 9/500-K 29R-175
Levelling harrow S-1,00
Levelling harrow S-1,25
Levelling harrow S-1,50
Swinging arm
Cover with scraper kpl.
Cover with hard metal scraper kpl.
Rocker arm B-250
Disc D350/70/34x3 AA
Disc carrier B 45/10x475
Levelling harrow S-1,00
Levelling harrow S-1,25
Carrier STR 70x2000
Holder, short
Double disc coulter + roller D350/330 B-250
Single disc coulter, long D325 RE
Single disc coulter, short D325 LI
Single disc coulter, short D325 RE
Single disc coulter, long D325 LI
Single harrow D10x960
Pre-emergency marker HS D325 VALM
Pre-emergency marker lang MI-Rahmen
Pre-emergency marker LEMKEN kurz MI_Rahmen
Pre-emergency marker DS-Ausfuhrung
Holder, long
Fittings FK Solitair/Zirkon 9
Fittings Solitair-Fremdgerate
Support 26,9x277 1x90 D16,25
Lighting equipment, front Solitair 9 FW
Lighting equipment, rear Solitair 9 K
Lighting equipment, front Solitair 9 FW
Lighting equipment Solitair 9
Lighting equipment Solitair 9
Top link pin, cpl. KAT2 D25,4x140
Bearing V60-6/160/205 D18
Bearing 8/220/275 M18 80x80
Wheel 6/161/205 D18 11.5/80-15.3 10PR AW
Wheel 6/161/205 D18 400-15.5 T404 -14PR RE
Wheel 6/161/205 D18 400-15.5 T404 -14PR LI
Wheel 8/221/575 Trelleborg 550/60-22.5 12PR/RE
Wheel 8/221/575 Trelleborg 550/60-22.5 12PR/LI
Deichsel Fur Fahrwerk Solitair
Trailer Solitair D55 A 6/160/205
Trailer Solitair 8-Loch
Lower link connection D55/P L2 Z2
Lower link connection D55/P L2 Z3
Lower link connection D55/P L3 Z2
Lower link connection D55/P L3 Z3
Carrier D55x35 6x60-200
Stand 40x20/90x90-Solitair
Stand 40x20/120x120-Solitair
Stand RE+LE Solitair + Saphir 7
Holder 120x120 Solitair
Holder 90x90x132 40x20
Track scraper FSU-VS33
Track scraper FSU+G25 40x20
Track scraper with holder FSU-G25 120x120 Solitair
Track scraper with holder FSU-G25 90x90-162 Solitair KA
Track scraper with holder FSU-VS33-90x90-162
Track scraper with holder FSU-VS33-120x120
Axle for track marker D30x595 668A
Track marker FWK Solitair 500 D380
Intermediate bracket Zirkon 500/K+600/K
Track marker Zirkon 500K +500KA
Partly width switch off 4-Teilbreiten
Tractor mounting set LH 5000
Tractor mounting set 4-Teilbreiten LH 5000
On board computer LH5000-GPS
On board computer LH 5000
Cable form Solitair
Electronic box LH 5000
Coupling 8x32x38
Coupling 1.3/4-6T
Coupling 1.3/4-20Z
Coupling 1.3/8-6Z
HY-pipe assembly pole
HY-pipe assembly Solitair EHA-A
Relief pressure valve Solitair EHA-A
Oil tank Solitair EHA-A
Oil cooler Solitair EHA-A
Pump Solitair EHA-A
HY-assembly coulter lifting DZ63/30-245 Solitair B
HY-assembly coulter frame D60-210 Solitair 9 KA
HY-assembly track marker Solitair FW
HY-assembly track marker Zirkon 9/500-K
Drive wheel D540 2xD16
Drive wheel D540 IG W-90
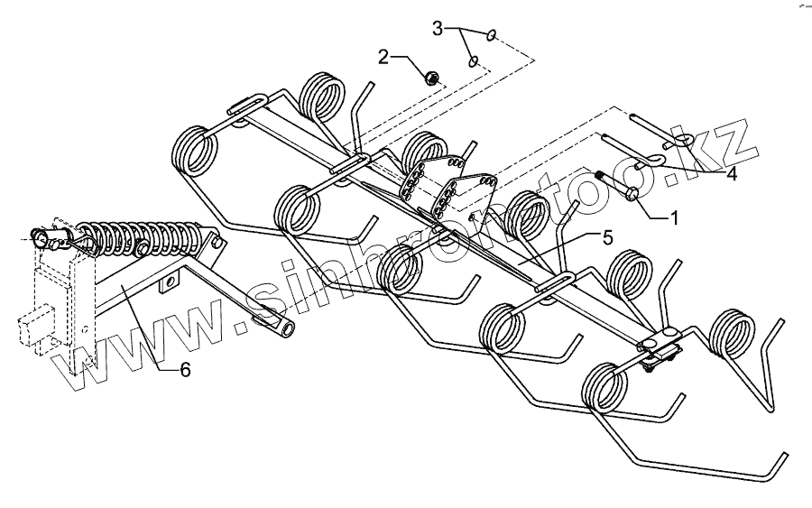
1
2
3
4
5
6
Позиция на иллюстрации
Заводской номер детали
Название детали
1
301 3457
Bolt
2
303 0934
Selflocking nut
3
305 8551
Securing clip
4
313 8610
Pin
5
582 2703
Levelling harrow
6
582 2727
Swinging arm
Содержащиеся в справочниках-каталогах запасные части и детали не предлагаются к продаже, а носят исключительно информационный характер
Дополнительная информация
×
Название:
Номер:
Примечание: