Каталог запасных частей к технике: Lemken Solitair 12/5800SW. 67710122 Compressed-air brake
1
1
2
2
3
7
8
9
10
10
11
11
11
12
12
13
13
13
16
16
17
18
18
19
19
21
21
22
23
24
24
24
25
26
26
26
27
28
28
28
31
32
32
32
32
32
32
32
32
33
34
35
35
36
37
38
39
40
41
42
43
45
46
46
47
48
49
50
52
53
54
55
56
56
57
58
58
60
61
62
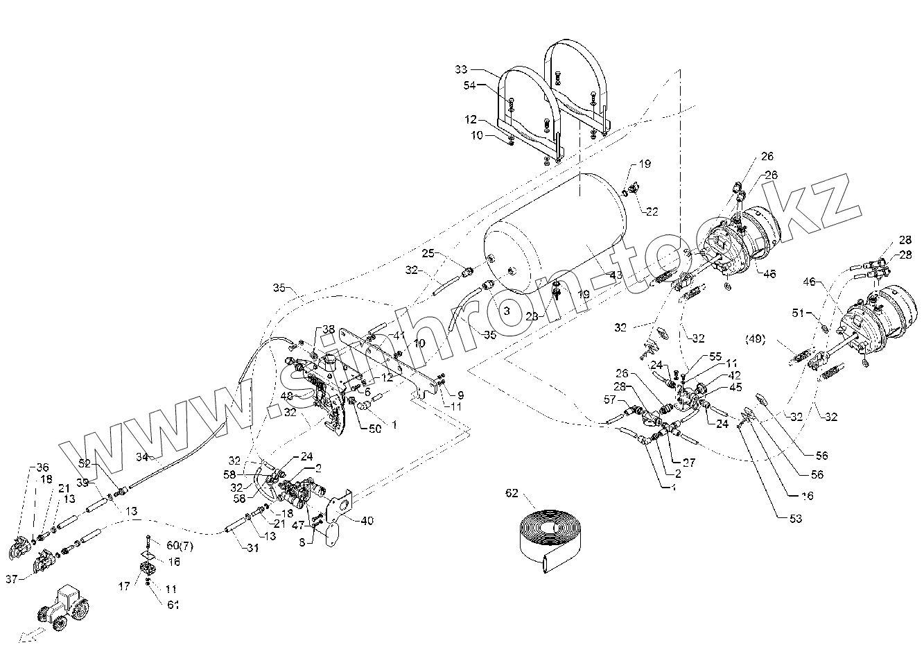
| Позиция на иллюстрации | Заводской номер детали | Название детали | |
|---|---|---|---|
| 1 | R00 0713 | Connector | |
| 2 | R00 0715 | Nipple | |
| 3 | R00 0719 | Connector | |
| 6 | 301 5004 | Screw | |
| 7 | 301 5418 | Bolt | |
| 8 | 301 7280 | Screw | |
| 9 | 303 0932 | Selflocking nut | |
| 10 | 303 0933 | Selflocking nut | |
| 11 | 305 8694 | Washer | |
| 12 | 305 8696 | Washer | |
| 13 | 325 1145 | Hose clip | |
| 16 | 375 9986 | Plate | |
| 17 | 37510217 | Clamp | |
| 18 | 377 1180 | Thrust ring with O-ring | |
| 19 | 377 1181 | Thrust ring with O-ring | |
| 20 | 377 1300 | Hose nipple | |
| 21 | 377 1301 | Hose nipple | |
| 22 | 377 1341 | Test coupling | |
| 23 | 377 1380 | Dewatering valve | |
| 24 | 377 1400 | Push-in connection | |
| 25 | 377 1401 | Push-in connection | |
| 26 | 377 1409 | Push-in connection | |
| 27 | 377 1440 | Push-in connection | |
| 28 | 377 1450 | Push-in connection | |
| 29 | 377 1461 | Screwed socket | |
| 30 | 377 1482 | Reducing fitting | |
| 31 | 377 2025 | Brake hose | |
| 32 | 377 2070 | Synthetic tube | |
| 33 | 377 2532 | Strap | |
| 34 | 37710046 | Synthetic tube | |
| 35 | 37710048 | Synthetic tube | |
| 36 | 37710149 | Coupling head brake | |
| 37 | 37710150 | Coupling head | |
| 38 | 37710151 | Push-in connection | |
| 39 | 37710152 | Brake hose | |
| 40 | 47710060 | Holder | |
| 41 | 47710065 | Plate | |
| 42 | 577 2570 | Venting filter | |
| 43 | 577 2622 | Compressed-air container | |
| 44 | 577 2660 | 2-port control valve | |
| 45 | 577 2671 | Quick release valve | |
| 46 | 57710033 | Membrane-cylinder | |
| 47 | 57710042 | Release valve | |
| 48 | 57710043 | Braking force regulator | |
| 49 | 32910008 | Spring | |
| 50 | R00 0716 | Screwed socket | |
| 52 | 37710155 | Connector | |
| 53 | 301 3067 | Bolt | |
| 54 | 301 3226 | Screw | |
| 55 | 301 7260 | Screw | |
| 56 | 375 9906 | Clamp | |
| 57 | 377 1410 | Push-in connection | |
| 58 | 37710156 | Connector | |
| 59 | 37710157 | Elbow union | |
| 60 | 30110280 | Hexagon bolt | |
| 61 | 303 0801 | Selflocking nut | |
| 62 | 47510623 | Guard for hoses |
Содержащиеся в справочниках-каталогах запасные части и детали не предлагаются к продаже, а носят исключительно информационный характер