Каталог запасных частей к технике: Lemken Smaragd 9/600KA. Contents Smaragd 9/600 KA "B"
1
1
1
1
1
1
1
1
2
3
3
3
3
3
4
4
4
4
4
4
4
4
4
4
4
4
4
4
4
4
4
4
4
4
4
4
4
4
4
4
5
5
5
5
6
7
7
8
8
8
8
8
9
9
9
9
9
9
9
9
9
9
10
10
10
10
10
10
10
10
10
10
10
10
11
11
11
11
11
11
11
11
11
12
13
13
13
13
13
13
13
13
13
13
13
13
13
13
13
13
13
13
13
13
13
13
13
13
13
13
13
13
13
13
14
14
14
14
14
15
15
15
16
16
16
16
16
16
16
16
16
16
16
16
16
16
17
18
18
18
18
18
19
19
19
20
20
20
20
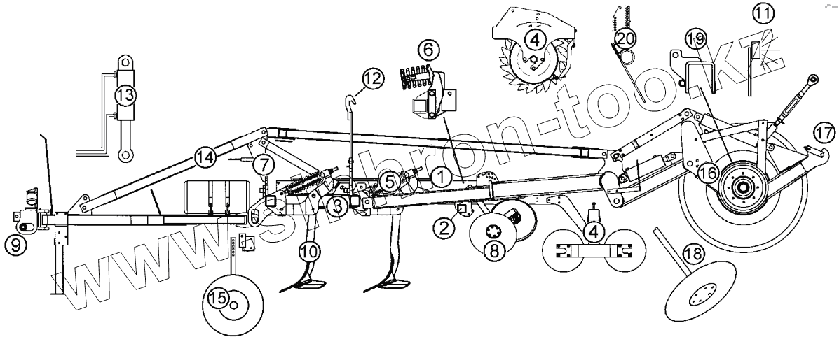
| Позиция на иллюстрации | Заводской номер детали | Название детали | |
|---|---|---|---|
| 1 | 617 8078 | Carrier, 1 pair | |
| 1 | 617 8082 | Carrier, 1 pair U-shape | |
| 1 | 617 8084 | Carrier, 1 pair U-shape | |
| 1 | 617 8086 | Carrier, 1 pair | |
| 1 | 617 8089 | Carrier, 1 pair | |
| 1 | 617 8090 | Carrier, 1 pair | |
| 1 | 617 8124 | Carrier-T for double roller | |
| 1 | 617 8125 | Carrier-T for double roller | |
| 2 | 617 8162 | Frame for hollow discs | |
| 3 | 617 8131 | Balance bar | |
| 3 | 690 1201 | Fittings for AHG | |
| 3 | 690 1202 | Fittings for AHG | |
| 3 | 690 1203 | Accessories | |
| 3 | 690 1204 | Fittings for AHG | |
| 4 | 617 8188 | Adapter-inner thread | |
| 4 | 617 8216 | Basic frame | |
| 4 | 622 0184 | Holder | |
| 4 | 622 6345 | Packer roller | |
| 4 | 622 6602 | Tube bar roller | |
| 4 | 622 6608 | Tube bar roller | |
| 4 | 622 6609 | Tube bar roller | |
| 4 | 622 6628 | Tube bar roller | |
| 4 | 622 6629 | Tube bar roller | |
| 4 | 622 6688 | Double roller | |
| 4 | 622 6689 | Double roller | |
| 4 | 622 6706 | Double roller | |
| 4 | 622 6707 | Double roller | |
| 4 | 622 6739 | Trapeze packer roller | |
| 4 | 622 6744 | Packer roller, short scraper | |
| 4 | 622 6752 | Trapeze packer roller | |
| 4 | 622 6760 | Trapeze packer roller | |
| 4 | 622 6767 | Trapeze disc roller | |
| 4 | 622 6810 | Knife roller | |
| 4 | 622 6811 | Knife roller | |
| 4 | 622 6820 | Knife roller | |
| 4 | 622 6821 | Knife roller | |
| 4 | 622 6858 | Double roller | |
| 4 | 622 6859 | Double roller | |
| 4 | 622 6873 | Rubber ring roller | |
| 5 | 627 5687 | Trip device | |
| 5 | 627 5720 | Trip device | |
| 5 | 627 5726 | Trip device | |
| 5 | 627 5728 | Trip device | |
| 6 | 627 5695 | Trip device | |
| 7 | 640 5230 | Headstock | |
| 7 | 640 5231 | Headstock | |
| 8 | 657 2418 | Pair of hollow discs | |
| 8 | 657 2420 | Hollow disc | |
| 8 | 657 2421 | Hollow disc | |
| 8 | 657 2424 | Bracket for outer disc | |
| 8 | 657 2425 | Bracket for outer disc | |
| 9 | 661 1354 | Lower link connection | |
| 9 | 661 1372 | Lower link connection | |
| 9 | 661 1380 | Lower link connection | |
| 9 | 661 1411 | Lower link connection | |
| 9 | 661 1412 | Lower link connection | |
| 9 | 661 1413 | Lower link connection | |
| 9 | 661 1414 | Lower link connection | |
| 9 | 661 1417 | Lower link connection | |
| 9 | 661 6160 | Depth limiter | |
| 9 | 661 6162 | Depth limiter | |
| 10 | 665 3778 | Tine with wing-shares | |
| 10 | 665 3779 | Tine with wing-shares | |
| 10 | 665 3780 | Tine with wing-shares | |
| 10 | 665 3790 | Tine with wing-shares | |
| 10 | 665 3791 | Tine with wing-shares | |
| 10 | 665 3792 | Tine with wing-shares | |
| 10 | 665 3908 | Tine with wing-shares | |
| 10 | 665 3909 | Tine with wing-shares | |
| 10 | 665 3910 | Tine with wing-shares | |
| 10 | 665 3920 | Tine with wing-shares | |
| 10 | 665 3921 | Tine with wing-shares | |
| 10 | 665 3922 | Tine with wing-shares | |
| 11 | 570 1902 | Lighting equipment, front | |
| 11 | 573 5080 | Control box | |
| 11 | 573 5082 | Cable form | |
| 11 | 670 1902 | Lighting equipment | |
| 11 | 670 1903 | Lighting equipment | |
| 11 | 670 2007 | Lighting equipment, rear | |
| 11 | 670 2009 | Lighting equipment, rear | |
| 11 | 673 6032 | Joystickbox | |
| 11 | 673 6163 | Extension | |
| 12 | 617 8147 | Hydraulic locking device | |
| 13 | 575 2193 | Control valve | |
| 13 | 575 2200 | Three-way pressure balance | |
| 13 | 575 2201 | Valve | |
| 13 | 575 2211 | Seat valve | |
| 13 | 575 6601 | Adapter-inner thread | |
| 13 | 675 4366 | Hose carrier | |
| 13 | 675 5305 | HY-assembly lift linkage | |
| 13 | 675 5306 | HY-assembly lift linkage | |
| 13 | 675 5398 | HY-assembly folding device | |
| 13 | 675 5399 | HY-pipe assembly | |
| 13 | 675 5401 | HY-assembly folding device | |
| 13 | 675 5402 | HY-assembly trailer | |
| 13 | 675 5403 | HY-assembly trailer | |
| 13 | 675 5404 | HY-pipe assembly folding dev. | |
| 13 | 675 5405 | HY-pipe assembly | |
| 13 | 675 5406 | HY-pipe assembly | |
| 13 | 675 5407 | HY-pipe assembly | |
| 13 | 675 5408 | HY-pipe assembly | |
| 13 | 675 5409 | HY-pipe assembly | |
| 13 | 675 5410 | HY-assembly control valve | |
| 13 | 675 5411 | HY-assembly control valve | |
| 13 | 675 5412 | HY-pipe assembly | |
| 13 | 675 5413 | HY-pipe assembly | |
| 13 | 675 5414 | HY-pipe assembly | |
| 13 | 675 5418 | HY-assembly track marker | |
| 13 | 675 5422 | HY-assembly track marker | |
| 13 | 675 5423 | Hydraulic braking assembly | |
| 13 | 675 5424 | Transport height limiter | |
| 13 | 675 5425 | HY-pipe lifting device | |
| 13 | 675 7029 | HY-assembly unlocking device | |
| 14 | 629 7120 | Stand | |
| 14 | 629 7121 | Stand | |
| 14 | 640 9130 | Deichsel | |
| 14 | 640 9132 | Deichsel | |
| 14 | 640 9139 | Deichsel | |
| 15 | 647 2520 | Depth wheel | |
| 15 | 647 7474 | Wheel bracket | |
| 15 | 647 7475 | Wheel bracket | |
| 16 | 549 8897 | Bearing | |
| 16 | 550 8517 | Set of fittings | |
| 16 | 550 8518 | Running axle | |
| 16 | 550 8519 | Braking axle | |
| 16 | 550 8520 | Running axle | |
| 16 | 550 8872 | Wheel 8/221/575 | |
| 16 | 550 8873 | Wheel 8/221/575 | |
| 16 | 550 8874 | Wheel 8/221/575 | |
| 16 | 550 8884 | Wheel 8/221/575 | |
| 16 | 550 8885 | Wheel 8/221/575 | |
| 16 | 650 8518 | Running axle | |
| 16 | 650 8534 | Trailer | |
| 16 | 650 8537 | Trailer | |
| 16 | 677 6030 | Compressed-air brake | |
| 17 | 661 8510 | Hydraulic lift linkage | |
| 18 | 582 1248 | Axle for track marker | |
| 18 | 582 1276 | Additional parts locking dev. | |
| 18 | 682 1253 | Track marker | |
| 18 | 682 1290 | Bracket for track marker | |
| 18 | 682 1291 | Bracket for track marker | |
| 19 | 661 8366 | Kupplungsteil | |
| 19 | 661 8368 | Kupplungsteil | |
| 19 | 661 8369 | Kupplungsteil | |
| 20 | 617 8083 | Carrier, 1 pair U-shape | |
| 20 | 617 8110 | Carrier, 1 pair for harrow | |
| 20 | 617 8111 | Carrier, 1 pair for harrow | |
| 20 | 622 6386 | Levelling type harrow |
Содержащиеся в справочниках-каталогах запасные части и детали не предлагаются к продаже, а носят исключительно информационный характер