Каталог запасных частей к технике: Lemken Quarz 7/400KA. Quarz 7/400 KA
1
1
2
2
2
2
2
2
2
2
2
2
2
3
3
3
3
3
3
3
3
3
3
3
3
3
5
5
6
6
6
6
6
6
6
6
7
7
7
7
7
7
7
7
8
8
8
8
8
8
8
9
9
9
9
10
10
10
10
10
10
10
10
10
10
10
10
10
10
10
10
10
10
10
10
10
10
10
10
10
10
10
11
11
11
11
11
11
11
11
11
12
12
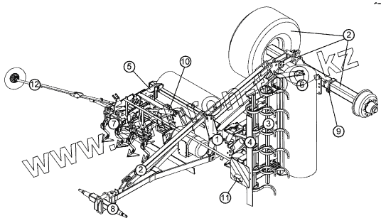
| Позиция на иллюстрации | Заводской номер детали | Название детали | |
|---|---|---|---|
| 1 | 629 7121 | Stand | |
| 1 | 610 6355 | Basic frame | |
| 2 | 550 8520 | Running axle | |
| 2 | 550 8872 | Wheel 8/221/575 | |
| 2 | 550 8873 | Wheel 8/221/575 | |
| 2 | 550 8874 | Wheel 8/221/575 | |
| 2 | 550 8884 | Wheel 8/221/575 | |
| 2 | 550 8885 | Wheel 8/221/575 | |
| 2 | 640 9131 | Deichsel | |
| 2 | 640 9138 | Twobar | |
| 2 | 650 8550 | Trailer | |
| 2 | 550 8519 | Braking axle | |
| 3 | 657 2550 | Shield | |
| 3 | 657 2522 | Holder for track scraper | |
| 3 | 657 2435 | Feeding disc | |
| 3 | 657 2434 | Feeding disc | |
| 3 | 622 2693 | Trailing bar | |
| 3 | 622 0234 | Adjuster | |
| 3 | 615 5586 | Harrow section | |
| 3 | 615 5585 | Harrow section | |
| 3 | 615 5584 | Harrow section | |
| 3 | 615 5581 | Harrow section | |
| 3 | 615 5580 | Harrow section | |
| 3 | 615 5571 | Harrow section | |
| 3 | 615 5587 | Harrow section | |
| 5 | 622 2893 | Carrier | |
| 5 | 622 2894 | Carrier | |
| 6 | 622 6741 | Packer roller, short scraper | |
| 6 | 622 6870 | Rubber ring roller | |
| 6 | 622 6763 | Trapeze disc roller | |
| 6 | 622 6736 | Trapeze packer roller | |
| 6 | 622 6725 | Trapezering roller | |
| 6 | 622 6720 | Packer roller | |
| 6 | 622 6630 | Tube bar roller | |
| 6 | 622 6356 | Tube bar roller | |
| 7 | 557 2520 | Holder for track scraper | |
| 7 | 557 4992 | Track scraper | |
| 7 | 557 5006 | Track scraper | |
| 7 | 557 5007 | Track scraper | |
| 7 | 622 5091 | Holder | |
| 7 | 657 5006 | Track scraper with holder | |
| 7 | 657 5007 | Track scraper with holder | |
| 7 | 657 5010 | Track scraper with holder | |
| 8 | 661 6162 | Depth limiter | |
| 8 | 661 6161 | Depth limiter | |
| 8 | 661 1417 | Lower link connection | |
| 8 | 661 1414 | Lower link connection | |
| 8 | 661 1412 | Lower link connection | |
| 8 | 661 1411 | Lower link connection | |
| 8 | 661 1413 | Lower link connection | |
| 9 | 661 8368 | Kupplungsteil | |
| 9 | 661 8369 | Kupplungsteil | |
| 9 | 661 8455 | Turnbuckle | |
| 9 | 661 8510 | Hydraulic lift linkage | |
| 10 | 675 5476 | HY-assembly trailer | |
| 10 | 675 5477 | HY-pipe lift linkage | |
| 10 | 675 5478 | HY-pipe assembly | |
| 10 | 675 5479 | HY-pipe assembly | |
| 10 | 675 5481 | Hydraulic pipe | |
| 10 | 675 5482 | HY-pipe seed drill drive | |
| 10 | 675 5483 | HY-assembly control valve | |
| 10 | 675 5484 | HY-pipe assembly track marker | |
| 10 | 675 5489 | Hydraulic pipe | |
| 10 | 675 5490 | HY-assembly control valve | |
| 10 | 675 5491 | Hydraulic pipe | |
| 10 | 675 5494 | Hydraulic pipe | |
| 10 | 677 6050 | Compressed-air brake | |
| 10 | 675 5474 | HY-assembly pressure release | |
| 10 | 575 2200 | Three-way pressure balance | |
| 10 | 575 2201 | Valve | |
| 10 | 575 2211 | Seat valve | |
| 10 | 675 4333 | Hydraulic assembly | |
| 10 | 675 5305 | HY-assembly lift linkage | |
| 10 | 675 5306 | HY-assembly lift linkage | |
| 10 | 675 5328 | HY-assembly track marker | |
| 10 | 675 5470 | Hydraulic braking assembly | |
| 10 | 675 5471 | HY-pipe assembly folding | |
| 10 | 675 5472 | HY-pipe assembly. 6/2 valve | |
| 10 | 675 5473 | HY-pipe assembly | |
| 10 | 675 5475 | HY-assembly control valve | |
| 10 | 675 5307 | HY-assembly track marker | |
| 11 | 573 5080 | Control box | |
| 11 | 670 5074 | Transport protection | |
| 11 | 670 5071 | Transport protection | |
| 11 | 670 5070 | Transport protection | |
| 11 | 670 2007 | Lighting equipment, rear | |
| 11 | 670 1905 | Lighting equipment, front | |
| 11 | 573 5082 | Cable form | |
| 11 | 570 1905 | Lighting equipment, front | |
| 11 | 373 4306 | Extension cable | |
| 12 | 582 1248 | Axle for track marker | |
| 12 | 682 1273 | Track marker |
Содержащиеся в справочниках-каталогах запасные части и детали не предлагаются к продаже, а носят исключительно информационный характер