Вернуться на главную
Поиск
Каталоги запчастей к технике
Сельхозтехника
Lemken
EuroTitan 10
Disc coulter E10 D500Z
Каталог запасных частей к технике: Lemken EuroTitan 10. Disc coulter E10 D500Z
zoom-in
zoom-out
enlarge
shrink
circle-right
circle-left
file-text2
info
cart
Тип техники
Не выбрано
Легковые автомобили
Грузовые автомобили и прицепы
Автобусы
Сельхозтехника
Спецтехника
Двигатели
Мототехника
Марка
Не выбрано
AGCO
Amity
CASE IH
DongFeng
Fortschritt
Foton
Franz Kleine
Gaspardo
Great Plains
KRONE
KUHN
Lemken
Lovol
MacDon
Massey Ferguson
New Holland
TIGARBO
Vaderstad
Versatile
Wirax
Агро
Агротехмаш
Бобруйскагромаш (ОАО «УКХ «Бобруйскагромаш»)
БЭМЗ
ВгТЗ
Воронежсельмаш
ВТЗ
Гомсельмаш
ДКЗ
ЗАО "Техника-сервис"
ЗиД
КЗК
Кировец-Ландтехник
Клевер
Красная Звезда
Лидагропроммаш
Лидсельмаш
ЛТЗ
Машстройхолдинг
Минитракторы
Мордовагромаш
МТЗ
Навигатор-Новое машиностроение
Нефтекамский автозавод
ПТЗ
Ремком
РСМ
Сибсельмаш
ТеКЗ
ТКЗ
ХЗТСШ
ХТЗ
ЮМЗ
Модель
Не выбрано
Achat 9/400 KA (2004)
Achat 9/500 KA (2004)
Achat 9/600 KA (2004)
Azurit 9 (2018)
Dolomit 9 (2010)
EuroDiamant 10 (2010)
EuroDiamant 10 X (2010)
EuroDiamant 8 (2010)
EuroGranat 5 (2006)
EuroGranat 6 (2006)
EuroGranat 7 (2006)
EurOpal 5 (2010)
EurOpal 5HX (2010)
EurOpal 6 (2010)
EurOpal 7 (2010)
EurOpal 7, EurOpal 7HX (2018)
EurOpal 7X (2010)
EurOpal 7X, EurOpal 7 HydriX (2018)
EurOpal 8 (2010)
EurOpal 9 (2010)
EuroTitan 10 (2010)
EuroTitan 10X (2010)
FixPack (2010)
Gigant 1000 (2010)
Gigant 1000 Smaragd (2010)
Gigant 800 (2010)
Gigant 800 S (2010)
Gigant 800 S Rubin (2006)
Gigant 800 Smaragd (2010)
Heliodor 9/600KA (2018)
Heliodor 9/700KA (2018)
Juwel 8M (2018)
Karat 9/600 KA (2016)
Kristall 9/500KA (2016)
Kristall 9/600KA (2016)
OptiDisc 25 (2018)
Primus 10 (Часть 1) (2017)
Primus 10 (Часть 2) (2017)
Quarz 7/250 (2010)
Quarz 7/250 F (2010)
Quarz 7/300 (2010)
Quarz 7/300F (2010)
Quarz 7/400 (2010)
Quarz 7/400F (2010)
Quarz 7/400K (2010)
Quarz 7/400KA (2010)
Quarz 7/500K (2010)
Quarz 7/500KA (2010)
Quarz 7/600K (2010)
Rubin 10/600 KUA (2018)
Rubin 10/700 KUA (2018)
Rubin 12/400 KUA (A) (2018)
Rubin 12/500 KUA (A) (2018)
Rubin 12/600 KUA (A) (2018)
Rubin 12/700 KUA (2018)
Rubin 9/300 U (2004)
Rubin 9/400 U (2004)
Saphir 7/300 (2010)
Saphir 7/400 (2010)
Smaragd 7/260 (2010)
Smaragd 7/300 (2010)
Smaragd 9/300 (2010)
Smaragd 9/400 (2010)
Smaragd 9/400 (2016)
Smaragd 9/400 K (2016)
Smaragd 9/400K (2010)
Smaragd 9/450K (2010)
Smaragd 9/500 K (2016)
Smaragd 9/500K (2004)
Smaragd 9/600 K (2016)
Smaragd 9/600K (2010)
Smaragd 9/600KA (2010)
Solitair 10/600K (2006)
Solitair 12/1000K (2007)
Solitair 12/1200K (2008)
Solitair 12/1200KD (2018)
Solitair 12/5800SW (2018)
Solitair 12/800K (2006)
Solitair 12/900K (2007)
Solitair 8/300 (2004)
Solitair 8/300 (2014)
Solitair 8/400 (2004)
Solitair 9/300 (2004)
Solitair 9/400 (2004)
Solitair 9/400K (2004)
Solitair 9/400KA (2004)
Solitair 9/450K (2004)
Solitair 9/450KA (2004)
Solitair 9/500K (2004)
Solitair 9/500KA (2009)
Solitair 9/600K (2004)
Solitair 9/600KA (2004)
System-Kompaktor Gigant 1000 (2010)
System-Kompaktor Gigant 800 (2010)
System-Kompaktor K450 (2010)
System-Kompaktor K450A (2010)
System-Kompaktor K500 (2010)
System-Kompaktor K500A (2010)
System-Kompaktor K600 (2010)
System-Kompaktor K600A (2010)
System-Kompaktor S300 (2010)
System-Kompaktor S400 (2010)
System-Korund 300 L (2010)
System-Korund 450 L (2010)
System-Korund 600 L (2010)
System-Korund 750 K (750 L) (2010)
System-Korund 900 K (2010)
System-Korund 900 L (2010)
Thorit 8/300 (2005)
Thorit 8/300 Combi-Liner (2004)
Thorit 8/400 (2010)
Thorit 8/400 Combi-Liner (2004)
Thorit 9/400 K (2004)
Thorit 9/400 KA (2003)
Thorit 9/450 K (2004)
Thorit 9/500 K (2004)
Thorit 9/500 KA (2003)
Thorit 9/600 K (2004)
Thorit 9/600 KA (2003)
Topas 140-A (2010)
Vari-Diamant 10 (2004)
Vari-Diamant 10X (2004)
Vari-Opal 100 (2014)
Vari-Opal 100HX (2014)
Vari-Opal 100X (2014)
Vari-Opal 160 (2014)
Vari-Opal X160 (2014)
Vari-Titan 10 (2010)
Vari-Turmalin 10 (2005)
Vari-Turmalin 10X (2005)
Variopack 110DP70 (2010)
Variopack 110DP90 (2010)
Variopack 110EP90 (2010)
Variopack 110FEPK700 (2010)
Variopack 80DP70 (2010)
Variopack S 110DP70 (2010)
VariOpal 5 (2010)
VariOpal 7 (2010)
VariOpal 7X (2010)
VariOpal 8 (2010)
VariOpal 8X (2010)
VariOpal 9 (2010)
VariOpal 9X (2010)
Zirkon 10/300 (2010)
Zirkon 10/400 (2010)
Zirkon 10/400K (2010)
Zirkon 10/450 (2010)
Zirkon 10/450K (2010)
Zirkon 10/450KA (2010)
Zirkon 10/500K (2010)
Zirkon 10/500KA (2010)
Zirkon 10/600KA (2010)
Zirkon 7/250 (2010)
Zirkon 7/300 (2010)
Zirkon 7/400 (2010)
Zirkon 9/300 (2010)
Zirkon 9/400 (2010)
Zirkon 9/600K "B" (2010)
Схема
>
Не выбрано
EuroTitan 10
Top link pin with chain KAT3GK700 31,7x228
Headstock D100 VT10
Lower link connection D68/L L3 Z3
Stand 80x80x860 VT10
Turnover mechanism 60x240 Vari-Titan 10
Tool set Diamant 180, Titan 10
Stabilizer Vari Titan 6-100 140x2560
Stabilizer Vari Titan 7-100 140x3560
Stabilizer Vari Titan 8-100 140x4560
Stabilizer joint VT10
Turnbuckle TR36x3/750/570 D35
Turnbuckle TR36x3/750/570
Link D60x240x520 VT10, KPL
Basis frame, front Euro-Titan 10 6-100
Basis frame, front Euro-Titan 10 7-100
Basis frame, front Euro-Titan 10 8-100
Basic frame, rear Euro-Titan 10 3-100
Adjusting bracket E10-180
Adjusting bracket E10-204
Skim stalk S1 50x30-260 H800 VT10
Skim stalk EV-260/179 50x30 H800 VT10
Bolts for leg Dural
Leg 80x35/V
Disc coulter E10 D500 G
Disc coulter E10 D500Z
Disc coulter E10 D590Z
Disc coulter E10 D500-M G
Disc coulter E10 D500-M Z
Disc coulter E10 D590-M Z
Center section VT10
Frame extension ET10 180-1000
Bearing V60-6/160/205 D18
Running axle GS 7006 6/205/1600
Wheel 6/161/205 D18 405/70 R20xM27 TL155A2/143B LI
Wheel 6/161/205 D18 405/70 R20xM27 TL155A2/143B RE
Wheel 6/161/205 D18 400-15.5 T404 -14PR RE
Wheel 6/161/205 D18 10.0/75-15.3 12PR AW ET-25
Uni-wheel VE9 10.0/75-15,3
Swinging depth wheel D50x160 6/205 400/60-15.5
Running axle 405/70 R20 6/205/1600
Operator terminal, cpl. LST-2
Housing CR0016
Set of fittings Vari-Titan
Sensory mechanism Vari-Titan
Cable form 14-P
Cable form 20-P
Cable form 2,5m 14-P
HY-assembly turnover device ET78/97-500 Titan 10
HY-assembly locking device 6-100 Titan
HY-assembly locking device 7-100 Titan
HY-assembly locking device 8-100 Titan
HY-assembly depth wheel EZ80-245 Titan 6-100
HY-assembly depth wheel EZ80-245 Titan 7-100
HY-assembly depth wheel EZ80-245 Titan 8-100
HY-assembly control valve Titan L6S
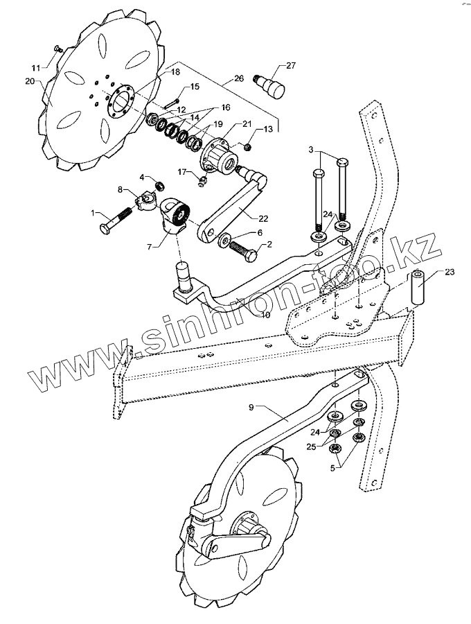
1
2
3
4
5
6
7
8
9
10
11
12
13
14
15
16
17
18
19
20
21
22
23
24
24
25
26
27
Позиция на иллюстрации
Заводской номер детали
Название детали
1
301 3867
Bolt
2
301 4269
Screw
3
301 4582
Bolt
4
303 0976
Nut
5
303 0978
Nut
6
305 6164
Washer
7
457 9146
Hirth-type bracket
8
457 9870
Stop
9
463 8682
Disc stalk
10
463 8683
Disc stalk
11
301 6123
Countersunk bolt
12
303 0193
Castle nut
13
303 0933
Selflocking nut
14
305 8924
Securing ring
15
311 7613
Peg
16
319 9116
Bearing
17
323 6345
Grease nipple
18
323 7641
Seal
19
323 8032
Oil seal
20
349 0042
Disc
21
447 8882
Hub
22
457 9328
Swinging arm
23
317 7521
Tube
24
305 6268
Washer
25
305 9888
Spring ring
26
547 8883
Bearing
27
215 1667
Axle
Содержащиеся в справочниках-каталогах запасные части и детали не предлагаются к продаже, а носят исключительно информационный характер
Дополнительная информация
×
Название:
Номер:
Примечание: