Каталог запасных частей к технике: Lemken EurOpal 8. Uni-wheel D20x200/140 E8 5/140
1
2
3
3
3
4
5
6
6
7
7
8
8
9
9
9
9
10
10
11
12
13
13
14
15
15
16
16
16
16
17
17
18
18
20
20
21
21
22
23
24
25
26
27
28
29
29
30
31
32
33
34
34
35
36
37
38
39
40
41
42
43
44
45
46
48
49
50
51
52
53
54
55
56
57
58
59
59
60
60
61
61
62
63
64
64
65
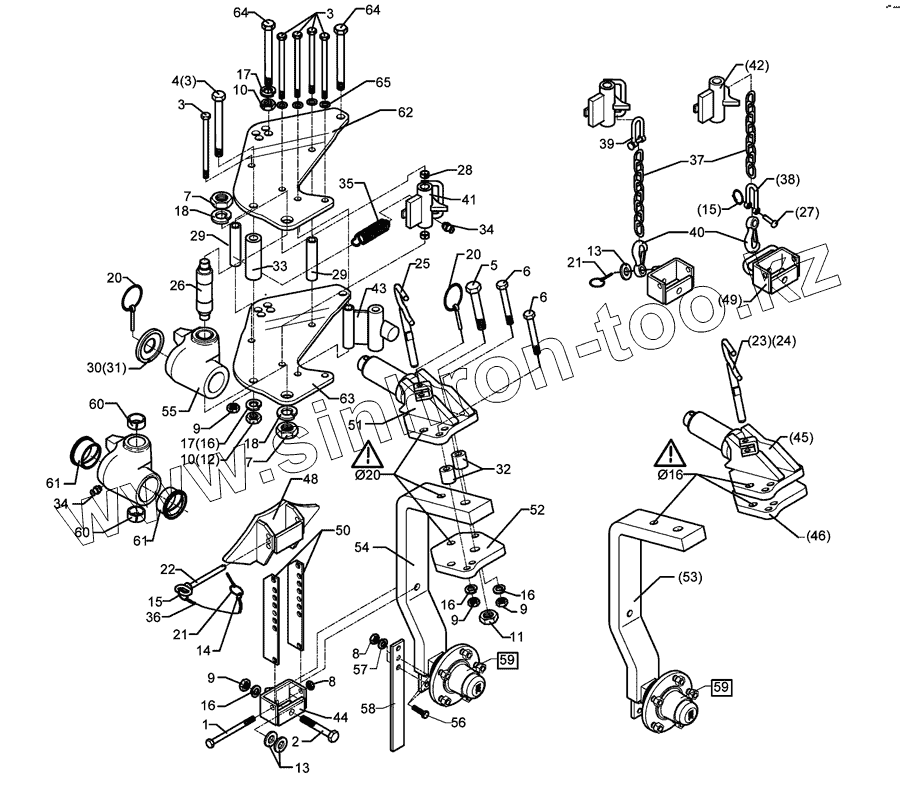
| Позиция на иллюстрации | Заводской номер детали | Название детали | |
|---|---|---|---|
| 1 | 301 3497 | Bolt | |
| 2 | 301 3918 | Bolt | |
| 3 | 301 4118 | Bolt | |
| 4 | 301 4523 | Bolt | |
| 5 | 301 4646 | Bolt | |
| 6 | 301 5370 | Bolt | |
| 7 | 303 0956 | Nut | |
| 8 | 303 0972 | Nut | |
| 9 | 303 0976 | Nut | |
| 10 | 303 0977 | Nut | |
| 11 | 303 0980 | Nut | |
| 12 | 303 0990 | Nut | |
| 13 | 305 6162 | Washer | |
| 14 | 305 8545 | Securing ring | |
| 15 | 305 8551 | Securing clip | |
| 16 | 305 9887 | Spring ring | |
| 17 | 305 9888 | Spring ring | |
| 18 | 305 9889 | Spring ring | |
| 20 | 311 9302 | Securing pin | |
| 21 | 311 9565 | Securing pin | |
| 22 | 313 1213 | Pin with grip | |
| 23 | 313 1515 | Pin with grip | |
| 24 | 313 1615 | Pin with grip | |
| 25 | 313 1815 | Pin with grip | |
| 26 | 313 4018 | Pin | |
| 27 | 315 8006 | Rivet | |
| 28 | 317 3336 | Expansion bush | |
| 29 | 317 6859 | Tube | |
| 30 | 317 6907 | Ring | |
| 31 | 317 6909 | Ring | |
| 32 | 317 7504 | Bush | |
| 33 | 317 7510 | Tube | |
| 34 | 323 6348 | Grease nipple | |
| 35 | 329 8496 | Spring | |
| 36 | 331 6130 | Chain | |
| 37 | 331 6246 | Chain | |
| 38 | 331 8380 | Shackle | |
| 39 | 331 8381 | Chain shackle | |
| 40 | 331 9012 | Hook | |
| 41 | 448 2598 | Holder with pivot | |
| 42 | 448 2603 | Locking device | |
| 43 | 448 2605 | Stop | |
| 44 | 449 5745 | Holder with pivot | |
| 45 | 449 5751 | Swivel bearing | |
| 46 | 449 5752 | Part of bracket | |
| 48 | 449 5755 | Stop | |
| 49 | 449 5756 | Holder | |
| 50 | 449 5757 | Adjuster plate | |
| 51 | 449 5758 | swivel bearing | |
| 52 | 449 5759 | Part of bracket | |
| 53 | 549 1330 | Wheel stalk with bearing | |
| 54 | 549 1331 | Wheel stalk with bearing | |
| 55 | 549 5750 | Cross union | |
| 56 | 301 7334 | Screw | |
| 57 | 305 9902 | Spring ring | |
| 58 | 449 1642 | Scraper | |
| 59 | 549 8893 | Bearing | |
| 60 | 317 2005 | Expansion bush | |
| 61 | 317 9373 | Flange bushing | |
| 62 | 449 5760 | Plate | |
| 63 | 449 5761 | Plate | |
| 64 | 301 4539 | Bolt | |
| 65 | 305 6148 | Shim |
Содержащиеся в справочниках-каталогах запасные части и детали не предлагаются к продаже, а носят исключительно информационный характер