Вернуться на главную
Поиск
Каталоги запчастей к технике
Сельхозтехника
Lemken
EurOpal 8
Disc coulter E8 D500-M G
Каталог запасных частей к технике: Lemken EurOpal 8. Disc coulter E8 D500-M G
zoom-in
zoom-out
enlarge
shrink
circle-right
circle-left
file-text2
info
cart
Тип техники
Не выбрано
Легковые автомобили
Грузовые автомобили и прицепы
Автобусы
Сельхозтехника
Спецтехника
Двигатели
Мототехника
Марка
Не выбрано
AGCO
Amity
CASE IH
DongFeng
Fortschritt
Foton
Franz Kleine
Gaspardo
Great Plains
KRONE
KUHN
Lemken
Lovol
MacDon
Massey Ferguson
New Holland
TIGARBO
Vaderstad
Versatile
Wirax
Агро
Агротехмаш
Бобруйскагромаш (ОАО «УКХ «Бобруйскагромаш»)
БЭМЗ
ВгТЗ
Воронежсельмаш
ВТЗ
Гомсельмаш
ДКЗ
ЗАО "Техника-сервис"
ЗиД
КЗК
Кировец-Ландтехник
Клевер
Красная Звезда
Лидагропроммаш
Лидсельмаш
ЛТЗ
Машстройхолдинг
Минитракторы
Мордовагромаш
МТЗ
Навигатор-Новое машиностроение
Нефтекамский автозавод
ПТЗ
Ремком
РСМ
Сибсельмаш
ТеКЗ
ТКЗ
ХЗТСШ
ХТЗ
ЮМЗ
Модель
Не выбрано
Achat 9/400 KA (2004)
Achat 9/500 KA (2004)
Achat 9/600 KA (2004)
Azurit 9 (2018)
Dolomit 9 (2010)
EuroDiamant 10 (2010)
EuroDiamant 10 X (2010)
EuroDiamant 8 (2010)
EuroGranat 5 (2006)
EuroGranat 6 (2006)
EuroGranat 7 (2006)
EurOpal 5 (2010)
EurOpal 5HX (2010)
EurOpal 6 (2010)
EurOpal 7 (2010)
EurOpal 7, EurOpal 7HX (2018)
EurOpal 7X (2010)
EurOpal 7X, EurOpal 7 HydriX (2018)
EurOpal 8 (2010)
EurOpal 9 (2010)
EuroTitan 10 (2010)
EuroTitan 10X (2010)
FixPack (2010)
Gigant 1000 (2010)
Gigant 1000 Smaragd (2010)
Gigant 800 (2010)
Gigant 800 S (2010)
Gigant 800 S Rubin (2006)
Gigant 800 Smaragd (2010)
Heliodor 9/600KA (2018)
Heliodor 9/700KA (2018)
Juwel 8M (2018)
Karat 9/600 KA (2016)
Kristall 9/500KA (2016)
Kristall 9/600KA (2016)
OptiDisc 25 (2018)
Primus 10 (Часть 1) (2017)
Primus 10 (Часть 2) (2017)
Quarz 7/250 (2010)
Quarz 7/250 F (2010)
Quarz 7/300 (2010)
Quarz 7/300F (2010)
Quarz 7/400 (2010)
Quarz 7/400F (2010)
Quarz 7/400K (2010)
Quarz 7/400KA (2010)
Quarz 7/500K (2010)
Quarz 7/500KA (2010)
Quarz 7/600K (2010)
Rubin 10/600 KUA (2018)
Rubin 10/700 KUA (2018)
Rubin 12/400 KUA (A) (2018)
Rubin 12/500 KUA (A) (2018)
Rubin 12/600 KUA (A) (2018)
Rubin 12/700 KUA (2018)
Rubin 9/300 U (2004)
Rubin 9/400 U (2004)
Saphir 7/300 (2010)
Saphir 7/400 (2010)
Smaragd 7/260 (2010)
Smaragd 7/300 (2010)
Smaragd 9/300 (2010)
Smaragd 9/400 (2010)
Smaragd 9/400 (2016)
Smaragd 9/400 K (2016)
Smaragd 9/400K (2010)
Smaragd 9/450K (2010)
Smaragd 9/500 K (2016)
Smaragd 9/500K (2004)
Smaragd 9/600 K (2016)
Smaragd 9/600K (2010)
Smaragd 9/600KA (2010)
Solitair 10/600K (2006)
Solitair 12/1000K (2007)
Solitair 12/1200K (2008)
Solitair 12/1200KD (2018)
Solitair 12/5800SW (2018)
Solitair 12/800K (2006)
Solitair 12/900K (2007)
Solitair 8/300 (2004)
Solitair 8/300 (2014)
Solitair 8/400 (2004)
Solitair 9/300 (2004)
Solitair 9/400 (2004)
Solitair 9/400K (2004)
Solitair 9/400KA (2004)
Solitair 9/450K (2004)
Solitair 9/450KA (2004)
Solitair 9/500K (2004)
Solitair 9/500KA (2009)
Solitair 9/600K (2004)
Solitair 9/600KA (2004)
System-Kompaktor Gigant 1000 (2010)
System-Kompaktor Gigant 800 (2010)
System-Kompaktor K450 (2010)
System-Kompaktor K450A (2010)
System-Kompaktor K500 (2010)
System-Kompaktor K500A (2010)
System-Kompaktor K600 (2010)
System-Kompaktor K600A (2010)
System-Kompaktor S300 (2010)
System-Kompaktor S400 (2010)
System-Korund 300 L (2010)
System-Korund 450 L (2010)
System-Korund 600 L (2010)
System-Korund 750 K (750 L) (2010)
System-Korund 900 K (2010)
System-Korund 900 L (2010)
Thorit 8/300 (2005)
Thorit 8/300 Combi-Liner (2004)
Thorit 8/400 (2010)
Thorit 8/400 Combi-Liner (2004)
Thorit 9/400 K (2004)
Thorit 9/400 KA (2003)
Thorit 9/450 K (2004)
Thorit 9/500 K (2004)
Thorit 9/500 KA (2003)
Thorit 9/600 K (2004)
Thorit 9/600 KA (2003)
Topas 140-A (2010)
Vari-Diamant 10 (2004)
Vari-Diamant 10X (2004)
Vari-Opal 100 (2014)
Vari-Opal 100HX (2014)
Vari-Opal 100X (2014)
Vari-Opal 160 (2014)
Vari-Opal X160 (2014)
Vari-Titan 10 (2010)
Vari-Turmalin 10 (2005)
Vari-Turmalin 10X (2005)
Variopack 110DP70 (2010)
Variopack 110DP90 (2010)
Variopack 110EP90 (2010)
Variopack 110FEPK700 (2010)
Variopack 80DP70 (2010)
Variopack S 110DP70 (2010)
VariOpal 5 (2010)
VariOpal 7 (2010)
VariOpal 7X (2010)
VariOpal 8 (2010)
VariOpal 8X (2010)
VariOpal 9 (2010)
VariOpal 9X (2010)
Zirkon 10/300 (2010)
Zirkon 10/400 (2010)
Zirkon 10/400K (2010)
Zirkon 10/450 (2010)
Zirkon 10/450K (2010)
Zirkon 10/450KA (2010)
Zirkon 10/500K (2010)
Zirkon 10/500KA (2010)
Zirkon 10/600KA (2010)
Zirkon 7/250 (2010)
Zirkon 7/300 (2010)
Zirkon 7/400 (2010)
Zirkon 9/300 (2010)
Zirkon 9/400 (2010)
Zirkon 9/600K "B" (2010)
Схема
>
Не выбрано
EurOpal 8
Top link pin with chain KAT2G D25,4/31,7x158
Top link pin with chain KAT3G D31,7/25,4x158
Tool set EurOpal 8/9+Opal 160
Turnover mechanism E120
Turnover mechanism E120-L
Turnover mechanism E120-OF
Locking device D25x260
Adjustment centre E-60/650
Adjustment centre E-60/650 HY
Adjustment centre E-60/1031 OF
Adjustment centre E-60/1035 O
Adjustment centre E-60/1035 HY OF
Stand R750-800
Stand R750-800
Stand R850-900
Stand R750-800 D120 HY
Stand R850-900 D120 HY
Stand V-R750-800 915mm
Lower link connection E55 L2 Z2
Lower link connection E55 L2 Z3
Lower link connection E55 L3 Z2
Lower link connection E68 L3 Z3
Lower link connection E55FH L2 Z2
Lower link connection E55FH L3 Z2
Lower link connection E55FH L2 Z3
Lower link connection E68FH L3 Z3
Basic frame E8-140-3-900
Basic frame E8-140-4-900
Basic frame E8-140-5-900
Basic frame E8-140-6-900
Basic frame E8-140-3-1000
Basic frame E8-140-4-1000
Basic frame E8-140-5-1000
Basic frame E8-140-6-1000
Basic frame E8-0F-140-3-900
Basic frame E8-0F-140-4-900
Basic frame E8-0F-140-5-900
Basic frame E8-0F-140-6-900
Basic frame E8-0-140-3-1000
Basic frame E8-0-140-4-1000
Basic frame E8-0F-140-5-1000
Frame extension E8-140-900
Frame extension E8-140-1000
Skim stalk D45 E8+9
Skim stalk S 50x30-260 H750
Skim stalk S1 50x30-260 H800
Skim stalk EV-260/179 50x30 H750
Skim stalk EV-260/179 50x30 H800
Skim stalk EV-260/179 50x30 H900
Skim stalk S 50x30-260 H900
Bolts for leg Dural
Leg 80x30/E
Wheel stalk with bearing 60x25x655 E7
Wheel stalk with bearing 60x25x675 Pendelrad
Depth wheel D20x200 E8 615lg
Uni-wheel D20x200/140 E8 5/140
Uni-wheel D20x200/140 E8 6/205
Wheel 5/94/140 D14 10.0/80-12 8PR ET-25
Bearing 5/93,5/140 M14 50x50
Depth wheel E8 10.0/80-12 5/95/14 555lg
Uni-wheel E8 10.0/80-12
Uni-wheel E8 10.0/75-15.3
Uni-wheel E8 13.0/55-16
Carrier for light LH 1
Carrier for light LH3A UNI
Lighting equipment with boards HR+HL7m
Disc coulter E8 D500 G
Disc coulter E8 D500Z
Disc coulter E8 D590Z
Disc coulter E8 D500-M G
Disc coulter E8 D500-M Z
Disc coulter E8 D590-M Z
Attachment arm E1V
Attachment arm E2V
Bracket E8 D16/180x60
HY-assembly attachment arm PA-E1-D
HY-assembly attachment arm PA-E1-K
HY-front furrow adjustment DZ80/40/100-615
HY-width adjuster Memory DZ100/50/120-600 WE
HY-width adjuster Memory-VUP DZ80x320 On-Land
HY-width adjuster Memory-VUP DZ80x320/DZ100x120 On-Land
HY-width adjuster Memory-VUP DZ90x450/DZ100x120 6schar OF
HY-turnover device D80/233 VUP HPS-II-A
HY-turnover+swing-in device D100
1
2
3
4
5
6
7
8
9
10
11
12
13
14
15
16
17
18
19
20
21
22
23
24
24
25
26
27
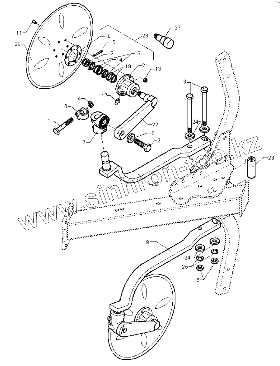
Позиция на иллюстрации
Заводской номер детали
Название детали
1
301 3867
Bolt
2
301 4269
Screw
3
301 4547
Bolt
4
303 0976
Nut
5
303 0977
Nut
6
305 6164
Washer
7
457 9146
Hirth-type bracket
8
457 9870
Stop
9
463 8702
Disc stalk
10
463 8703
Disc stalk
11
301 6123
Countersunk bolt
12
303 0193
Castle nut
13
303 0933
Selflocking nut
14
305 8924
Securing ring
15
311 7613
Peg
16
319 9116
Bearing
17
323 6345
Grease nipple
18
323 7641
Seal
19
323 8032
Oil seal
20
349 0029
Disc
21
447 8882
Hub
22
457 9328
Swinging arm
23
305 6268
Washer
24
317 7511
Tube
25
305 9888
Spring ring
26
547 8883
Bearing
27
215 1667
Axle
Содержащиеся в справочниках-каталогах запасные части и детали не предлагаются к продаже, а носят исключительно информационный характер
Дополнительная информация
×
Название:
Номер:
Примечание: