Вернуться на главную
Поиск
Каталоги запчастей к технике
Сельхозтехника
Lemken
EurOpal 7X
Depth wheel D20x200/120x615 E7
Каталог запасных частей к технике: Lemken EurOpal 7X. Depth wheel D20x200/120x615 E7
zoom-in
zoom-out
enlarge
shrink
circle-right
circle-left
file-text2
info
cart
Тип техники
Не выбрано
Легковые автомобили
Грузовые автомобили и прицепы
Автобусы
Сельхозтехника
Спецтехника
Двигатели
Мототехника
Марка
Не выбрано
AGCO
Amity
CASE IH
DongFeng
Fortschritt
Foton
Franz Kleine
Gaspardo
Great Plains
KRONE
KUHN
Lemken
Lovol
MacDon
Massey Ferguson
New Holland
TIGARBO
Vaderstad
Versatile
Wirax
Агро
Агротехмаш
Бобруйскагромаш (ОАО «УКХ «Бобруйскагромаш»)
БЭМЗ
ВгТЗ
Воронежсельмаш
ВТЗ
Гомсельмаш
ДКЗ
ЗАО "Техника-сервис"
ЗиД
КЗК
Кировец-Ландтехник
Клевер
Красная Звезда
Лидагропроммаш
Лидсельмаш
ЛТЗ
Машстройхолдинг
Минитракторы
Мордовагромаш
МТЗ
Навигатор-Новое машиностроение
Нефтекамский автозавод
ПТЗ
Ремком
РСМ
Сибсельмаш
ТеКЗ
ТКЗ
ХЗТСШ
ХТЗ
ЮМЗ
Модель
Не выбрано
Achat 9/400 KA (2004)
Achat 9/500 KA (2004)
Achat 9/600 KA (2004)
Azurit 9 (2018)
Dolomit 9 (2010)
EuroDiamant 10 (2010)
EuroDiamant 10 X (2010)
EuroDiamant 8 (2010)
EuroGranat 5 (2006)
EuroGranat 6 (2006)
EuroGranat 7 (2006)
EurOpal 5 (2010)
EurOpal 5HX (2010)
EurOpal 6 (2010)
EurOpal 7 (2010)
EurOpal 7, EurOpal 7HX (2018)
EurOpal 7X (2010)
EurOpal 7X, EurOpal 7 HydriX (2018)
EurOpal 8 (2010)
EurOpal 9 (2010)
EuroTitan 10 (2010)
EuroTitan 10X (2010)
FixPack (2010)
Gigant 1000 (2010)
Gigant 1000 Smaragd (2010)
Gigant 800 (2010)
Gigant 800 S (2010)
Gigant 800 S Rubin (2006)
Gigant 800 Smaragd (2010)
Heliodor 9/600KA (2018)
Heliodor 9/700KA (2018)
Juwel 8M (2018)
Karat 9/600 KA (2016)
Kristall 9/500KA (2016)
Kristall 9/600KA (2016)
OptiDisc 25 (2018)
Primus 10 (Часть 1) (2017)
Primus 10 (Часть 2) (2017)
Quarz 7/250 (2010)
Quarz 7/250 F (2010)
Quarz 7/300 (2010)
Quarz 7/300F (2010)
Quarz 7/400 (2010)
Quarz 7/400F (2010)
Quarz 7/400K (2010)
Quarz 7/400KA (2010)
Quarz 7/500K (2010)
Quarz 7/500KA (2010)
Quarz 7/600K (2010)
Rubin 10/600 KUA (2018)
Rubin 10/700 KUA (2018)
Rubin 12/400 KUA (A) (2018)
Rubin 12/500 KUA (A) (2018)
Rubin 12/600 KUA (A) (2018)
Rubin 12/700 KUA (2018)
Rubin 9/300 U (2004)
Rubin 9/400 U (2004)
Saphir 7/300 (2010)
Saphir 7/400 (2010)
Smaragd 7/260 (2010)
Smaragd 7/300 (2010)
Smaragd 9/300 (2010)
Smaragd 9/400 (2010)
Smaragd 9/400 (2016)
Smaragd 9/400 K (2016)
Smaragd 9/400K (2010)
Smaragd 9/450K (2010)
Smaragd 9/500 K (2016)
Smaragd 9/500K (2004)
Smaragd 9/600 K (2016)
Smaragd 9/600K (2010)
Smaragd 9/600KA (2010)
Solitair 10/600K (2006)
Solitair 12/1000K (2007)
Solitair 12/1200K (2008)
Solitair 12/1200KD (2018)
Solitair 12/5800SW (2018)
Solitair 12/800K (2006)
Solitair 12/900K (2007)
Solitair 8/300 (2004)
Solitair 8/300 (2014)
Solitair 8/400 (2004)
Solitair 9/300 (2004)
Solitair 9/400 (2004)
Solitair 9/400K (2004)
Solitair 9/400KA (2004)
Solitair 9/450K (2004)
Solitair 9/450KA (2004)
Solitair 9/500K (2004)
Solitair 9/500KA (2009)
Solitair 9/600K (2004)
Solitair 9/600KA (2004)
System-Kompaktor Gigant 1000 (2010)
System-Kompaktor Gigant 800 (2010)
System-Kompaktor K450 (2010)
System-Kompaktor K450A (2010)
System-Kompaktor K500 (2010)
System-Kompaktor K500A (2010)
System-Kompaktor K600 (2010)
System-Kompaktor K600A (2010)
System-Kompaktor S300 (2010)
System-Kompaktor S400 (2010)
System-Korund 300 L (2010)
System-Korund 450 L (2010)
System-Korund 600 L (2010)
System-Korund 750 K (750 L) (2010)
System-Korund 900 K (2010)
System-Korund 900 L (2010)
Thorit 8/300 (2005)
Thorit 8/300 Combi-Liner (2004)
Thorit 8/400 (2010)
Thorit 8/400 Combi-Liner (2004)
Thorit 9/400 K (2004)
Thorit 9/400 KA (2003)
Thorit 9/450 K (2004)
Thorit 9/500 K (2004)
Thorit 9/500 KA (2003)
Thorit 9/600 K (2004)
Thorit 9/600 KA (2003)
Topas 140-A (2010)
Vari-Diamant 10 (2004)
Vari-Diamant 10X (2004)
Vari-Opal 100 (2014)
Vari-Opal 100HX (2014)
Vari-Opal 100X (2014)
Vari-Opal 160 (2014)
Vari-Opal X160 (2014)
Vari-Titan 10 (2010)
Vari-Turmalin 10 (2005)
Vari-Turmalin 10X (2005)
Variopack 110DP70 (2010)
Variopack 110DP90 (2010)
Variopack 110EP90 (2010)
Variopack 110FEPK700 (2010)
Variopack 80DP70 (2010)
Variopack S 110DP70 (2010)
VariOpal 5 (2010)
VariOpal 7 (2010)
VariOpal 7X (2010)
VariOpal 8 (2010)
VariOpal 8X (2010)
VariOpal 9 (2010)
VariOpal 9X (2010)
Zirkon 10/300 (2010)
Zirkon 10/400 (2010)
Zirkon 10/400K (2010)
Zirkon 10/450 (2010)
Zirkon 10/450K (2010)
Zirkon 10/450KA (2010)
Zirkon 10/500K (2010)
Zirkon 10/500KA (2010)
Zirkon 10/600KA (2010)
Zirkon 7/250 (2010)
Zirkon 7/300 (2010)
Zirkon 7/400 (2010)
Zirkon 9/300 (2010)
Zirkon 9/400 (2010)
Zirkon 9/600K "B" (2010)
Схема
>
Не выбрано
EurOpal 7X
Top link pin with chain KAT2G D25,4/31,7x158
Top link pin with chai KAT3G D31,7/25,4x158
Tool set EurOpal 6/7
Turnover mechanism E100
Locking device D25x260
Adjustment centre V-50/600 HY
Adjustment centre V-50/600
Stand R750-800
Stand R750-800 HY
Lower link connection E55 L2 Z2
Lower link connection E55 L2 Z3
Lower link connection E55 L3 Z2
Lower link connection E68 L3 Z3
Lower link connection E55F L2 Z2
Lower link connection E55F L2 Z3
Lower link connection E55F L3 Z2
Lower link connection E68F L3 Z3
Lower link connection E55FH L2 Z2
Lower link connection E55FH L3 Z2
Lower link connection E55FH L2 Z3
Lower link connection E68FH L3 Z3
Basic frame E7X-120-3-1000
Basic frame E7X-120-4-1000
Basic frame E7X-120-3-900
Basic frame E7X-120-4-900
Frame extension E7X-120-1000
Frame extension E7X-120-900
Skim stalk DE-D45 H750-800
Skim stalk S1 50x30x371/G 80x30
Stop X110-X160, 7X-9X
Trip device with roller 30x80-170-V
Trip device with roller 30x80-170-V/D20
Bolts for leg Dural
Leg 80x30/V
Depth wheel D20x200/120 E7 555lg
Depth wheel D20x200/120x615 E7
Scraper 40x8x330 3xD12
Uni-wheel D20x200/120 E7 5/140
Uni-wheel D20x200/120 E7 6/205
Wheel 5/94/140 D14 10.0/80-12 8PR ET-25
Wheel 5/94/140 D14 195R15 D650x198 4PR ET-0
Wheel 5/94/140 D14 185R14 D650x188 4PR
Bearing 5/93,5/140 D38
Bearing 5/93,5/140 M14 50x50
Bearing V60-6/160/205 D18
Wheel 6/161/205 D18 10.0/75-15.3 12PR AW ET-25
Depth wheel E7 195R15 555lg
Depth wheel E7 10.0/80-12 5/94/14 555lg
Uni-wheel E7 10.0/80-12 710x264
Uni-wheel E7 10.0/75-15.3 770x277
Uni-wheel E7 13.0/55-16 770x336
Bracket E7 D16/160x65 kpl.
Carrier for light LH 1
Carrier for light LH 4 A 120-160
Trip disc-coulter X140-X160 RE 500 G
Trip disc-coulter X140-X160 LI 500 G
Trip disc-coulter X140-X160 RE 500 Z
Trip disc-coulter X140-X160 LI 500 Z
Disc arm D500-G Z50
Disc arm D500-Z Z50
Disc stalk D40/80 Z50
Attachment arm EurOpal 7
Attachment arm E1V
Attachment arm E2V
HY-assembly attachment arm PA-E-K/KUP
HY-assembly attachment arm PA-E-D/KUP
HY-assembly attachment arm PA-E1-D
HY-assembly attachment arm PA-E1-K
HY-frame swing-in device NRS DZ80/40/100-555 E7-RES
HY-front furrow adjuster NRS DZ80/40/100-555 E7-BR-E
HY-turnover device D70/IV-A
HY-turnover+swing-in device DZ80/100-555
Trip device Rolle-HY-170_80.30-D14
Trip device Rolle-HY-170 80x30-D14/D20
Hydraulic assembly X-HY 3SG-900
Hydraulic assembly X-HY 4SG-900
Hydraulic assembly X-HY 5SG-900
Hydraulic assembly X-HY 2SG-1000
Hydraulic assembly X-HY 3SG-1000
Hydraulic assembly X-HY 4SG-1000
Hydraulic assembly X-HY 5SG-1000
Hydraulic assembly X-HY 1SA-900
Hydraulic assembly X-HY 1SA-1000
Holder E+V-Opal 7 X-HY
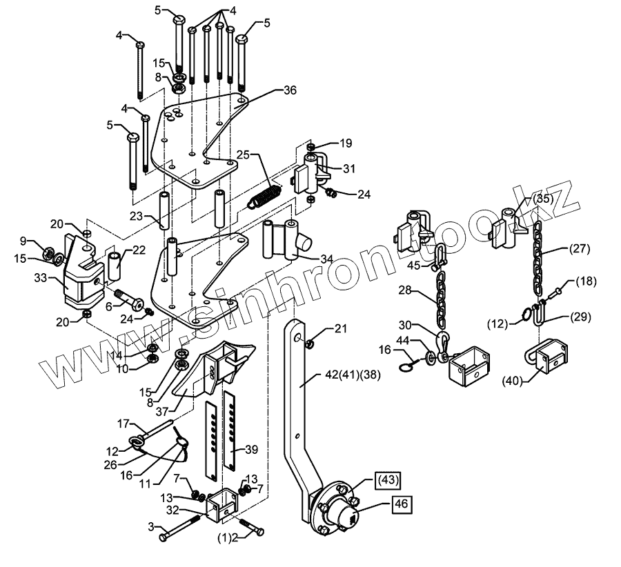
1
2
4
4
4
5
5
5
6
7
7
8
8
9
10
11
12
12
13
13
14
15
15
15
16
16
17
18
19
20
20
21
22
23
24
24
25
26
27
28
29
30
31
32
33
34
35
36
37
39
40
41
42
44
45
46
Позиция на иллюстрации
Заводской номер детали
Название детали
1
301 3391
Bolt
2
301 3461
Bolt
4
301 4118
Bolt
5
301 4523
Bolt
6
301 4604
Bolt
7
303 0972
Nut
8
303 0977
Nut
9
303 0978
Nut
10
303 0990
Nut
11
305 8545
Securing ring
12
305 8551
Securing clip
13
305 9885
Spring ring
14
305 9887
Spring ring
15
305 9888
Spring ring
16
311 9565
Securing pin
17
313 8137
Pin with grip
18
315 8006
Rivet
19
317 3336
Expansion bush
20
317 3338
Expansion bush
21
317 3394
Expansion bush
22
317 6664
Tube
23
317 6859
Tube
24
323 6348
Grease nipple
25
329 8496
Spring
26
331 6130
Chain
27
331 6242
Chain
28
331 6246
Chain
29
331 8380
Shackle
30
331 9012
Hook
31
448 2598
Holder with pivot
32
448 2599
Holder with pivot
33
448 2601
Cross union
34
448 2605
Stop
35
448 2603
Locking device
36
448 2604
Plate
37
448 2602
stop
39
448 2607
Adjuster plate
40
448 2608
Holder
41
448 2606
Wheel stalk
42
548 2608
Wheel stalk with bearing
44
305 6162
Washer
45
331 8381
Chain shackle
46
549 8893
Bearing
Содержащиеся в справочниках-каталогах запасные части и детали не предлагаются к продаже, а носят исключительно информационный характер
Дополнительная информация
×
Название:
Номер:
Примечание: