Каталог запасных частей к технике: Lemken EurOpal 7X. Depth wheel D20x200/120 E7 555lg
1
2
3
4
4
4
5
5
5
6
7
7
8
8
9
10
11
12
12
13
13
14
15
15
15
16
16
17
18
19
20
20
21
22
23
24
24
25
26
27
28
29
30
31
32
33
34
35
36
37
38
39
40
41
42
43
44
45
46
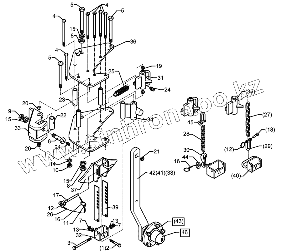
| Позиция на иллюстрации | Заводской номер детали | Название детали | |
|---|---|---|---|
| 1 | 301 3389 | Bolt | |
| 2 | 301 3391 | Bolt | |
| 3 | 301 3461 | Bolt | |
| 4 | 301 4118 | Bolt | |
| 5 | 301 4523 | Bolt | |
| 6 | 301 4604 | Bolt | |
| 7 | 303 0972 | Nut | |
| 8 | 303 0977 | Nut | |
| 9 | 303 0978 | Nut | |
| 10 | 303 0990 | Nut | |
| 11 | 305 8545 | Securing ring | |
| 12 | 305 8551 | Securing clip | |
| 13 | 305 9885 | Spring ring | |
| 14 | 305 9887 | Spring ring | |
| 15 | 305 9888 | Spring ring | |
| 16 | 311 9565 | Securing pin | |
| 17 | 313 8137 | Pin with grip | |
| 18 | 315 8006 | Rivet | |
| 19 | 317 3336 | Expansion bush | |
| 20 | 317 3338 | Expansion bush | |
| 21 | 317 3394 | Expansion bush | |
| 22 | 317 6664 | Tube | |
| 23 | 317 6859 | Tube | |
| 24 | 323 6348 | Grease nipple | |
| 25 | 329 8496 | Spring | |
| 26 | 331 6130 | Chain | |
| 27 | 331 6242 | Chain | |
| 28 | 331 6246 | Chain | |
| 29 | 331 8380 | Shackle | |
| 30 | 331 9012 | Hook | |
| 31 | 448 2598 | Holder with pivot | |
| 32 | 448 2599 | Holder with pivot | |
| 33 | 448 2601 | Cross union | |
| 34 | 448 2605 | Stop | |
| 35 | 448 2603 | Locking device | |
| 36 | 448 2604 | Plate | |
| 37 | 448 2602 | stop | |
| 38 | 448 2606 | Wheel stalk | |
| 39 | 448 2607 | Adjuster plate | |
| 40 | 448 2608 | Holder | |
| 41 | 548 2606 | Wheel stalk with bearing | |
| 42 | 548 2607 | Wheel stalk with bearing | |
| 43 | 549 8892 | Bearing | |
| 44 | 305 6162 | Washer | |
| 45 | 331 8381 | Chain shackle | |
| 46 | 549 8893 | Bearing |
Содержащиеся в справочниках-каталогах запасные части и детали не предлагаются к продаже, а носят исключительно информационный характер