Вернуться на главную
Поиск
Каталоги запчастей к технике
Сельхозтехника
Lemken
EurOpal 7, EurOpal 7HX
657 8001 Disc stalk
Каталог запасных частей к технике: Lemken EurOpal 7, EurOpal 7HX. 657 8001 Disc stalk
zoom-in
zoom-out
enlarge
shrink
circle-right
circle-left
file-text2
info
cart
Тип техники
Не выбрано
Легковые автомобили
Грузовые автомобили и прицепы
Автобусы
Сельхозтехника
Спецтехника
Двигатели
Мототехника
Марка
Не выбрано
AGCO
Amity
CASE IH
DongFeng
Fortschritt
Foton
Franz Kleine
Gaspardo
Great Plains
KRONE
KUHN
Lemken
Lovol
MacDon
Massey Ferguson
New Holland
TIGARBO
Vaderstad
Versatile
Wirax
Агро
Агротехмаш
Бобруйскагромаш (ОАО «УКХ «Бобруйскагромаш»)
БЭМЗ
ВгТЗ
Воронежсельмаш
ВТЗ
Гомсельмаш
ДКЗ
ЗАО "Техника-сервис"
ЗиД
КЗК
Кировец-Ландтехник
Клевер
Красная Звезда
Лидагропроммаш
Лидсельмаш
ЛТЗ
Машстройхолдинг
Минитракторы
Мордовагромаш
МТЗ
Навигатор-Новое машиностроение
Нефтекамский автозавод
ПТЗ
Ремком
РСМ
Сибсельмаш
ТеКЗ
ТКЗ
ХЗТСШ
ХТЗ
ЮМЗ
Модель
Не выбрано
Achat 9/400 KA (2004)
Achat 9/500 KA (2004)
Achat 9/600 KA (2004)
Azurit 9 (2018)
Dolomit 9 (2010)
EuroDiamant 10 (2010)
EuroDiamant 10 X (2010)
EuroDiamant 8 (2010)
EuroGranat 5 (2006)
EuroGranat 6 (2006)
EuroGranat 7 (2006)
EurOpal 5 (2010)
EurOpal 5HX (2010)
EurOpal 6 (2010)
EurOpal 7 (2010)
EurOpal 7, EurOpal 7HX (2018)
EurOpal 7X (2010)
EurOpal 7X, EurOpal 7 HydriX (2018)
EurOpal 8 (2010)
EurOpal 9 (2010)
EuroTitan 10 (2010)
EuroTitan 10X (2010)
FixPack (2010)
Gigant 1000 (2010)
Gigant 1000 Smaragd (2010)
Gigant 800 (2010)
Gigant 800 S (2010)
Gigant 800 S Rubin (2006)
Gigant 800 Smaragd (2010)
Heliodor 9/600KA (2018)
Heliodor 9/700KA (2018)
Juwel 8M (2018)
Karat 9/600 KA (2016)
Kristall 9/500KA (2016)
Kristall 9/600KA (2016)
OptiDisc 25 (2018)
Primus 10 (Часть 1) (2017)
Primus 10 (Часть 2) (2017)
Quarz 7/250 (2010)
Quarz 7/250 F (2010)
Quarz 7/300 (2010)
Quarz 7/300F (2010)
Quarz 7/400 (2010)
Quarz 7/400F (2010)
Quarz 7/400K (2010)
Quarz 7/400KA (2010)
Quarz 7/500K (2010)
Quarz 7/500KA (2010)
Quarz 7/600K (2010)
Rubin 10/600 KUA (2018)
Rubin 10/700 KUA (2018)
Rubin 12/400 KUA (A) (2018)
Rubin 12/500 KUA (A) (2018)
Rubin 12/600 KUA (A) (2018)
Rubin 12/700 KUA (2018)
Rubin 9/300 U (2004)
Rubin 9/400 U (2004)
Saphir 7/300 (2010)
Saphir 7/400 (2010)
Smaragd 7/260 (2010)
Smaragd 7/300 (2010)
Smaragd 9/300 (2010)
Smaragd 9/400 (2010)
Smaragd 9/400 (2016)
Smaragd 9/400 K (2016)
Smaragd 9/400K (2010)
Smaragd 9/450K (2010)
Smaragd 9/500 K (2016)
Smaragd 9/500K (2004)
Smaragd 9/600 K (2016)
Smaragd 9/600K (2010)
Smaragd 9/600KA (2010)
Solitair 10/600K (2006)
Solitair 12/1000K (2007)
Solitair 12/1200K (2008)
Solitair 12/1200KD (2018)
Solitair 12/5800SW (2018)
Solitair 12/800K (2006)
Solitair 12/900K (2007)
Solitair 8/300 (2004)
Solitair 8/300 (2014)
Solitair 8/400 (2004)
Solitair 9/300 (2004)
Solitair 9/400 (2004)
Solitair 9/400K (2004)
Solitair 9/400KA (2004)
Solitair 9/450K (2004)
Solitair 9/450KA (2004)
Solitair 9/500K (2004)
Solitair 9/500KA (2009)
Solitair 9/600K (2004)
Solitair 9/600KA (2004)
System-Kompaktor Gigant 1000 (2010)
System-Kompaktor Gigant 800 (2010)
System-Kompaktor K450 (2010)
System-Kompaktor K450A (2010)
System-Kompaktor K500 (2010)
System-Kompaktor K500A (2010)
System-Kompaktor K600 (2010)
System-Kompaktor K600A (2010)
System-Kompaktor S300 (2010)
System-Kompaktor S400 (2010)
System-Korund 300 L (2010)
System-Korund 450 L (2010)
System-Korund 600 L (2010)
System-Korund 750 K (750 L) (2010)
System-Korund 900 K (2010)
System-Korund 900 L (2010)
Thorit 8/300 (2005)
Thorit 8/300 Combi-Liner (2004)
Thorit 8/400 (2010)
Thorit 8/400 Combi-Liner (2004)
Thorit 9/400 K (2004)
Thorit 9/400 KA (2003)
Thorit 9/450 K (2004)
Thorit 9/500 K (2004)
Thorit 9/500 KA (2003)
Thorit 9/600 K (2004)
Thorit 9/600 KA (2003)
Topas 140-A (2010)
Vari-Diamant 10 (2004)
Vari-Diamant 10X (2004)
Vari-Opal 100 (2014)
Vari-Opal 100HX (2014)
Vari-Opal 100X (2014)
Vari-Opal 160 (2014)
Vari-Opal X160 (2014)
Vari-Titan 10 (2010)
Vari-Turmalin 10 (2005)
Vari-Turmalin 10X (2005)
Variopack 110DP70 (2010)
Variopack 110DP90 (2010)
Variopack 110EP90 (2010)
Variopack 110FEPK700 (2010)
Variopack 80DP70 (2010)
Variopack S 110DP70 (2010)
VariOpal 5 (2010)
VariOpal 7 (2010)
VariOpal 7X (2010)
VariOpal 8 (2010)
VariOpal 8X (2010)
VariOpal 9 (2010)
VariOpal 9X (2010)
Zirkon 10/300 (2010)
Zirkon 10/400 (2010)
Zirkon 10/400K (2010)
Zirkon 10/450 (2010)
Zirkon 10/450K (2010)
Zirkon 10/450KA (2010)
Zirkon 10/500K (2010)
Zirkon 10/500KA (2010)
Zirkon 10/600KA (2010)
Zirkon 7/250 (2010)
Zirkon 7/300 (2010)
Zirkon 7/400 (2010)
Zirkon 9/300 (2010)
Zirkon 9/400 (2010)
Zirkon 9/600K "B" (2010)
Схема
>
Не выбрано
313 7911 Contents
321 9110 Tool set
59010063 Label
633 7505 Turnover mechanism
633 7507 Turnover mechanism
633 7512 Turnover mechanism
633 7552 Turnover mechanism
633 7431 Locking device
602 8240 Basic frame
602 8241 Basic frame
602 8243 Basic frame
602 8244 Basic frame
602 8248 Basic frame
602 8250 Basic frame
602 8523 Basic frame
602 8524 Basic frame
602 8525 Basic frame
602 8526 Basic frame
602 8575 Basic frame
602 8576 Basic frame
602 8577 Basic frame
602 8578 Basic frame
602 8242 Frame extension
602 8245 Frame extension
602 8518 Frame extension
602 8519 Frame extension
602 8520 Frame extension
602 8521 Frame extension
313 7911 Top link pin, cpl.
313 7921 Top link pin, cpl.
634 3149 Adjustment centre
634 3150 Adjustment centre
629 2470 Stand
629 2477 Stand
629 2478 Stand
629 2485 Stand
629 2486 Stand
629 2492 Stand
661 1250 Lower link connection
661 1251 Lower link connection
661 1252 Lower link connection
661 1385 Lower link connection
661 1386 Lower link connection
661 1387 Lower link connection
661 1388 Lower link connection
661 1394 Lower link connection
661 1401 Lower link connection
661 1402 Lower link connection
661 1405 Lower link connection
661 1406 Lower link connection
548 2620 Wheel stalk
548 2621 Wheel stalk
548 2652 Wheel bracket
548 2671 Wheel bracket
549 1220 Scraper
549 1254 Bracket Uni-wheel
549 1731 Wheel stalk
549 1733 Wheel stalk
549 8849 Wheel
549 8858 Wheel 5/94/140 D14
549 8893 Bearing
549 8894 Bearing
549 8900 Flange-type bearing
549 8901 Flange-type bearing
549 8902 Stalk Uni-wheel
549 8903 Bearing
550 8862 Wheel
550 8863 Wheel
550 8864 Wheel
55010332 Wheel
575 2506 Change over ram
648 4182 Depth wheel
648 4196 Depth wheel
648 4213 Depth wheel
648 4222 Depth wheel
649 1656 Uni-wheel
649 1657 Uni-wheel
649 1658 Uni-wheel
649 1682 Uni-wheel
373 4150 Extension cable
570 2086 Lighting equipment
670 1151 Lamp holder
670 1200 Lamp holder
670 1674 Lighting equipment
670 1676 Lighting equipment
670 1708 Lateral warning board
670 2012 Warning boards with lighting
575 2198 Pressure accumulator
575 2314 Hydraulic ram
575 2415 Swing-in ram
575 2417 Swing-in ram
575 2419 Swing-in ram
575 2439 Memory ram
575 2455 Memory ram
575 2490 Change over ram
575 2492 Turn over ram witk VUP
575 2495 Turn over ram witk VUP
675 1150 Hydraulic assembly
675 1151 Hydraulic assembly
675 1152 Hydraulic assembly
675 1322 HY-assembly attachment arm
675 1323 HY-assembly attachment arm
675 1340 HY-assembly attachment arm
675 1346 HY-assembly attachment arm
675 3565 HY-front furrow adjuster NRS
675 3587 HY-width adjuster Memory
675 3595 HY-width adjuster Memory
675 3635 HY-turnover device
675 3637 HY-turnover+swing-in device
675 3639 HY-turnover device
675 3641 HY-turnover device
675 3644 HY-turnover device
675 3645 HY-turnover device
663 8650 Skim stalk
663 8690 Skim stalk
663 8691 Skim stalk
663 8692 Skim stalk
663 8693 Skim stalk
663 8750 Skim stalk
663 8752 Skim stalk
663 8781 Skim stalk
663 8783 Skim stalk
464 4999 Leg
464 5000 Leg
464 5001 Leg
464 5713 Leg
564 5714 Leg
564 5715 Leg
699 6000 Bolts for leg
657 7834 Disc coulter
657 7835 Disc coulter
657 7836 Disc coulter
657 7837 Disc coulter
657 7838 Disc coulter
657 7850 Disc coulter
657 7851 Disc coulter
657 7852 Disc coulter
657 8001 Disc stalk
657 9360 Swinging arm
657 9361 Swinging arm
657 9362 Swinging arm
657 9363 Swinging arm
642 6810 Headland disc
622 2615 Attachment arm
622 2660 Attachment arm
622 2661 Attachment arm
622 2664 Bracket
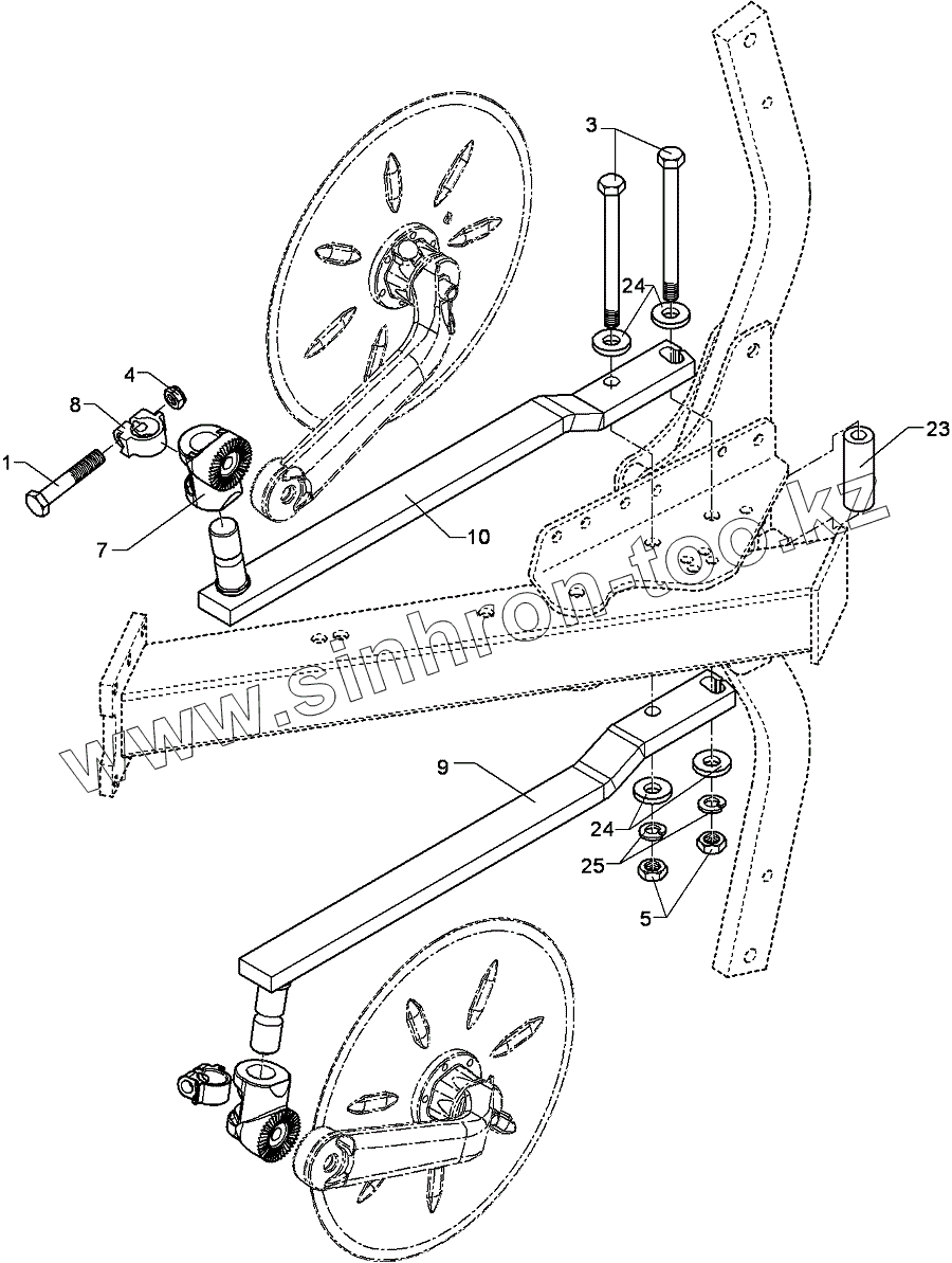
1
3
4
5
7
8
9
10
23
24
24
25
Позиция на иллюстрации
Заводской номер детали
Название детали
1
301 3868
Bolt
3
301 4545
Bolt
4
303 1015
Nut
5
303 0977
Nut
7
457 9146
Hirth-type bracket
8
457 9870
Stop
9
463 8712
Disc stalk
10
463 8713
Disc stalk
23
317 7510
Tube
24
305 6015
Washer
25
305 6012
Washer
Содержащиеся в справочниках-каталогах запасные части и детали не предлагаются к продаже, а носят исключительно информационный характер
Дополнительная информация
×
Название:
Номер:
Примечание: