Вернуться на главную
Поиск
Каталоги запчастей к технике
Сельхозтехника
Lemken
EurOpal 7
Disc coulter E7 D500 G-Z50
Каталог запасных частей к технике: Lemken EurOpal 7. Disc coulter E7 D500 G-Z50
zoom-in
zoom-out
enlarge
shrink
circle-right
circle-left
file-text2
info
cart
Тип техники
Не выбрано
Легковые автомобили
Грузовые автомобили и прицепы
Автобусы
Сельхозтехника
Спецтехника
Двигатели
Мототехника
Марка
Не выбрано
AGCO
Amity
CASE IH
DongFeng
Fortschritt
Foton
Franz Kleine
Gaspardo
Great Plains
KRONE
KUHN
Lemken
Lovol
MacDon
Massey Ferguson
New Holland
TIGARBO
Vaderstad
Versatile
Wirax
Агро
Агротехмаш
Бобруйскагромаш (ОАО «УКХ «Бобруйскагромаш»)
БЭМЗ
ВгТЗ
Воронежсельмаш
ВТЗ
Гомсельмаш
ДКЗ
ЗАО "Техника-сервис"
ЗиД
КЗК
Кировец-Ландтехник
Клевер
Красная Звезда
Лидагропроммаш
Лидсельмаш
ЛТЗ
Машстройхолдинг
Минитракторы
Мордовагромаш
МТЗ
Навигатор-Новое машиностроение
Нефтекамский автозавод
ПТЗ
Ремком
РСМ
Сибсельмаш
ТеКЗ
ТКЗ
ХЗТСШ
ХТЗ
ЮМЗ
Модель
Не выбрано
Achat 9/400 KA (2004)
Achat 9/500 KA (2004)
Achat 9/600 KA (2004)
Azurit 9 (2018)
Dolomit 9 (2010)
EuroDiamant 10 (2010)
EuroDiamant 10 X (2010)
EuroDiamant 8 (2010)
EuroGranat 5 (2006)
EuroGranat 6 (2006)
EuroGranat 7 (2006)
EurOpal 5 (2010)
EurOpal 5HX (2010)
EurOpal 6 (2010)
EurOpal 7 (2010)
EurOpal 7, EurOpal 7HX (2018)
EurOpal 7X (2010)
EurOpal 7X, EurOpal 7 HydriX (2018)
EurOpal 8 (2010)
EurOpal 9 (2010)
EuroTitan 10 (2010)
EuroTitan 10X (2010)
FixPack (2010)
Gigant 1000 (2010)
Gigant 1000 Smaragd (2010)
Gigant 800 (2010)
Gigant 800 S (2010)
Gigant 800 S Rubin (2006)
Gigant 800 Smaragd (2010)
Heliodor 9/600KA (2018)
Heliodor 9/700KA (2018)
Juwel 8M (2018)
Karat 9/600 KA (2016)
Kristall 9/500KA (2016)
Kristall 9/600KA (2016)
OptiDisc 25 (2018)
Primus 10 (Часть 1) (2017)
Primus 10 (Часть 2) (2017)
Quarz 7/250 (2010)
Quarz 7/250 F (2010)
Quarz 7/300 (2010)
Quarz 7/300F (2010)
Quarz 7/400 (2010)
Quarz 7/400F (2010)
Quarz 7/400K (2010)
Quarz 7/400KA (2010)
Quarz 7/500K (2010)
Quarz 7/500KA (2010)
Quarz 7/600K (2010)
Rubin 10/600 KUA (2018)
Rubin 10/700 KUA (2018)
Rubin 12/400 KUA (A) (2018)
Rubin 12/500 KUA (A) (2018)
Rubin 12/600 KUA (A) (2018)
Rubin 12/700 KUA (2018)
Rubin 9/300 U (2004)
Rubin 9/400 U (2004)
Saphir 7/300 (2010)
Saphir 7/400 (2010)
Smaragd 7/260 (2010)
Smaragd 7/300 (2010)
Smaragd 9/300 (2010)
Smaragd 9/400 (2010)
Smaragd 9/400 (2016)
Smaragd 9/400 K (2016)
Smaragd 9/400K (2010)
Smaragd 9/450K (2010)
Smaragd 9/500 K (2016)
Smaragd 9/500K (2004)
Smaragd 9/600 K (2016)
Smaragd 9/600K (2010)
Smaragd 9/600KA (2010)
Solitair 10/600K (2006)
Solitair 12/1000K (2007)
Solitair 12/1200K (2008)
Solitair 12/1200KD (2018)
Solitair 12/5800SW (2018)
Solitair 12/800K (2006)
Solitair 12/900K (2007)
Solitair 8/300 (2004)
Solitair 8/300 (2014)
Solitair 8/400 (2004)
Solitair 9/300 (2004)
Solitair 9/400 (2004)
Solitair 9/400K (2004)
Solitair 9/400KA (2004)
Solitair 9/450K (2004)
Solitair 9/450KA (2004)
Solitair 9/500K (2004)
Solitair 9/500KA (2009)
Solitair 9/600K (2004)
Solitair 9/600KA (2004)
System-Kompaktor Gigant 1000 (2010)
System-Kompaktor Gigant 800 (2010)
System-Kompaktor K450 (2010)
System-Kompaktor K450A (2010)
System-Kompaktor K500 (2010)
System-Kompaktor K500A (2010)
System-Kompaktor K600 (2010)
System-Kompaktor K600A (2010)
System-Kompaktor S300 (2010)
System-Kompaktor S400 (2010)
System-Korund 300 L (2010)
System-Korund 450 L (2010)
System-Korund 600 L (2010)
System-Korund 750 K (750 L) (2010)
System-Korund 900 K (2010)
System-Korund 900 L (2010)
Thorit 8/300 (2005)
Thorit 8/300 Combi-Liner (2004)
Thorit 8/400 (2010)
Thorit 8/400 Combi-Liner (2004)
Thorit 9/400 K (2004)
Thorit 9/400 KA (2003)
Thorit 9/450 K (2004)
Thorit 9/500 K (2004)
Thorit 9/500 KA (2003)
Thorit 9/600 K (2004)
Thorit 9/600 KA (2003)
Topas 140-A (2010)
Vari-Diamant 10 (2004)
Vari-Diamant 10X (2004)
Vari-Opal 100 (2014)
Vari-Opal 100HX (2014)
Vari-Opal 100X (2014)
Vari-Opal 160 (2014)
Vari-Opal X160 (2014)
Vari-Titan 10 (2010)
Vari-Turmalin 10 (2005)
Vari-Turmalin 10X (2005)
Variopack 110DP70 (2010)
Variopack 110DP90 (2010)
Variopack 110EP90 (2010)
Variopack 110FEPK700 (2010)
Variopack 80DP70 (2010)
Variopack S 110DP70 (2010)
VariOpal 5 (2010)
VariOpal 7 (2010)
VariOpal 7X (2010)
VariOpal 8 (2010)
VariOpal 8X (2010)
VariOpal 9 (2010)
VariOpal 9X (2010)
Zirkon 10/300 (2010)
Zirkon 10/400 (2010)
Zirkon 10/400K (2010)
Zirkon 10/450 (2010)
Zirkon 10/450K (2010)
Zirkon 10/450KA (2010)
Zirkon 10/500K (2010)
Zirkon 10/500KA (2010)
Zirkon 10/600KA (2010)
Zirkon 7/250 (2010)
Zirkon 7/300 (2010)
Zirkon 7/400 (2010)
Zirkon 9/300 (2010)
Zirkon 9/400 (2010)
Zirkon 9/600K "B" (2010)
Схема
>
Не выбрано
EurOpal 7
Top link pin with chain KAT2G D25,4/31,7x158
Top link pin with chain KAT3G D31,7/25,4x158
Tool set EurOpal 6/7
Turnover mechanism E100
Turnover mechanism E100-L
Locking device D25x260
Adjustment centre V-50/600 HY
Adjustment centre V-50/600
Stand R750-800
Stand R750-800 HY
Lower link connection E55 L2 Z2
Lower link connection E55 L2 Z3
Lower link connection E55 L3 Z2
Lower link connection E68 L3 Z3
Lower link connection E55F L2 Z2
Lower link connection E55F L2 Z3
Lower link connection E55F L3 Z2
Lower link connection E68F L3 Z3
Lower link connection E55FH L2 Z2
Lower link connection E55FH L3 Z2
Lower link connection E55FH L2 Z3
Lower link connection E68FH L3 Z3
Basic frame E7-120-3-1000
Basic frame E7-120-4-1000
Basic frame E7-120-3-900
Basic frame E7-120-4-900
Frame extension E7-120-1000
Frame extension E7-120-900
Headland attachment disc GPS-E7-D530
Skim stalk D45 EurOpal 6+7
Skim stalk S1 50x30 H750
Skim stalk EV 50x30 H750
Skim stalk S1 50x30 H800
Skim stalk EV 50x30 H800
Skim stalk EV-220 50x30 H750-B
Skim stalk EV-220 50x30 H800-B
Bolts for leg Dural
Leg 80x30/E
Depth wheel D20x200/120 E7 555lg
Depth wheel D20x200/120x615 E7
Scraper 40x8x330 3xD12
Uni-wheel D20x200/120 E7 5/140
Uni-wheel D20x200/120 E7 6/205
Wheel 5/94/140 D14 10.0/80-12 8PR ET-25
Wheel 5/94/140 D14 195R15 D650x198 4PR ET-0
Wheel 5/94/140 D14 185R14 D650x188 4PR
Bearing 5/93,5/140 D38
Bearing 5/93,5/140 M14 50x50
Bearing V60-6/160/205 D18
Wheel 6/161/205 D18 10.0/75-15.3 12PR AW ET-25
Depth wheel E7 195R15 555lg
Depth wheel E7 10.0/80-12 5/94/14 555lg
Uni-wheel E7 10.0/80-12 710x264
Uni-wheel E7 10.0/75-15.3 770x277
Uni-wheel E7 13.0/55-16 770x336
Carrier for light LH 1
Carrier for light LH 4 A 120-160
Disc coulter E7 D500 G-Z50
Disc coulter E7 D500-Z Z50
Disc coulter E7 D500 A Z Z40
Disc coulter E7 D500 A G-Z40
Disc coulter E7 D500-M G
Disc coulter E7 D500-M Z
Attachment arm EurOpal 7
Attachment arm E1V
Attachment arm E2V
Bracket E7 D16/160x65 kpl.
HY-assembly attachment arm PA-E-K/KUP
HY-assembly attachment arm PA-E-D/KUP
HY-assembly attachment arm PA-E1-D
HY-assembly attachment arm PA-E1-K
HY-frame swing-in device NRS DZ80/40/100-555 E7-RES
HY-front furrow adjuster NRS DZ80/40/100-555 E7-BR-E
HY-turnover device D70/IV-A
HY-turnover+swing-in device DZ80/100-555
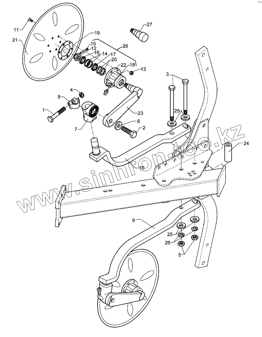
1
2
3
4
5
6
7
8
9
10
11
12
13
14
15
16
17
18
19
20
21
22
23
24
25
25
26
26
27
Позиция на иллюстрации
Заводской номер детали
Название детали
1
301 3867
Bolt
2
301 4231
Screw
3
301 4556
Bolt
4
303 0976
Nut
5
303 0978
Nut
6
305 6164
Washer
7
457 9145
Hirth-type bracket
8
457 9870
Stop
9
463 8682
Disc stalk
10
463 8683
Disc stalk
11
301 6123
Countersunk bolt
12
303 0193
Castle nut
13
303 0933
Selflocking nut
14
305 8924
Securing ring
15
311 7613
Peg
16
319 9116
Bearing
17
319 9166
Bearing
18
323 6345
Grease nipple
19
323 7641
Seal
20
323 8032
Oil seal
21
349 0029
Disc
22
447 8882
Hub
23
457 9329
Swinging arm
24
317 7510
Tube
25
305 6268
Washer
26
305 9888
Spring ring
27
215 7927
Axle
Содержащиеся в справочниках-каталогах запасные части и детали не предлагаются к продаже, а носят исключительно информационный характер
Дополнительная информация
×
Название:
Номер:
Примечание: