Вернуться на главную
Поиск
Каталоги запчастей к технике
Сельхозтехника
Lemken
EuroDiamant 10
Disc coulter E9 D500 G
Каталог запасных частей к технике: Lemken EuroDiamant 10. Disc coulter E9 D500 G
zoom-in
zoom-out
enlarge
shrink
circle-right
circle-left
file-text2
info
cart
Тип техники
Не выбрано
Легковые автомобили
Грузовые автомобили и прицепы
Автобусы
Сельхозтехника
Спецтехника
Двигатели
Мототехника
Марка
Не выбрано
AGCO
Amity
CASE IH
DongFeng
Fortschritt
Foton
Franz Kleine
Gaspardo
Great Plains
KRONE
KUHN
Lemken
Lovol
MacDon
Massey Ferguson
New Holland
TIGARBO
Vaderstad
Versatile
Wirax
Агро
Агротехмаш
Бобруйскагромаш (ОАО «УКХ «Бобруйскагромаш»)
БЭМЗ
ВгТЗ
Воронежсельмаш
ВТЗ
Гомсельмаш
ДКЗ
ЗАО "Техника-сервис"
ЗиД
КЗК
Кировец-Ландтехник
Клевер
Красная Звезда
Лидагропроммаш
Лидсельмаш
ЛТЗ
Машстройхолдинг
Минитракторы
Мордовагромаш
МТЗ
Навигатор-Новое машиностроение
Нефтекамский автозавод
ПТЗ
Ремком
РСМ
Сибсельмаш
ТеКЗ
ТКЗ
ХЗТСШ
ХТЗ
ЮМЗ
Модель
Не выбрано
Achat 9/400 KA (2004)
Achat 9/500 KA (2004)
Achat 9/600 KA (2004)
Azurit 9 (2018)
Dolomit 9 (2010)
EuroDiamant 10 (2010)
EuroDiamant 10 X (2010)
EuroDiamant 8 (2010)
EuroGranat 5 (2006)
EuroGranat 6 (2006)
EuroGranat 7 (2006)
EurOpal 5 (2010)
EurOpal 5HX (2010)
EurOpal 6 (2010)
EurOpal 7 (2010)
EurOpal 7, EurOpal 7HX (2018)
EurOpal 7X (2010)
EurOpal 7X, EurOpal 7 HydriX (2018)
EurOpal 8 (2010)
EurOpal 9 (2010)
EuroTitan 10 (2010)
EuroTitan 10X (2010)
FixPack (2010)
Gigant 1000 (2010)
Gigant 1000 Smaragd (2010)
Gigant 800 (2010)
Gigant 800 S (2010)
Gigant 800 S Rubin (2006)
Gigant 800 Smaragd (2010)
Heliodor 9/600KA (2018)
Heliodor 9/700KA (2018)
Juwel 8M (2018)
Karat 9/600 KA (2016)
Kristall 9/500KA (2016)
Kristall 9/600KA (2016)
OptiDisc 25 (2018)
Primus 10 (Часть 1) (2017)
Primus 10 (Часть 2) (2017)
Quarz 7/250 (2010)
Quarz 7/250 F (2010)
Quarz 7/300 (2010)
Quarz 7/300F (2010)
Quarz 7/400 (2010)
Quarz 7/400F (2010)
Quarz 7/400K (2010)
Quarz 7/400KA (2010)
Quarz 7/500K (2010)
Quarz 7/500KA (2010)
Quarz 7/600K (2010)
Rubin 10/600 KUA (2018)
Rubin 10/700 KUA (2018)
Rubin 12/400 KUA (A) (2018)
Rubin 12/500 KUA (A) (2018)
Rubin 12/600 KUA (A) (2018)
Rubin 12/700 KUA (2018)
Rubin 9/300 U (2004)
Rubin 9/400 U (2004)
Saphir 7/300 (2010)
Saphir 7/400 (2010)
Smaragd 7/260 (2010)
Smaragd 7/300 (2010)
Smaragd 9/300 (2010)
Smaragd 9/400 (2010)
Smaragd 9/400 (2016)
Smaragd 9/400 K (2016)
Smaragd 9/400K (2010)
Smaragd 9/450K (2010)
Smaragd 9/500 K (2016)
Smaragd 9/500K (2004)
Smaragd 9/600 K (2016)
Smaragd 9/600K (2010)
Smaragd 9/600KA (2010)
Solitair 10/600K (2006)
Solitair 12/1000K (2007)
Solitair 12/1200K (2008)
Solitair 12/1200KD (2018)
Solitair 12/5800SW (2018)
Solitair 12/800K (2006)
Solitair 12/900K (2007)
Solitair 8/300 (2004)
Solitair 8/300 (2014)
Solitair 8/400 (2004)
Solitair 9/300 (2004)
Solitair 9/400 (2004)
Solitair 9/400K (2004)
Solitair 9/400KA (2004)
Solitair 9/450K (2004)
Solitair 9/450KA (2004)
Solitair 9/500K (2004)
Solitair 9/500KA (2009)
Solitair 9/600K (2004)
Solitair 9/600KA (2004)
System-Kompaktor Gigant 1000 (2010)
System-Kompaktor Gigant 800 (2010)
System-Kompaktor K450 (2010)
System-Kompaktor K450A (2010)
System-Kompaktor K500 (2010)
System-Kompaktor K500A (2010)
System-Kompaktor K600 (2010)
System-Kompaktor K600A (2010)
System-Kompaktor S300 (2010)
System-Kompaktor S400 (2010)
System-Korund 300 L (2010)
System-Korund 450 L (2010)
System-Korund 600 L (2010)
System-Korund 750 K (750 L) (2010)
System-Korund 900 K (2010)
System-Korund 900 L (2010)
Thorit 8/300 (2005)
Thorit 8/300 Combi-Liner (2004)
Thorit 8/400 (2010)
Thorit 8/400 Combi-Liner (2004)
Thorit 9/400 K (2004)
Thorit 9/400 KA (2003)
Thorit 9/450 K (2004)
Thorit 9/500 K (2004)
Thorit 9/500 KA (2003)
Thorit 9/600 K (2004)
Thorit 9/600 KA (2003)
Topas 140-A (2010)
Vari-Diamant 10 (2004)
Vari-Diamant 10X (2004)
Vari-Opal 100 (2014)
Vari-Opal 100HX (2014)
Vari-Opal 100X (2014)
Vari-Opal 160 (2014)
Vari-Opal X160 (2014)
Vari-Titan 10 (2010)
Vari-Turmalin 10 (2005)
Vari-Turmalin 10X (2005)
Variopack 110DP70 (2010)
Variopack 110DP90 (2010)
Variopack 110EP90 (2010)
Variopack 110FEPK700 (2010)
Variopack 80DP70 (2010)
Variopack S 110DP70 (2010)
VariOpal 5 (2010)
VariOpal 7 (2010)
VariOpal 7X (2010)
VariOpal 8 (2010)
VariOpal 8X (2010)
VariOpal 9 (2010)
VariOpal 9X (2010)
Zirkon 10/300 (2010)
Zirkon 10/400 (2010)
Zirkon 10/400K (2010)
Zirkon 10/450 (2010)
Zirkon 10/450K (2010)
Zirkon 10/450KA (2010)
Zirkon 10/500K (2010)
Zirkon 10/500KA (2010)
Zirkon 10/600KA (2010)
Zirkon 7/250 (2010)
Zirkon 7/300 (2010)
Zirkon 7/400 (2010)
Zirkon 9/300 (2010)
Zirkon 9/400 (2010)
Zirkon 9/600K "B" (2010)
Схема
>
Не выбрано
EuroDiamant 10
Top link pin with chain KAT2G D25,4/31,7x158
Top link pin with chain KAT3G D31,7/25,4x158
Headstock D100 Diamant 10
Lower link connection AD10 D68 L2 Z3
Lower link connection AD10 D68 L3 Z3
Lower link connection AD10 D68 L3 Z4
Lower link connection AD10 D68 L1100 Z4 K700
Lower link connection D68/68 L3 Z3/91
Headstock Drehwerk Diamant 10 On-Land
Headstock Drehwerk Diamant 10
Tool set Vari-Diamant/Diamant S
Turnbuckle TR30x3/730/520 MVS
Stabilizer 8-100 AD10 140x5010
Stabilizer 5-100 AD10 140x2010
Stabilizer 6-100 AD10 140x3010
Stabilizer 7-100 AD10 140x4010
Stabilizer 5-100 AD10 140x1912
Stabilizer 6-100 AD10 140x2912
Stabilizer 7-100 AD10 140x3912
Stabilizer 8-100 AD10 140x4912
Stabilizer joint VT10
Stabilizer joint AD10
Basic frame EuroDiamant 10 5-100
Basic frame EuroDiamant 10 6-100
Basic frame EuroDiamant 10 7-100
Basic frame EuroDiamant 10 8-100
Frame extension E9-160-1000
Bearing V60-6/160/205 D18
Bearing D35x622 6/205 MONROC
Wheel 6/161/205 D18 11.5/80-15.3 10PR AW
Wheel 6/161/205 D18 38x20,00x16,1 STG 8PR Li
Wheel 6/161/205 D18 NOKIA 500/60-15.5 ELS ET-0
Depth wheel Vari-Diamant 10
Swinging depth wheel D50x160 Diamant10 11,5/80-15,3
Disc coulter E9 D500 G
Disc coulter E9 D500 Z
Disc coulter E9 D590 Z
Disc coulter E9 D500-M G
Disc coulter E9 D500-M Z
Disc coulter E9 D590-M Z
Lighting equipment BLA-1 PF/UNI 33,7x1580
Bolts for leg Dural
Skim stalk S1 50x30x1134-260/220 H800
Skim stalk S1 50x30-260 H800
Skim stalk EV-260/179 50x30 H800
Skim stalk EV-V 260/179 50x30 H800-900
Skim stalk EV-260/179 50x30 H900
Skim stalk S 50x30-260 H900
Attachment arm E2V
Bracket Diamant 10
HY-assembly attachment arm PA-Vari-Diamant
HY-front furrow adjustment HY V-AD-10 5-100
HY-front furrow adjustment HY V-AD-10 6-100
HY-front furrow adjustment HY V-AD-10 7-100
HY-front furrow adjustment HY V-AD-10 8-100
HY-assembly turnover device ET78/97-500 Diamant 10
HY-assembly Onland DZ80-320 Diamant 10
HY-assembly depth wheel Diamant ED10 5-100
HY-assembly depth wheel 6-100 ED10
HY-assembly depth wheel 7-100 ED10
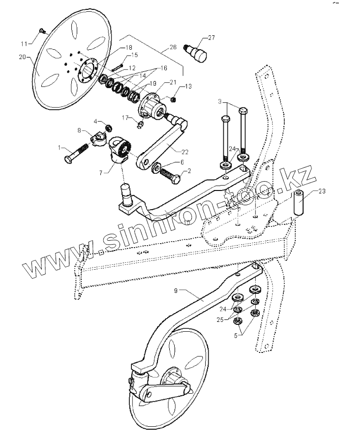
1
2
3
4
5
6
7
8
9
10
11
12
13
14
15
16
17
18
19
20
21
22
23
24
24
25
26
27
Позиция на иллюстрации
Заводской номер детали
Название детали
1
301 3867
Bolt
2
301 4269
Screw
3
301 4578
Bolt
4
303 0976
Nut
5
303 0978
Nut
6
305 6164
Washer
7
457 9146
Hirth-type bracket
8
457 9870
Stop
9
463 8682
Disc stalk
10
463 8683
Disc stalk
11
301 6123
Countersunk bolt
12
303 0193
Castle nut
13
303 0933
Selflocking nut
14
305 8924
Securing ring
15
311 7613
Peg
16
319 9116
Bearing
17
323 6345
Grease nipple
18
323 7641
Seal
19
323 8032
Oil seal
20
349 0029
Disc
21
447 8882
Hub
22
457 9328
Swinging arm
23
317 7528
Tube
24
305 6268
Washer
25
305 9888
Spring ring
26
547 8883
Bearing
27
215 1667
Axle
Содержащиеся в справочниках-каталогах запасные части и детали не предлагаются к продаже, а носят исключительно информационный характер
Дополнительная информация
×
Название:
Номер:
Примечание: