Вернуться на главную
Поиск
Каталоги запчастей к технике
Сельхозтехника
КЗК
Енисей КЗС-960 (2010)
Бак масляный
Каталог запасных частей к технике: КЗК Енисей КЗС-960 (2010). Бак масляный
zoom-in
zoom-out
enlarge
shrink
circle-right
circle-left
file-text2
info
cart
Тип техники
Не выбрано
Легковые автомобили
Грузовые автомобили и прицепы
Автобусы
Сельхозтехника
Спецтехника
Двигатели
Мототехника
Марка
Не выбрано
AGCO
Amity
CASE IH
DongFeng
Fortschritt
Foton
Franz Kleine
Gaspardo
Great Plains
KRONE
KUHN
Lemken
Lovol
MacDon
Massey Ferguson
New Holland
TIGARBO
Vaderstad
Versatile
Wirax
Агро
Агротехмаш
Бобруйскагромаш (ОАО «УКХ «Бобруйскагромаш»)
БЭМЗ
ВгТЗ
Воронежсельмаш
ВТЗ
Гомсельмаш
ДКЗ
ЗАО "Техника-сервис"
ЗиД
КЗК
Кировец-Ландтехник
Клевер
Красная Звезда
Лидагропроммаш
Лидсельмаш
ЛТЗ
Машстройхолдинг
Минитракторы
Мордовагромаш
МТЗ
Навигатор-Новое машиностроение
Нефтекамский автозавод
ПТЗ
Ремком
РСМ
Сибсельмаш
ТеКЗ
ТКЗ
ХЗТСШ
ХТЗ
ЮМЗ
Модель
Не выбрано
Енисей 1200
Енисей 1200М
Енисей КЗС-950 (2005)
Енисей КЗС-950 (2009)
Енисей КЗС-960 (2008)
Енисей КЗС-960 (2010) (2010)
Енисей-324 (2008)
Схема
>
Не выбрано
Комбайн (общий вид)
Схема передач левой стороны
Схема передач правой стороны
Схема передач правой стороны
Кабина
Установка задней панели
Дверь кабины правая
Дверь кабины левая
Облицовка кабины
Панель передняя
Козырек
Площадка водителя
Каркас нижний площадки водителя
Каркас нижний
Площадка водителя
Механизм тормозов
Механизм блокировки КПП
Пульт управления
Рулевая колонка
Установка отопителя
Механизм поворота лестницы
Лестница
Каркас правой стороны, установка поручней
Каркас левой стороны, установка поручней
Капотировка левой стороны
Капотировка правой стороны
Лестница задняя, надставка лестницы
Кондиционер
Жатвенная часть
Жатка
Мотовило
Привод мотовила
Щиток верхний
Шнек жатки
Пальчиковый механизм шнека жатки
Предохранительное устройство
Режущий аппарат
Поддержка левая, поддержка правая
Щитки ограждения привода режущего аппарата
Щитки правой стороны
Вал контрприводной
Ролик в сборе
Шкив вариатора верхний
Шкив вариатора нижний
Звездочка обводная
Башмак в сборе, опора жатки
Щиток переходной
Блок уравновешивания левый
Блок уравновешивания правый
Шкив
Вал карданный
Наклонная камера
Наклонная камера
Вал транспортера нижний
Барабан
Труба с роликами
Звездочка натяжная
Устройство предохранительное
Вал верхний
Направляющая
Успокоитель нижний
Успокоитель верхний
Щиток левый
Щиток правый
Шкив
Проставка
Битер
Контрпривод
Плита
Вал контрпривода
Щиток пылезащитный
Ролик натяжной
Гидрооборудоваие жатки
Аппарат молотильный
Аппарат молотильный
Аппарат молотильный
Секция панели передняя левая
Секция панели передняя правая
Камнеуловитель
Барабан молотильный
Барабан молотильный
Подбарабанье первого барабана
Подбарабанье первого барабана
Битер промежуточный
Блок второго барабана
Барабан второй
Подбарабанье второго барабана
Битер отбойный
Шкив вариатора ведущий
Шкив вариатора барабана
Механизм включения и отключения молотилки
Механизм натяжения ремня
Механизм отключения жатки
Корпус молотилки
Соломотряс
Вал соломотряса ведущий и ведомый
Шасси
Грохот
Решето очистки верхнее
Решетный стан нижний, подвеска решетного стана
Решето очистки нижнее
Кронштейны регулировки тяг
Удлинитель грохота
Рычаг очистки левый, рычаг очистки правый
Вентилятор
Вал колебательный
Бункер
Бункер
Бункер (вид слева)
Бункер (вид справа)
Бункер (вид сзади)
Бункер (установка заслонок)
Корпус бункера
Верхний корпус бункера
Стенка
Крышка бункера
Крышка бункера
Щиток в сборе
Шнек загрузочный
Опора шнека
Тяга
Ролик натяжной
Ролик натяжной
Ролик натяжной
Выгрузное устройство
Выгрузное устройство
Успокоитель
Редуктор в сборе
Контрпривод редуктора
Контрпривод выгрузного устройства
Шнек зерновой
Шнек колосовой
Камера пересыпная
Элеватор колосовой
Элеватор зерновой
Головка нижняя в сборе
Контрпривод элеватора
Механизм предохранительный
Планка в сборе
Устройство домолачивающее
Барабан домолотки
Барабан домолотки
Измельчитель
Капот
Поддон Брус ножевой
Разбрасыватель
Щиток
Блок радиаторов
Проставка в сборе
Установка воздухоочистителя
Трубопровод забора топлива
Трубопровод
Трубопровод слива топлива
Трубопровод
Трубопровод
Сливная трубка
Труба сливная
Монтаж трубопроводов радиаторного узла
Установка моторная с дизелем Д3045-КР
Мост управляемых колёс
Балка моста в сборе
Мост ведущий унифицированный с гидроприводом
Вал трансмиссионный
Редуктор бортовой левый, редуктор бортовой
Редуктор бортовой
Коробка диапазонов 4-х ступенчатая
Коробка диапазонов 4-х ступенчатая
Дифференциал
Механизм переключения коробки диапазонов
Колесо главное
Монтаж электрооборудования на комбайне
Монтаж электрооборудования комбайна правая сторона
Блок аккумуляторных батарей
Монтаж электрооборудования кабины
Гидросистема
Гидросистема
Гидросистема привода хода
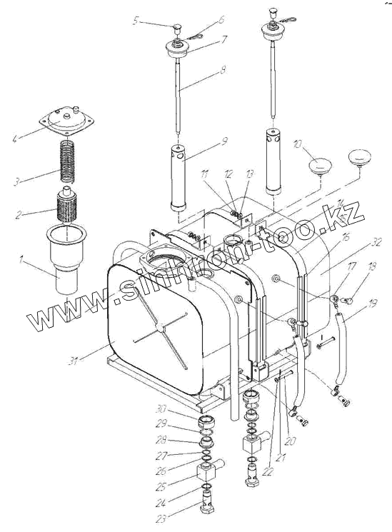
Бак масляный
Распределитель в сборе правый
Распределитель в сборе левый
Распределитель в сборе
Платформа подборщик
Платформа
Транспортер
Щиток верхний
Вал приводной
Шкив вариатора нижний
Шкив вариатора верхний
Щитки ограждения
Опора жатки
Транспортер
Вал ведущий
Вал ведомый
Лента транспортера
Нормализатор
Колесо
Шкив
Устройство разгружающее
Стеблесъемник
Проставка
Плита с подшипником
Шкив натяжной
Инструмент и принадлежности
Инструмент и принадлежности
Инструмент и принадлежности
1
2
3
4
5
6
7
8
9
10
11
12
13
14
15
16
17
18
19
20
21
22
23
24
25
26
27
28
29
30
31
32
Позиция на иллюстрации
Заводской номер детали
Название детали
1
960.09.17.01.400
Стакан в сборе
2
0075R020P/HC
Фильтроэлемент
3
DF-140-03233085
Пружина
4
12.09.17.03.000
Крышка
5
КДМ0426А
Ручка
6
54-61977
Шплинт
7
ГСТМ0007
Пробка
8
Р6174Б
Шток
9
12.90.01.03.010Б
Труба
10
151.57.039
Сапун
11
М10-6Н.6.019
Гайка
12
10.65Г.019
Шайба
13
А10.01.019
Шайба
14
M10х75.46.019
Болт
15
Р9-17-4
Хомут
16
КДМ0369-04
Прокладка
17
54-30020
Угольник поворотный
18
16-110А
Болт поворотного угольника
19
12.09.17.05.000
Трубка уровня
20
6-8b1255.10.Ц9
Ось
21
2x14.019
Шплинт
22
А8.01.019
Шайба
23
ГСТ6108В
Болт
24
00194
Кольцо
25
960.90.02.00.000
Угольник
26
ГСТ0011
Шайба
27
021-025-25-2-2
Кольцо
28
ГСТ6026Б-02
Штуцер
29
028-033-30-2-2
Кольцо
30
960.90.01.01.601
Штуцер
31
960.09.17.01.000
Бак основной гидросистемы
32
Р90-1А-02
Бак ГСТ
Содержащиеся в справочниках-каталогах запасные части и детали не предлагаются к продаже, а носят исключительно информационный характер
Дополнительная информация
×
Название:
Номер:
Примечание: