Вернуться на главную
Поиск
Каталоги запчастей к технике
Сельхозтехника
КЗК
Енисей КЗС-960 (2010)
Аппарат молотильный
Каталог запасных частей к технике: КЗК Енисей КЗС-960 (2010). Аппарат молотильный
zoom-in
zoom-out
enlarge
shrink
circle-right
circle-left
file-text2
info
cart
Тип техники
Не выбрано
Легковые автомобили
Грузовые автомобили и прицепы
Автобусы
Сельхозтехника
Спецтехника
Двигатели
Мототехника
Марка
Не выбрано
AGCO
Amity
CASE IH
DongFeng
Fortschritt
Foton
Franz Kleine
Gaspardo
Great Plains
KRONE
KUHN
Lemken
Lovol
MacDon
Massey Ferguson
New Holland
TIGARBO
Vaderstad
Versatile
Wirax
Агро
Агротехмаш
Бобруйскагромаш (ОАО «УКХ «Бобруйскагромаш»)
БЭМЗ
ВгТЗ
Воронежсельмаш
ВТЗ
Гомсельмаш
ДКЗ
ЗАО "Техника-сервис"
ЗиД
КЗК
Кировец-Ландтехник
Клевер
Красная Звезда
Лидагропроммаш
Лидсельмаш
ЛТЗ
Машстройхолдинг
Минитракторы
Мордовагромаш
МТЗ
Навигатор-Новое машиностроение
Нефтекамский автозавод
ПТЗ
Ремком
РСМ
Сибсельмаш
ТеКЗ
ТКЗ
ХЗТСШ
ХТЗ
ЮМЗ
Модель
Не выбрано
Енисей 1200
Енисей 1200М
Енисей КЗС-950 (2005)
Енисей КЗС-950 (2009)
Енисей КЗС-960 (2008)
Енисей КЗС-960 (2010) (2010)
Енисей-324 (2008)
Схема
>
Не выбрано
Комбайн (общий вид)
Схема передач левой стороны
Схема передач правой стороны
Схема передач правой стороны
Кабина
Установка задней панели
Дверь кабины правая
Дверь кабины левая
Облицовка кабины
Панель передняя
Козырек
Площадка водителя
Каркас нижний площадки водителя
Каркас нижний
Площадка водителя
Механизм тормозов
Механизм блокировки КПП
Пульт управления
Рулевая колонка
Установка отопителя
Механизм поворота лестницы
Лестница
Каркас правой стороны, установка поручней
Каркас левой стороны, установка поручней
Капотировка левой стороны
Капотировка правой стороны
Лестница задняя, надставка лестницы
Кондиционер
Жатвенная часть
Жатка
Мотовило
Привод мотовила
Щиток верхний
Шнек жатки
Пальчиковый механизм шнека жатки
Предохранительное устройство
Режущий аппарат
Поддержка левая, поддержка правая
Щитки ограждения привода режущего аппарата
Щитки правой стороны
Вал контрприводной
Ролик в сборе
Шкив вариатора верхний
Шкив вариатора нижний
Звездочка обводная
Башмак в сборе, опора жатки
Щиток переходной
Блок уравновешивания левый
Блок уравновешивания правый
Шкив
Вал карданный
Наклонная камера
Наклонная камера
Вал транспортера нижний
Барабан
Труба с роликами
Звездочка натяжная
Устройство предохранительное
Вал верхний
Направляющая
Успокоитель нижний
Успокоитель верхний
Щиток левый
Щиток правый
Шкив
Проставка
Битер
Контрпривод
Плита
Вал контрпривода
Щиток пылезащитный
Ролик натяжной
Гидрооборудоваие жатки
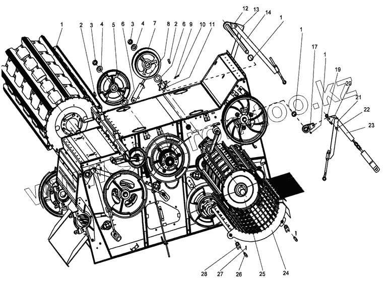
Аппарат молотильный
Аппарат молотильный
Аппарат молотильный
Секция панели передняя левая
Секция панели передняя правая
Камнеуловитель
Барабан молотильный
Барабан молотильный
Подбарабанье первого барабана
Подбарабанье первого барабана
Битер промежуточный
Блок второго барабана
Барабан второй
Подбарабанье второго барабана
Битер отбойный
Шкив вариатора ведущий
Шкив вариатора барабана
Механизм включения и отключения молотилки
Механизм натяжения ремня
Механизм отключения жатки
Корпус молотилки
Соломотряс
Вал соломотряса ведущий и ведомый
Шасси
Грохот
Решето очистки верхнее
Решетный стан нижний, подвеска решетного стана
Решето очистки нижнее
Кронштейны регулировки тяг
Удлинитель грохота
Рычаг очистки левый, рычаг очистки правый
Вентилятор
Вал колебательный
Бункер
Бункер
Бункер (вид слева)
Бункер (вид справа)
Бункер (вид сзади)
Бункер (установка заслонок)
Корпус бункера
Верхний корпус бункера
Стенка
Крышка бункера
Крышка бункера
Щиток в сборе
Шнек загрузочный
Опора шнека
Тяга
Ролик натяжной
Ролик натяжной
Ролик натяжной
Выгрузное устройство
Выгрузное устройство
Успокоитель
Редуктор в сборе
Контрпривод редуктора
Контрпривод выгрузного устройства
Шнек зерновой
Шнек колосовой
Камера пересыпная
Элеватор колосовой
Элеватор зерновой
Головка нижняя в сборе
Контрпривод элеватора
Механизм предохранительный
Планка в сборе
Устройство домолачивающее
Барабан домолотки
Барабан домолотки
Измельчитель
Капот
Поддон Брус ножевой
Разбрасыватель
Щиток
Блок радиаторов
Проставка в сборе
Установка воздухоочистителя
Трубопровод забора топлива
Трубопровод
Трубопровод слива топлива
Трубопровод
Трубопровод
Сливная трубка
Труба сливная
Монтаж трубопроводов радиаторного узла
Установка моторная с дизелем Д3045-КР
Мост управляемых колёс
Балка моста в сборе
Мост ведущий унифицированный с гидроприводом
Вал трансмиссионный
Редуктор бортовой левый, редуктор бортовой
Редуктор бортовой
Коробка диапазонов 4-х ступенчатая
Коробка диапазонов 4-х ступенчатая
Дифференциал
Механизм переключения коробки диапазонов
Колесо главное
Монтаж электрооборудования на комбайне
Монтаж электрооборудования комбайна правая сторона
Блок аккумуляторных батарей
Монтаж электрооборудования кабины
Гидросистема
Гидросистема
Гидросистема привода хода
Бак масляный
Распределитель в сборе правый
Распределитель в сборе левый
Распределитель в сборе
Платформа подборщик
Платформа
Транспортер
Щиток верхний
Вал приводной
Шкив вариатора нижний
Шкив вариатора верхний
Щитки ограждения
Опора жатки
Транспортер
Вал ведущий
Вал ведомый
Лента транспортера
Нормализатор
Колесо
Шкив
Устройство разгружающее
Стеблесъемник
Проставка
Плита с подшипником
Шкив натяжной
Инструмент и принадлежности
Инструмент и принадлежности
Инструмент и принадлежности
1
2
2
3
3
4
4
5
6
6
7
8
9
10
11
12
13
14
15
16
17
18
19
20
21
22
23
24
25
26
27
28
Позиция на иллюстрации
Заводской номер детали
Название детали
1
960.22.08.00.000Г-01
Барабан молотильный
2
14x9x63
Шпонка
3
КДМ8065
Гайка
4
КДМ2-191
Шайба
5
960.22.00.00.121
Шкив
6
КДМ4017
Шайба
7
960.22.00.00.119
Шкив
8
ЕДЦГ037.000-07А
Гидроцилиндр
9
М6.6.019
Гайка
10
M6-6gx45.66.019
Болт
11
КДМ1174А
Формиратор сигнала
12
960.22.23.00.000А
Вал торсиона
13
960.22.33.00.000
Тяга передняя
14
960.22.29.00.000-01
Тяга задняя
15
КДМ8096
Шайба
16
КДМ8242
Втулка
17
960.22.31.00.000
Рычаг
18
54-61809
Шпонка
19
А.16.02.019
Шайба
20
4x22.019
Шплинт
21
960.22.36.00.000
Тяга передняя
22
6-16b12x50.10.Ц9
Ось
23
960.22.29.00.000
Тяга задняя
24
960.22.25.00.000
Подбарабанье второго барабана
25
960.22.17.00.000А
Барабан второй
26
КДМ6059А
Палец
27
4x25.019
Шплинт
28
12.22.00.00.405
Прижим
Содержащиеся в справочниках-каталогах запасные части и детали не предлагаются к продаже, а носят исключительно информационный характер
Дополнительная информация
×
Название:
Номер:
Примечание: