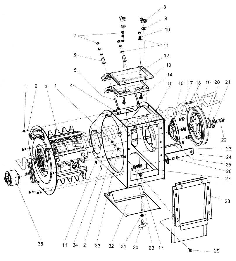
Каталог запасных частей к технике: КЗК Енисей КЗС-960. Устройство домолачивающее
1
1
2
2
3
4
5
6
7
8
9
10
11
11
12
13
14
15
16
17
17
18
19
20
21
22
23
23
24
25
26
27
28
29
30
31
32
33
34
35
| Позиция на иллюстрации | Заводской номер детали | Название детали | |
|---|---|---|---|
| 1 | M6-6H.6.019 ГОСТ 5915-70 | Гайка | |
| 2 | 6.65Г.019 ГОСТ 6402-70 | Шайба | |
| 3 | КДМ 2-10-2В-01 | Барабан домолотки | |
| 4 | M6-6gx16.66.019 ГОСТ 7798-70 | Болт | |
| 5 | КДМ 6316 | Болт | |
| 6 | КДМ 6729 | Втулка | |
| 7 | M8.6.019 ГОСТ 5915-70 | Гайка | |
| 8 | КДМ 0-230 A-01 | Гайка-барашек | |
| 9 | A.8.01.019 ГОСТ 6958-78 | Шайба | |
| 10 | 8.65Г.019 ГОСТ 6402-70 | Шайба | |
| 11 | A.8.01.019 ГОСТ 11371-78 | Шайба | |
| 12 | КДМ 2-10-4-1 Б | Крышка | |
| 13 | КДМ 1018 | Терка | |
| 14 | КДМ 6316-01 | Болт | |
| 15 | КДМ 2-10-1 А | Кожух домолачивающего устройства | |
| 16 | КДМ 2-301 | Подшипник | |
| 17 | 10.65Г.019 ГОСТ 6402-70 | Шайба | |
| 18 | 8x7x50 ГОСТ 23360-78 | Шпонка | |
| 19 | КДМ 1001 | Шкив | |
| 20 | 54-44267 | Шайба | |
| 21 | КДМ 4120 | Шайба стопорная | |
| 22 | M12-6gx35.66.019 ГОСТ 7796-70 | Болт | |
| 23 | М10-6Н.6.019 ГОСТ 5915-70 | Гайка | |
| 24 | КДМ 5799 | Кронштейн | |
| 25 | 154-60549 | Ось | |
| 26 | M10 6gx25.66.019 ГОСТ 7796-70 | Болт | |
| 27 | A.1C 01.019 ГОСТ 11371-78 | Шайба | |
| 28 | 960.20.23.40.000 А | Проставка | |
| 29 | М6х16.46.019 ГОСТ 7802-81 | Болт | |
| 30 | 44-1-2-16-2 | Винт | |
| 31 | 44-00241 | Втулка | |
| 32 | КДМ 2-10-5 | Крышка в сборе | |
| 33 | А.6х1,4.01.019 ГОСТ 11371-78 | Шайба | |
| 34 | 2x16.019 ГОСТ 397-79 | Шплинт | |
| 35 | КД 2-21-5 | Ролик натяжной |
Содержащиеся в справочниках-каталогах запасные части и детали не предлагаются к продаже, а носят исключительно информационный характер