Каталог запасных частей к технике: КЗК Енисей КЗС-960. Площадка водителя
1
2
2
3
4
4
5
6
7
7
7
7
7
7
8
8
8
8
8
8
8
8
8
9
10
10
10
11
12
12
13
14
15
16
17
18
18
18
18
18
19
20
21
22
23
23
23
24
25
25
26
27
27
28
29
30
31
32
33
33
33
33
34
34
34
35
36
37
38
38
39
39
40
41
42
42
43
45
46
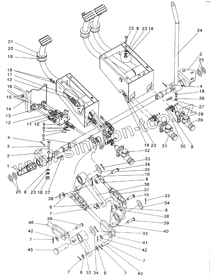
| Позиция на иллюстрации | Заводской номер детали | Название детали | |
|---|---|---|---|
| 1 | P2006 | Рычаг | |
| 2 | 960.05.40.02.000A | Кронштейн | |
| 3 | M8x25-7802-81 | Болт | |
| 4 | 4x32-397-79 | Шплинт | |
| 5 | 960.05.40.01.000A | Вал | |
| 6 | 2x16-397-79 | Шплинт | |
| 7 | 3,2x16-397-79 | Шплинт | |
| 8 | A8-11371-78 | Шайба | |
| 9 | P4599A | Кронштейн | |
| 10 | 8x25-9650-80 | Ось | |
| 11 | 8x32-9650-80 | Ось | |
| 12 | 44-60269A | Пружина | |
| 13 | КДМ 6890-02 | Тяга | |
| 14 | ГСТ0-146-5-01 | Трос дистанционного управления | |
| 15 | М10-5915-70 | Гайка | |
| 16 | ГСТ0-146-5-02 | Трос дистанционного управления | |
| 17 | 44-60270 | Винт с ушком | |
| 18 | М8-5915-70 | Гайка | |
| 19 | 54-61688 | Пружина | |
| 20 | А30Х2-11371-78 | Шайба | |
| 21 | Р0014 | Прокладка | |
| 22 | М8х20-7802-81 | Болт | |
| 23 | 8-6402-70 | Шайба | |
| 24 | 960.05.40.03-000А | Опора рычага | |
| 25 | 50292 | Шайба | |
| 26 | КДМ 6104-03 | Винт установочный | |
| 27 | 8x7x40-23360-78 | Шпонка | |
| 28 | 8x30-9650-80 | Ось | |
| 29 | ЕДЦГ073.000-01 | Главный цилиндр тормоза правый | |
| 30 | 2x14-397-79 | Шплинт | |
| 31 | ЕДЦГ073.000 | Главный цилиндр тормоза левый | |
| 32 | ЕДЦГ073.000-02 | Главный цилиндр муфты сцепления | |
| 33 | 4x22-397-79 | Шплинт | |
| 34 | A16-11371-78 | Шайба | |
| 35 | 8x22-9650-80 | Ось | |
| 36 | 960.05.23.00.000 | Рычаг | |
| 37 | P5-27B | Тяга | |
| 38 | 2x12-397-79 | Шплинт | |
| 39 | 10x32-9650-80 | Ось | |
| 40 | 960.05.22.00.000 | Рычаг | |
| 41 | 960.05.20.00.000A-01 | Тяга | |
| 42 | A10-11371-78 | Шайба | |
| 43 | 960.05.00.00.601A | Тяга | |
| 44 | 960.05.24.00.000 | Рычаг | |
| 45 | 16x45-9650-80 | Ось | |
| 46 | 960.05.20.00.000A | Тяга |
Содержащиеся в справочниках-каталогах запасные части и детали не предлагаются к продаже, а носят исключительно информационный характер