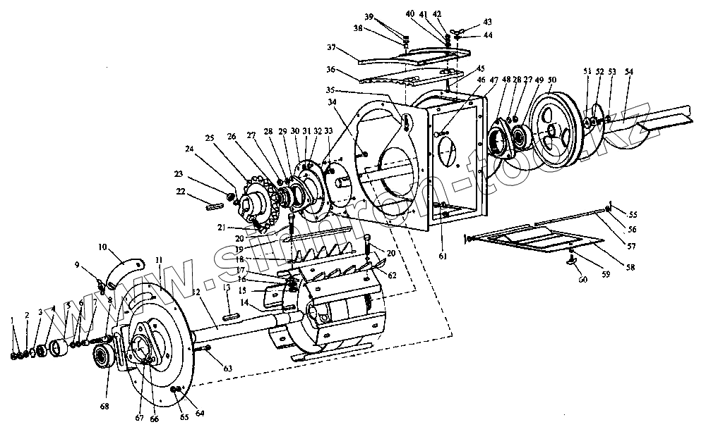
Каталог запасных частей к технике: КЗК Енисей КЗС-950. Устройство домолачивающее
1
2
3
4
5
6
7
8
9
10
11
12
13
14
15
15
16
17
18
19
20
20
21
22
24
25
26
27
27
28
28
29
30
31
32
33
34
35
36
37
38
39
40
41
42
43
44
45
46
47
48
49
50
51
52
53
54
55
56
57
58
59
60
61
63
64
65
66
66
67
68
| Позиция на иллюстрации | Заводской номер детали | Название детали | |
|---|---|---|---|
| 1 | М16-5915 | Гайка | |
| 2 | А16.02.019 | Шайба | |
| 3 | С 47-13943 | Кольцо | |
| 4 | 180204 С17 | Подшипник | |
| 5 | КД 1071А | Ролик натяжной | |
| 6 | 20х1-10450 | Шайба | |
| 7 | КДМ 8601 | Втулка | |
| 8 | 44-60219 | Ось | |
| 9 | КДМ 0-230А | Гайка-барашек | |
| 10 | КДМ 11 82 | Заглушка | |
| 11 | КДМ 2-10-2-3 | Фланец | |
| 12 | КДМ 6311 А | Вал | |
| 13 | 10х8х56 | Шпонка | |
| 14 | 8х7х50 | Шпонка | |
| 15 | М12х1,25.6.019 | Гайка | |
| 16 | 12.65Г-019 | Шайба | |
| 17 | 44-50243 | Шайба | |
| 18 | КДМ 7125 | Бич | |
| 19 | КДМ 41186 | Прокладка | |
| 20 | 61382 | Болт специальный | |
| 21 | 12х35.66.019 | Болт | |
| 22 | 8х7х40 | Шпонка | |
| 24 | 12.65Г.019 | Шайба | |
| 25 | 12.21.00.05.000 | Звездочка | |
| 26 | 16.80205 С17 | Подшипник | |
| 27 | М 8.65Г.019 | Шайба | |
| 28 | М8.6.019 | Гайка | |
| 29 | М 027.103 | Корпус подшипника | |
| 30 | КДМ 4043 | Фланец | |
| 31 | М6.6.019 | Гайка | |
| 32 | 6.65Т.019.6402 | Шайба | |
| 33 | М6х1 6.66.019 | Болт | |
| 34 | 1М8х35.46.019 | Болт | |
| 35 | КДМ 6316 | Болт | |
| 36 | КДМ 1018 | Терка | |
| 37 | КДМ 2-10-4А | Крышка в сборе | |
| 38 | КДМ 8329 | Втулка | |
| 39 | М8-5915 | Гайка | |
| 40 | А8.01.019-11371 | Шайба | |
| 41 | 8.65Г.01 9.6402 | Шайба | |
| 42 | М8-5915 | Гайка | |
| 43 | КДМ 0-230А-01 | Гайка-барашек | |
| 44 | А8.01.019 | Шайба | |
| 45 | КДМ 6316-01 | Болт | |
| 46 | М10х35.66.019 | Болт | |
| 47 | КДМ 2-10-1А | Кожух домолачивающего устройства | |
| 48 | Н.027.104А | Корпус подшипника | |
| 49 | 580.306 К7С17 | Подшипник | |
| 50 | КДМ 1001 | Шкив | |
| 51 | 54-44267 | Шайба | |
| 52 | КДМ 4120 | Шайба стопорная | |
| 53 | М12х35.66.019 | Болт | |
| 54 | КДМ 2-35-1В | Шнек | |
| 55 | 2х16.019 | Шплинт | |
| 56 | А8.01.019 | Шайба | |
| 57 | 54-60549 | Ось | |
| 58 | КДМ 2-10-5 | Крышка в сборе | |
| 59 | 44-00241 | Втулка | |
| 60 | 44-1-2-16-2 | Винт | |
| 61 | М6х16х66х019 | Болт | |
| 63 | М10х35.66.019 | Болт | |
| 64 | 10.65Г.019 | Шайба | |
| 65 | М10.6.019 | Гайка | |
| 66 | 6.65Г.019 | Шайба | |
| 67 | М6.6.019 | Гайка | |
| 68 | 1680206К7С17 | Подшипник |
Содержащиеся в справочниках-каталогах запасные части и детали не предлагаются к продаже, а носят исключительно информационный характер