Каталог запасных частей к технике: КЗК Енисей КЗС-950. Механизм привода загрузочного шнека
1
1
2
3
4
5
6
6
7
8
9
9
9
9
10
10
10
10
11
12
12
13
14
15
16
17
18
19
20
21
22
23
24
25
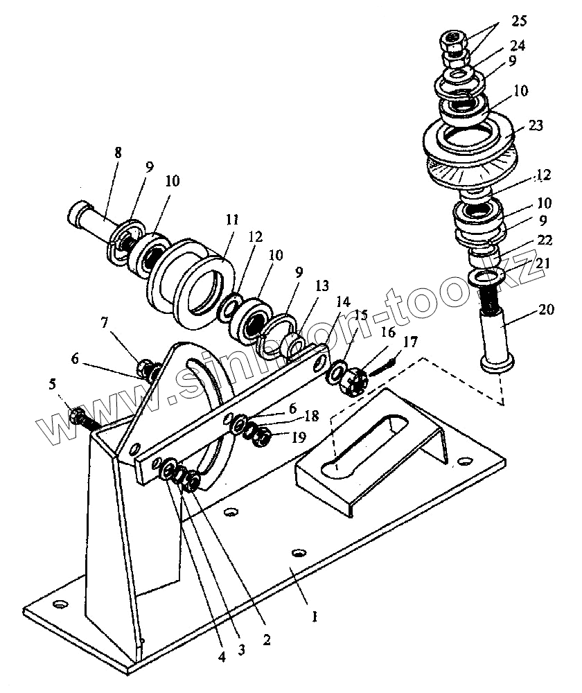
| Позиция на иллюстрации | Заводской номер детали | Название детали | |
|---|---|---|---|
| 1 | Р6-31-4А | Плита | |
| 1 | Р12.60.00.00.402 | Кожух защитный | |
| 2 | М12-6.Н6.019 | Гайка | |
| 3 | А12.02.Ст3.019 | Шайба | |
| 4 | 12.65Г.019 | Шайба | |
| 5 | М12-6qх35.66.019 | Болт | |
| 6 | А10.02 Ст3.019 | Шайба | |
| 7 | М10-6qх30.66.019 | Болт | |
| 8 | 44-60209В-01 | Ось | |
| 9 | С 47 | Кольцо | |
| 10 | 180204С17 | Подшипник | |
| 11 | Р1013 | Ролик | |
| 12 | 80443 | Втулка | |
| 13 | 44-60208 | Втулка распорная | |
| 14 | Р6-31-2А | Рычаг | |
| 15 | А14.02.Ст3.019 | Шайба | |
| 16 | М14-6.Н6.019 | Гайка | |
| 17 | 3,2х36.019 | Шплинт | |
| 18 | 10.65Г.019 | Шайба | |
| 19 | М10-6.Н6.019 | Гайка | |
| 20 | КД 6263 | Ось | |
| 21 | А20.02.Ст3.019 | Шайба | |
| 22 | 80444 | Втулка | |
| 23 | Р1014 | Ролик | |
| 24 | А20.02.Ст3.019 | Шайба | |
| 25 | М16-6Н.019 | Гайка |
Содержащиеся в справочниках-каталогах запасные части и детали не предлагаются к продаже, а носят исключительно информационный характер