Каталог запасных частей к технике: КЗК Енисей КЗС-950. Главный контрпривод
1
2
2
3
3
3
3
4
4
5
6
6
7
7
8
8
9
10
11
12
13
13
14
14
15
15
15
15
16
16
17
17
18
19
20
21
22
23
24
25
26
27
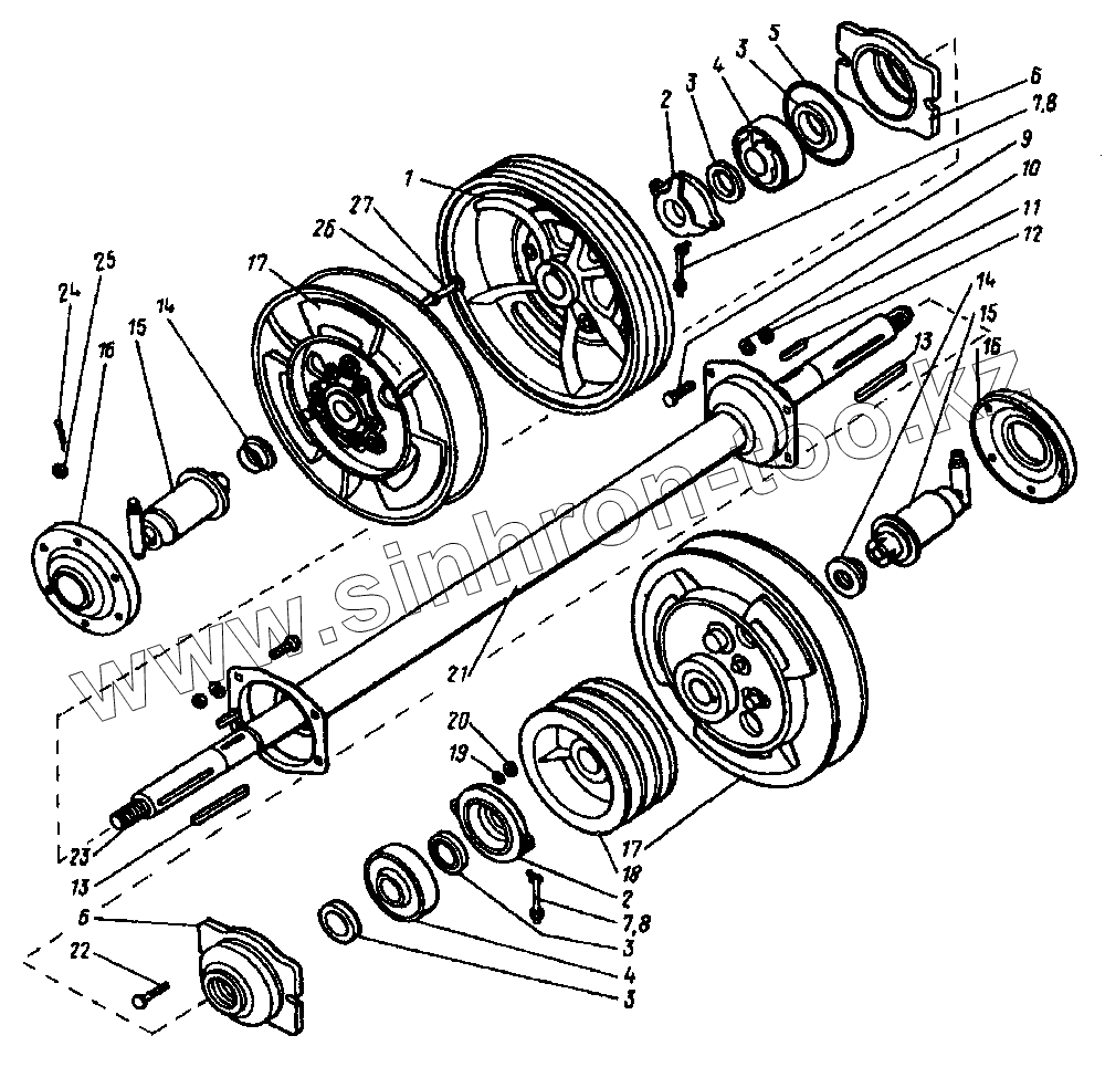
| Позиция на иллюстрации | Заводской номер детали | Название детали | |
|---|---|---|---|
| 1 | КД 1021 | Шкив приемный | |
| 2 | 44Б-10090 | Крышка подшипника | |
| 3 | 1-60х85-1 | Манжета | |
| 4 | 11312 | Подшипник | |
| 5 | 446-60501 | Кольцо упорное | |
| 6 | 44Б-10089 | Корпус подшипника (47855110066) | |
| 7 | КДМ 8562 | Трубка | |
| 8 | 1.3.Ц6Хр | Масленка | |
| 9 | М12х40-7802 | Болт | |
| 10 | 12.65Г-6402 | Шайба | |
| 11 | М12-5915 | Гайка | |
| 12 | 14х9х63-23360 | Шпонка | |
| 13 | 14х9х125-23360 | Шпонка | |
| 14 | КДМ 2-191А | Шайба | |
| 15 | ГА-76020М | Гидроцилиндр | |
| 15 | ГА-76020А | Гидроцилиндр | |
| 15 | ЕДЦГ 063.000 | Гидроцилиндр | |
| 16 | КДМ 40773Б | Конус | |
| 17 | КДМ 2-81 Б | Шкив большой | |
| 18 | КДМ 1051Д | Шкив | |
| 19 | 10.65Г-6402 | Шайба | |
| 20 | М10-5915 | Гайка | |
| 21 | 44Б-2-38 | Труба распорная (47855110036) | |
| 22 | М10х40-7795 | Болт | |
| 23 | КДМ 6010Е | Вал главного контрпривода | |
| 24 | 3.2х25-397 | Шплинт | |
| 25 | М14-5919 | Гайка | |
| 26 | КДМ 41016 | Шайба | |
| 27 | 54-60857А | Тяга | |
| 28 | 2.3.45Ц6Хр | Масленка |
Содержащиеся в справочниках-каталогах запасные части и детали не предлагаются к продаже, а носят исключительно информационный характер