Вернуться на главную
Поиск
Каталоги запчастей к технике
Сельхозтехника
КЗК
Енисей КЗС-950
Домолачивающее устройство КДМ2-10Г
Каталог запасных частей к технике: КЗК Енисей КЗС-950. Домолачивающее устройство КДМ2-10Г
zoom-in
zoom-out
enlarge
shrink
circle-right
circle-left
file-text2
info
cart
Тип техники
Не выбрано
Легковые автомобили
Грузовые автомобили и прицепы
Автобусы
Сельхозтехника
Спецтехника
Двигатели
Мототехника
Марка
Не выбрано
AGCO
Amity
CASE IH
DongFeng
Fortschritt
Foton
Franz Kleine
Gaspardo
Great Plains
KRONE
KUHN
Lemken
Lovol
MacDon
Massey Ferguson
New Holland
TIGARBO
Vaderstad
Versatile
Wirax
Агро
Агротехмаш
Бобруйскагромаш (ОАО «УКХ «Бобруйскагромаш»)
БЭМЗ
ВгТЗ
Воронежсельмаш
ВТЗ
Гомсельмаш
ДКЗ
ЗАО "Техника-сервис"
ЗиД
КЗК
Кировец-Ландтехник
Клевер
Красная Звезда
Лидагропроммаш
Лидсельмаш
ЛТЗ
Машстройхолдинг
Минитракторы
Мордовагромаш
МТЗ
Навигатор-Новое машиностроение
Нефтекамский автозавод
ПТЗ
Ремком
РСМ
Сибсельмаш
ТеКЗ
ТКЗ
ХЗТСШ
ХТЗ
ЮМЗ
Модель
Не выбрано
Енисей 1200
Енисей 1200М
Енисей КЗС-950 (2005)
Енисей КЗС-950 (2009)
Енисей КЗС-960 (2008)
Енисей КЗС-960 (2010) (2010)
Енисей-324 (2008)
Схема
>
Не выбрано
Комбайн-общий вид
Схема передач левой стороны
Схема передач правой стороны
Жатвенная часть ЖКН 5Ш-04, ЖКН 6Ш-04, ЖКН 7Ш-04
Жатка ЖКН 5-2Ш-01, ЖКН 6-2Ш-01, ЖКН 7-2Ш-01
Мотовило ЖКН 5Е.01.00.00.000, ЖКН 6Е.01.00.00.000, ЖКН 7Е.01.00.00.000-01
Привод мотовила
Щиток верхний ЖКН 5-64А
Шнек жатки ЖКН 5-2-2Ш, ЖКН 6-2-2Ш, ЖКН 7-2-2Ш
Пальчиковый механизм шнека жатки
Предохранительное устройство ЖКН 5-2-10Ш
Режущий аппарат ЖКН 5-2-ЗШГ, ЖКН 6-2-ЗШГ, ЖКН 7-2-ЗШГ
ЖКН 5-2-7Ш, ЖКН 5-2-8Ш Поддержка левая, Поддержка правая
Щитки ограждения привода режущего аппарата ЖКН 5-2-118Б, ЖКН 5-2-15Ш, ЖКН 4917
Щитки правой стороны ЖКН 5-2-121, ЖКН 5-2-147А, ЖКН 4923
ЖКН 5-2-17Ш Вал контрприводной
Ролик в сборе ЖКН 5-2-25Ш
Шкив вариатора верхний ЖКН 5-2-113А
Шкив вариатора нижний ЖКН 5-2-114-01
Звездочка обводная 54-1-2-30
Башмак в сборе, Опора жатки ЖКН 5-2-6Ш, ЖКН 5-2-112
Щиток переходной ЖКН 5-43
Блок уравновешивания левый ЖКН 6-2 -80А (ЖКН 5Ш
Блок уравновешивания правый ЖКН 5-2 -70А-01 (ЖКН 5Ш), ЖКН 6-2 -80А-01 (ЖКН 6Ш), ЖКН 5-2-20Ш (ЖКН 7Ш)
Шкив ЖКН 5-2-99
Вал карданный
Наклонная камера ЖКН 5-6Б, ЖКН 5-6Б-01
Вал транспортера нижний ЖКН 5-4-3
Барабан
Труба с роликами ЖКН 5-6-4
Звездочка натяжная ЖКН 5-6-7
Устройство предохранительное ЖКН 5-6-17
Вал верхний ЖКН 5-6-22
Направляющая ЖКН 5-6-28
Успокоитель нижний ЖКН 5-6-30
Успокоитель верхний ЖКН 5-6-34
Щиток левый ЖКН 5-6-35
Щиток правый ЖКН 5-6-37А
Шкив 12.02.06.00.000
Проставка ЖКН 5-5Ш
Битер ЖКН 5-5-2Ш
ЖКН 5-5-3-01 Контрпривод
Плита ЖКН 5-5-5Ш
Вал контрпривода ЖКН 5-5-13-01
Щиток пылезащитный ЖКН 5-5-14
Ролик натяжной ЖВ 6.32.00.00
Гидрооборудоваие жатки
Рама
Панель левая с лючками КДМ 2-3-1Н, КДМ 2-3-2Е
Панель правая с лючками КДМ 2-2-1И, КДМ 2-2-2Е
Крыша, крыша наклонная, фартук задний КДМ 2-4-1И, КДМ 2-4-2Б, КДМ 2-49
Связь передняя корпуса молотилки 12.22.54.01.000
Камнеуловитель 12.22.32.05.000
Битер приемный КДМ 2-7А
Барабан КДМ 2-8Г
Барабан штифтовый КДРМ 2-8Г
Битер промежуточный Р 2-9 (КЗС 950), Р 2-9-01 (КЗС 954)
Битер отбойный КДМ 2-80В
Подбарабанье штифтового барабана КДРМ 2-90
Подбарабанье с надставкой КДМ 2-90В (1-е подб. однобараб), КДМ 2-90Г (1-е подб. двухбараб), КДМ 2-15 (2-е подб двухбараб)
Барабан второй КДМ 2-91Б
Регулировка подбарабаний
Механизм обратной прокрутки барабанов КДМ 0-ЗА
Mеханизм отключения жатки КДМ 2-44Г
Главный контрпривод
Главный контрпривод
Контрпривод задний КДМ 2-37Е
Половонабиватель КДМ 2-73А
Ролики и звездочки натяжные КДМ 2-21-5, КДМ 2-71, КДМ 2-88
Грохот КДМ 2-12В
Решето очистки верхнее КДМ 2-12-3А
Стан решетный нижний КДМ 2-16А
Решето очистки нижнее КДМ 2-16-2А
Кронштейн регулировки тяг. Подвеска решетного стана КДМ 2-20А
Удлинитель грохота КДМ 2-12-4А
Рычаг очистки левый, Рычаг очистки правый КДМ 2-158А, КДМ-2-158А-01
Вентилятор КДМ 2-18Ж
Шкив вариатора вентилятора ведущий КДМ 2-92A
Шкив вариатора вентилятора ведомый КДМ 2-93-1А
Вал колебательный КДМ 2-29Б
Соломотряс 950.23.11.00.000, 954.23.11.00.000
Вал соломотряса ведущий, Вал соломотряса ведомый 960.23.11.10.020Б, 960.23.11.10.010Б
Вал коленчатый ведущий, Вал коленчатый ведомый 34-2-11-5, 34-2-11-6
Бункер Р6А
Шнек бункера Р6-2ПМ
Механизм привода загрузочного шнека Р6-31А
Привод загрузочного тракта Р6-3 ПС
Механизм предохранительный Р6-3-2П
Шнек загрузочный Р6-8П
Механизм привода шнека бункера
Кожух шнека с заслонками Р6-12П
Устройство выгрузное Р12.60.00.00.000ПМ
Шнек зерновой КДМ2-21К
Шнек колосовой КДМ2-19И
Камера пересыпная 960.20.23.30.000A
Элеватор зерновой РО-22А
Элеватор колосовой 960.20.23.20.000А
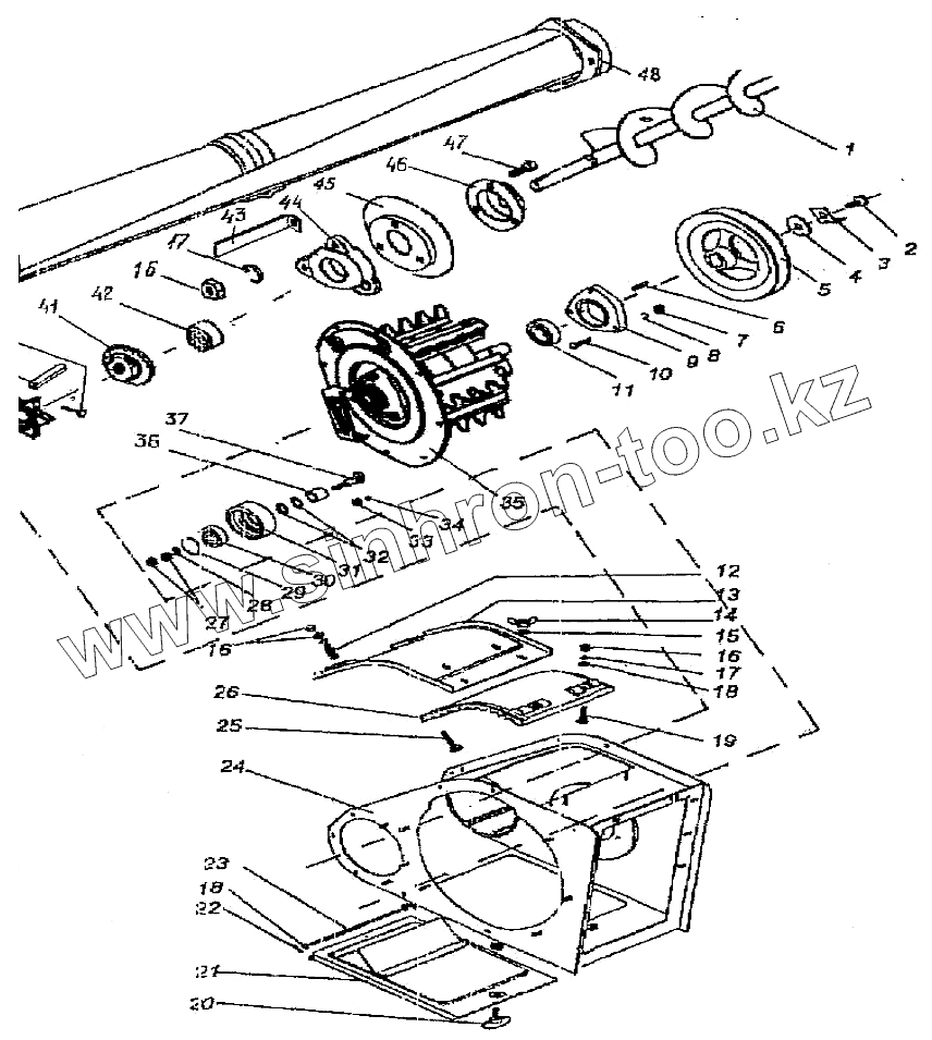
Домолачивающее устройство КДМ2-10Г
Барабан в сборе КДМ2-10-2В
Копнитель Р8А
Граблина правая, Граблина левая 12.08.08.02.000A-01, 12.08.02.000A
Капот 12.08.14.00.000Г
Кронштейн в сборе КДМ8-34
Измельчитель 12.27.00.000, Капот 12.27.02.00.000Б
Поддон 12.27.03.02.00.000
Брус ножевой 12.27.03.03.000, Рама 12.27.03.03.000
Барабан 12.27.03.00.00, Drum
Разбрасыватель 12.27.118.00.000
Щиток КДМ0-27-13
Устройство натяжное КДМ-175А
Установка моторная 442Н-4Б
Шкив в сборе 236Н-5-8-1А
Воздухозаборник радиатора 442-3-51
Установка привода управления муфтой выключения сцепления двигателя
Проставка кондиционера 442Н-4-56
Шкив натяжной КДМ3-19
Воздухозаборник вращающийся 21-12СЗ
Блок радиаторов 442Н-4-77
Воздухоочиститель
Вал карданный основной КИС 0106860 ТУ105.012.114-85
Установка сливной трубки (Моторная группа)
Тросовое управление топливным насосом (Моторная группа)
Хомут КДМ3-42
Бак топливный РО-221
Глушитель 236-3-7
Установка моторная 236Н-7В
Воздухозаборник радиатора 236-3-10-01
Установка привода управления муфтой выключения сцепления двигателя
Блок радиаторов 236Н-5-28А-01
Воздухоочиститель 236-3-25
Установка сливной трубки 236Н-5-20А
Тросовое управление топливным насосом (Моторная группа)
Мост управляемых колёс 960.21.03.00.000
Балка моста в сборе 960.21.03.01.000
Мост ведущий унифицированный с гидроприводом МВГ-12.00.000А-02
Редуктор бортовой левый, Редуктор бортовой правый МВГ-12.03.000А, МВГ-12.04.000А
Редуктор бортовой МВГ-12.03.000А, МВГ-12.04.000А
Коробка диапазонов 4-х ступенчатая МВГ-12.02.000Б
Коробка диапазонов
Дифференциал
Механизм переключения коробки диапазонов МВГ-12.02.020А
Колесо главное ГСТ4-6Б
Кабина Е960.15.00.00.000Л
Площадка водителя Е960.05.00.00.000Б
Рулевая колонка Е960.05.30.01.000
Установка кондиционера 950.26.00.00.000
Установка отопительная
Установка лестницы КДМ0-96В
Щитки ограждения и поручни КДМ0-150А, КДМ0-130А, КДМ0-131Б
Электрооборудование Р7А
Жгуты Р7А
Блок аккумуляторных батарей Р7А
Гидросистема Р9
Гидросистема Р9
Гидросистема Р9
Гидросистема рулевого управления Р9
Гидросистема привода хода Р90
Бак основной гидросистемы Р9-17-1А
Бак ГСТ Р90-1
Платформа подборщик ППК4.00.00.00.000
Платформа ППК 4.01.00.00.000
Транспортер
Щиток верхний
Вал приводной
Шнек жатки ЖКН 4-2-2Ш
Пальчиковый механизм шнека жатки
Шкив вариатора нижний ППК4.01.00.01.000
Шкив вариатора верхний ППК4.01.00.02.000
Щитки ограждения ППК 4.01.00.03.000, ППК 4.01.00.04.000
Опора жатки ППК4.01.00.08.000А
Транспортер ПП4.01.00.000
Вал ведущий ПП4.01.01.000
Вал ведомый ПП4.01.02.000
Вал ведомый ПП4.01.07.000Б
Нормализатор ПП4.02.00.000
Колесо ПП3.05.00.000, ПП3.05.00.000-01
Шкив ПП3.09.00.000
Устройство разгружающее ПП3.10.01.000A
Стеблесъемник ПП4.12.00.000
Проставка ЖКН5-5Ш-03
Плита с подшипником
Шкив натяжной 34-101-4Б
Инструмент и принадлежности
Инструмент и принадлежности
Инструмент и принадлежности
1
2
3
4
5
6
7
8
9
10
11
12
13
14
15
16
16
16
17
17
18
18
19
20
21
22
23
24
25
26
27
28
29
30
31
32
33
34
35
36
37
41
44
45
46
47
48
Позиция на иллюстрации
Заводской номер детали
Название детали
1
КДМ2-36-1В
Шнек
2
M12x25-7796
Болт
3
КДМ4120
Шайба стопорная
4
54-44267
Шайба
5
КДМ1001
Шкив
6
8X7X50-23360
Шпонка
7
M10-5915
Гайка
8
10.65Г-6402
Шайба
9
Н.027.104А
Корпус подшипника
10
M10X30-7802
Болт
11
580306
Подшипник
12
КДМ6729
Втулка
13
КДМ2-10-4-1Б
Крышка
14
КДМ0-230А-01
Гайка-барашек
15
8-6958
Шайба
16
М8-5915
Гайка
17
8.65Г-6402
Шайба
18
8-11371
Шайба
19
КДМ6316-01
Болт
20
44-1-2-16-2
Винт
21
КДМ2-10-5
Крышка в сборе
22
2-16-397
Шплинт
23
54-60549
Ось
24
КДМ2-10-1А
Кожух домолачивающего устройства
25
КДМ6316
Болт
26
КДМ1018
Терка
27
М16-5915
Гайка
28
16-11371
Шайба
29
С47-13943
Кольцо
30
180204
Подшипник
31
КД1071А
Ролик
32
20x1-10450
Шайба
33
М6-5915
Гайка
34
6.65Г-6402
Шайба
35
КДМ2-10-2В-01
Барабан домолотки
36
КДМ8601
Втулка
37
44-60219
Ось
38
КДМ1147А
Формиратор сигнала
39
8x7x40-23360
Шпонка
40
M6x45-7795
Болт
41
12.21.00.05.000
Звездочка
44
H.027.103A
Корпус подшипника
45
КДМ4043
Фланец
46
A54-43758
Крышка
47
8X30-7802
Болт
48
21.21.12.00.000A
Кожух
Содержащиеся в справочниках-каталогах запасные части и детали не предлагаются к продаже, а носят исключительно информационный характер
Дополнительная информация
×
Название:
Номер:
Примечание: