Каталог запасных частей к технике: КЗК Енисей-324. Ускоритель массы
1
2
2
2
3
4
5
6
6
7
8
9
10
11
12
13
14
14
15
16
17
18
19
19
20
20
21
22
22
23
23
24
25
25
26
26
26
27
27
28
28
29
30
30
31
31
31
32
32
33
34
35
35
36
37
37
38
38
39
39
40
40
41
41
41
41
41
42
42
42
42
42
43
43
43
43
44
45
45
45
45
45
46
46
46
46
46
47
47
48
49
49
50
51
51
52
53
54
55
55
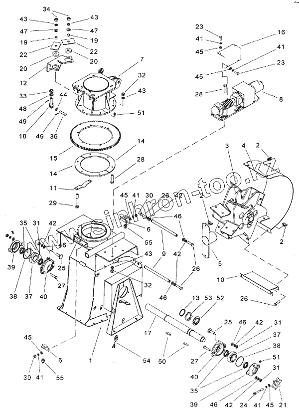
| Позиция на иллюстрации | Заводской номер детали | Название детали | |
|---|---|---|---|
| 1 | 334.20.04,01.000 | Корпус | |
| 2 | КДМО-230А-02 | Гайка-барашек | |
| 3 | 334.20.04.35.000A | Ротор | |
| 4 | 334.20.04.04.000A | Крышка | |
| 5 | 334.20.04.05.000 | Патрубок съемный | |
| 6 | 334.20.04.06.000 | Кронштейн выключателя | |
| 7 | 334.20.04.07.000 | Проставка верхняя | |
| 8 | КПК72.01.08.130А | Гидропривод | |
| 9 | 334.20.04.09.000 | Штанга | |
| 10 | 334.20.04.12.000 | Кронштейн | |
| 11 | 334.20.04.00.402 | Толкатель | |
| 12 | 334.20.04.00.403 | Упор | |
| 13 | 334.20.04.00.404 | Шайба | |
| 14 | 334.20.04.00.406 | Сектор | |
| 15 | 334.20.04.00.407 | Колесо зубчатое | |
| 16 | 334.20.04.00.408 | Кожух червяка | |
| 17 | 334.20.04.00.601 | Вал | |
| 18 | 334.20.04.00.604 | Вилка | |
| 19 | 334.20.04.00.801 | Втулка | |
| 20 | КДМ0463 | Виброгаситель | |
| 21 | КДМ1174А-02 | Формиратор сигнала | |
| 22 | КДМ40834А | Пластина | |
| 23 | M6-6gx16 ГОСТ 7798-70 | Болт | |
| 24 | M6-6gx50 ГОСТ 7795-70 | Болт | |
| 25 | M10-6gx45 ГОСТ 7802-81 | Болт | |
| 26 | M10-6gx25 ГОСТ 7796-70 | Болт | |
| 27 | M10-6gx45 ГОСТ 7796-70 | Болт | |
| 28 | M12-6gx50 ГОСТ 7796-70 | Болт | |
| 29 | M12x1,25-6gx65 ГОСТ 7795-70 | Болт | |
| 30 | M6-6H ГОСТ 5915-70 | Гайка | |
| 31 | M10-6H ГОСТ 5915-70 | Гайка | |
| 32 | M12-6H ГОСТ 5915-70 | Гайка | |
| 33 | M20-6H ГОСТ 5915-70 | Гайка | |
| 34 | M12x1,25-6H ГОСТ 5915-70 | Гайка | |
| 35 | 1-2-50x70-1 ГОСТ 8752-79 | Манжета | |
| 36 | 6-16в12х65,10 ГОСТ 9650-80 | Ось | |
| 37 | 11210 ГОСТ 8545-75 | Подшипник | |
| 38 | OCT23.2.424 H.026.508 РТМ-А23.2.026 | Кольцо распорное | |
| 39 | OCT23.2.421 H.026.166 PTM-A23.2.026 | Крышка подшипника | |
| 40 | OCT23.2.418 H.026.308 PTM-A23.2.026 | Корпус подшипников | |
| 41 | 6.65Г ГОСТ 6402-70 | Шайба | |
| 42 | 10.65Г ГОСТ 6402-70 | Шайба | |
| 43 | 12.65Г ГОСТ 6402-70 | Шайба | |
| 44 | 16.01 ГОСТ 9649-78 | Шайба | |
| 45 | A6.2 ГОСТ 11371-78 | Шайба | |
| 46 | A10.2 ГОСТ 11371-78 | Шайба | |
| 47 | A12.2 ГОСТ 11371-78 | Шайба | |
| 48 | A20.2 ГОСТ 11371-78 | Шайба | |
| 49 | 4,0x32 ГОСТ 397-86 | Шплинт | |
| 50 | 14x9x63 ГОСТ 23360-78 | Шпонка | |
| 51 | 1.3Ц6 ГОСТ 19853-74 | Масленка | |
| 52 | М56х2 ГОСТ 11871-81 | Гайка | |
| 53 | 56.01.05 ГОСТ 11872-89 | Шайба | |
| 54 | Пр-1М 17МО.082.021ТУ | Преобразователь первичный | |
| 55 | ВК403 ЫШ 3.609.007ТУ | Выключатель |
Содержащиеся в справочниках-каталогах запасные части и детали не предлагаются к продаже, а носят исключительно информационный характер