Каталог запасных частей к технике: КЗК Енисей-324. Гидропривод
1
2
3
4
5
6
7
8
9
10
11
12
13
14
15
16
17
17
18
19
20
21
22
22
22
23
23
24
25
25
26
27
28
28
29
30
30
31
32
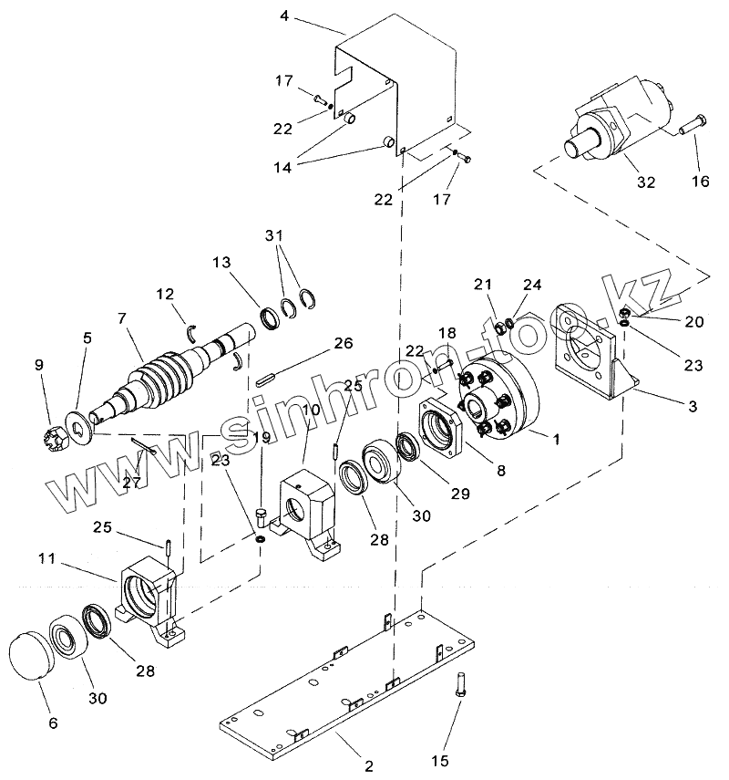
| Позиция на иллюстрации | Заводской номер детали | Название детали | |
|---|---|---|---|
| 1 | КПК72.01.08.110А | Муфта МУВП | |
| 2 | КПК72.01.08.160 | Платформа | |
| 3 | КПК72.01.08.170 | Стойка | |
| 4 | КПК72.01.08.435 | Кожух муфты | |
| 5 | 51-3103030-Б | Шайба упорная | |
| 6 | 54-44753 | Колпак ступицы | |
| 7 | КПК72.01.08.643А | Червяк | |
| 8 | КПК72.01.08.693 | Крышка | |
| 9 | 292961-П | Гайка | |
| 10 | КПК72.01.08.695 | Корпус подшипника | |
| 11 | КПК72.01.08.695-01 | Корпус подшипника | |
| 12 | КПК72.01.08.696 | Полукольцо | |
| 13 | КПК72.01.08.697 | Втулка замковая | |
| 14 | ПП-3.01.07.012 | Втулка | |
| 15 | M10-6qx35 ГОСТ 7796-70 | Болт | |
| 16 | M12-6qx50 ГОСТ 7796-70 | Болт | |
| 17 | M6-6qx20 ГОСТ 7798-70 | Болт | |
| 18 | M6-6qx25 ГОСТ 7798-70 | Болт | |
| 19 | M10-6qx25 ГОСТ 7798-70 | Болт | |
| 20 | М10-6Н ГОСТ 5915-70 | Гайка | |
| 21 | М12-6Н ГОСТ 5915-70 | Гайка | |
| 22 | 6.65Г.019 ГОСТ 6402-70 | Шайба | |
| 23 | 10.65Г.019 ГОСТ 6402-70 | Шайба | |
| 24 | 12.65Г.019 ГОСТ 6402-70 | Шайба | |
| 25 | 6m6х30 ГОСТ 3128-70 | Штифт | |
| 26 | 8x7x40 ГОСТ 23360-78 | Шпонка | |
| 27 | 5x45 ГОСТ 397-79 | Шплинт | |
| 28 | 1.2-40x60-1 ГОСТ 8752-72 | Манжета | |
| 29 | 1.2-30x50-1 ГОСТ 8752-72 | Манжета | |
| 30 | 7606А ГОСТ 27365-87 | Подшипник | |
| 31 | А30 ГОСТ 13940-86 | Кольцо | |
| 32 | МР-100 СВМ | Гидромотор |
Содержащиеся в справочниках-каталогах запасные части и детали не предлагаются к продаже, а носят исключительно информационный характер