Вернуться на главную
Поиск
Каталоги запчастей к технике
Сельхозтехника
КЗК
Енисей 1200М
Система контрольно-измерительная (КДМ0-90Е)
Каталог запасных частей к технике: КЗК Енисей 1200М. Система контрольно-измерительная (КДМ0-90Е)
zoom-in
zoom-out
enlarge
shrink
circle-right
circle-left
file-text2
info
cart
Тип техники
Не выбрано
Легковые автомобили
Грузовые автомобили и прицепы
Автобусы
Сельхозтехника
Спецтехника
Двигатели
Мототехника
Марка
Не выбрано
AGCO
Amity
CASE IH
DongFeng
Fortschritt
Foton
Franz Kleine
Gaspardo
Great Plains
KRONE
KUHN
Lemken
Lovol
MacDon
Massey Ferguson
New Holland
TIGARBO
Vaderstad
Versatile
Wirax
Агро
Агротехмаш
Бобруйскагромаш (ОАО «УКХ «Бобруйскагромаш»)
БЭМЗ
ВгТЗ
Воронежсельмаш
ВТЗ
Гомсельмаш
ДКЗ
ЗАО "Техника-сервис"
ЗиД
КЗК
Кировец-Ландтехник
Клевер
Красная Звезда
Лидагропроммаш
Лидсельмаш
ЛТЗ
Машстройхолдинг
Минитракторы
Мордовагромаш
МТЗ
Навигатор-Новое машиностроение
Нефтекамский автозавод
ПТЗ
Ремком
РСМ
Сибсельмаш
ТеКЗ
ТКЗ
ХЗТСШ
ХТЗ
ЮМЗ
Модель
Не выбрано
Енисей 1200
Енисей 1200М
Енисей КЗС-950 (2005)
Енисей КЗС-950 (2009)
Енисей КЗС-960 (2008)
Енисей КЗС-960 (2010) (2010)
Енисей-324 (2008)
Схема
>
Не выбрано
Кабина (К15.00.00.000Г)
Дверь кабины (К15.00.02.000В)
Крыша с экраном (К15.00.06.00)
Сиденье дополнительное (К15.00.05.000)
Вентилятор (ПК15.00.00.30.100)
Установка жалюзи на кабине
Установка стеклоочистителя
Форточка левая (К15.00.00.200)
Площадка управления (КДМ5Б)
Площадка управления (КДМ5Б)
Пульт управления (КДМ5-5А) (кроме Енисей-1М)
Рычаги включения молотилки и регулировки подбарабаний (КДМ5-44А) (кроме Енисей-1200-1М)
Пульт управления (КДМ5-79Б)
Лестница и поручни (КДМ0-96В)
Сиденье (КДМ5-30Б)
Подкосы площадки водителя
Хомут крепления огнетушителя (44-0-14)
Мостик переходной (КДМ0-16В)
Щиток (КДМ0-18А)
Мостик обслуживания радиатора
Установка моторная
Воздухоочиститель (461-12с2-6)
Установка моторная (КДМ3К)
Установка моторная (ГСТ3К, Енисей-1200НМ)
Моторная группа (ГСТ3К)
Моторная группа (ГСТ3К)
Вал карданный (КИС-0106649), моторная группа (ГСТ3К)
Моторная группа (ГСТ3А)
Шкивы двигателя
Шкивы двигателя
Бачок топливный (КДН3-2)
Воздухозаборник радиатора (КДМ3-10Б)
Шкив натяжной (КДМ3-19)
Блок радиаторов (442.03.04.000А)
Воздухозаборник вращающийся (21-12С3)
Труба выхлопная и глушитель
Установка моторная (236-3)
Моторная группа (236-3)
Радиатор водяной (150У.13.010-3А)
Радиатор масляный (100У.08.002)
Воздухоочиститель
Шкивы двигателя (236-3СБ)
Шкив в сборе (236-3-36)
Тяги механизма дистанционного запуска и подачи топлива
Бак для топлива с топливопроводами (КДМ11А)
Механизм запуска двигателя (вариант с пусковым двигателем) (КДМ0-71А)
Сцепление со шкивом (54А-4-1-1)
Механизм переключения передач (КДМ5-2)
Тормоз коробки перемены передач (КПП) (54А-4-1)
Гидросистема привода моста ведущих колес (442Н.09.00.000)
Мост ведущих колес (54Б-4)
Корпус, крышка, прокладки (54А-4-1)
Механизм управления (54А-4-1)
Муфта выключения (54А-4-1)
Шестерни, валы (54А-4-1)
Дифференциал (54-4-2А)
Редуктор бортовой (54-4-4)
Редуктор бортовой правый (54-4-4)
Кожух моста (54Б-4-8)
Мост управляемых колес (ГСТ10)
Мост управляемых колес (ГСТ10-2-01)
Рама моста управляемых колес (ГСТ10-1)
Вариатор скорости на ходовую часть (КДМ12Г)
Блок шкивов (44-12-1А)
Мост ведущих колес (МК-23.00.000А-01, Енисей-1200НМ)
Мост ведущий унифицированный с гидроприводом (МВГ-12.00.000)
Редуктор бортовой левый, редуктор бортовой правый (МВГ-12.03.000, МВГ-12.04.000)
Редуктор бортовой
Коробка диапазонов 4-х ступенчатая (МВГ-12.02.000А)
Коробка диапазонов ведущего моста с гидроприводом (3218020-43020)
Коробка диапазонов и дифференциал ведущего моста с механическим приводом
Коробка диапазонов и дифференциал ведущего моста с гидроприводом
Механизм переключения коробки диапазонов ведущего моста с гидроприводом
Рама (КДМ2-1В ), лоток половонабивателя (34-2-64Б)
Рама (ГСТ2-1Б)
Колесо ведущее (54-4-6, 54-4-7)
Колесо ведущее (ГСТ4-6-01А, ГСТ4-6-А)
Управление рулевое (КДМ5-12Д)
Тяга рулевая поперечная (ГСТ10-1-2)
Колонка привода тормоза (КДМ5-47А)
Главные гидроцилиндры (54-5-1-4Б, 54-5-1-5Б, 54-5-1-6Б)
Тормоз левый (54-4-4-3-1), Тормоз правый (54-4-4-4-1)
Цилиндр тормозной (54-4-4-1-4А, 54-4-4-1-5А)
Трубопроводы гидравлических тормозов (КДМ0-9В)
Трубопроводы гидравлических тормозов (ГСТ0-9А)
Монтаж электрооборудования на комбайне (Енисей -1200М, Енисей -1200НМ)
Монтаж электрооборудования на комбайне (Енисей -1200М, Енисей -1200НМ)
Электрооборудование кабины (K15.00.07.000)
Монтаж электрооборудования в бункере
Жгут основной (Енисей-1200М, Енисей-1200НМ)
Жгут основной (Енисей-1200М, Енисей-1200МН)
Пучки проводов (Енисей-1200НМ, Енисей-1200М)
Пучки проводов (Енисей-1200НМ, Енисей-1200М)
Установка аккумуляторной батареи (КДМ7-18Б 440-7-18)
Блок аккумуляторных батарей (12С.07.06.00.000А)
Фара (КДРМЭ7-3), Фара поворотная (КДМ7-48)
Клапан (34-7-2)
Фонари габаритные (КД2-113А, КД2-114А)
Щиток приборов (12С.07.01.00.000)
Щиток приборов (12С.07.01.00.000)
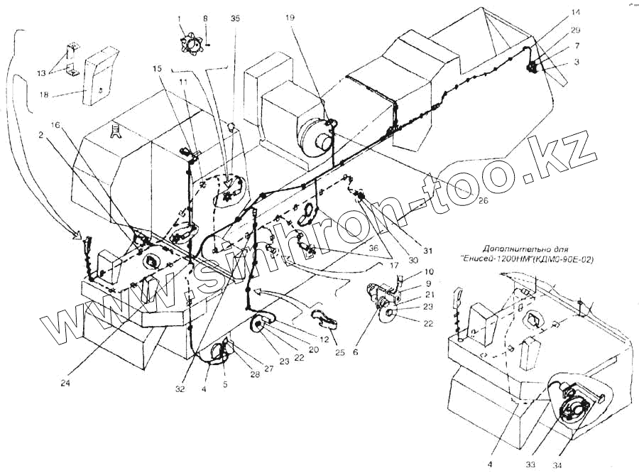
Система контрольно-измерительная (КДМ0-90Е)
Сигнализатор коробки передач
Гидросистема (КДМ9Е)
Гидросистема, крепление трубопроводов (КДМ9Е)
Резервуар (КДМ1-17В)
Гидроцилиндр (34-9-9)
Гидроцилиндр управляемых колес (КДМ9-678)
Клапан предохранительный (ГА-33000Г)
Распределитель (3РМ50-29 или 71.00.00.000B-(I))
Распределитель (4РМ50-30 или 71.00.00.000B-(II))
Распределитель (6РМ50-31 или 71.00.00.000В-(IV))
Распределитель (7РМ50-298 или 71.00.00.000В-(III))
Гидроцилиндр специальный (ГА-76010А)
Гидроцилиндр специальный (ГА-76020А)
Гидроцилиндр (ГА-93000-02)
Вибратор (ГА-40000В)
Гидроцилиндр (ГА-66010А)
Клапан переливной (119.00.000)
Жатвенная часть (ЖКН5-М-01)
Жатка захватом 5м (ЖКН5М-2)
Мотовило (ЖКН5-1-01)
Мотовило (ЖКН5-1-01)
Привод мотовила (ЖКН5-12)
Механизм левой стороны жатки
Устройство предохранительное (ЖКН5-6-17), звездочка натяжная (ЖКН5-6-7)
Корпус жатки (ЖКН5-2-1)
Поддержка левая (ЖКН5-2-21), поддержка пpaвая (ЖКН5-2-22)
Шнек жатки (ЖКН5-2-36)
Пальчиковый механизм шнека жатки
Аппарат режущий (Р232.00.000-05 )
Щит (ЖКН5-39-1А)
Вал вариатора нижний (Н.065.15.000-03)
Шкив вариатора верхний (ЖКН5-2-15), щиток переходной (54-1-7А)
Башмак (ЖКН5-2-40), опора жатки (ЖКН5-2-11)
Щитки бокового уплотнения
Аппарат режущий и механизм привода ножа
Передача карданная с защитным кожухом (10.016.2000-05.33)
Вал кривошипа (34-1-8А)
Привод ножа (Н.069.02.000-01)
Блок уравновешивания левый (ЖКН5-2-30), блок уравновешивания правый (ЖКН5-2-31)
Проставка (ЖКН5-5)
Битер проставки (ЖКН5-5-2)
Контрпривод (ЖКН5-5-3)
Камера наклонная (ЖКН5-6А)
Вал транспортера нижний (ЖКН5-4-3)
Вал верхний наклонной камеры (ЖКН5-6-22), шкив наклонной камеры (ЖКН5-6-23)
Промежуточный вал наклонной камеры, механизм реверса наклонной камеры (ЖКН-5-6-6)
Звездочка обводная (54-1-2-30), устройство предохранительное (54-1-2-10А)
Панель левая с лючками
Панель правая с лючками
Крыша (КДМ2-4-1Д), крыша наклонная (КДМ2-4-2Б), фартук задний (КДМ2-49)
Битер приемный (КДМ2-7)
Барабан (КДМ2-8Б)
Битер промежуточный (КДМ2-9В)
Домолачивающее устройство (КДМ2-10Б)
Барабан в сборе (КДМ2-10-2Б)
Соломотряс (КДМ2-11Б)
Вал коленчатый ведущий (34-2-11-5), вал коленчатый ведомый (34-2-11-6)
Грохот (КДМ2-12В)
Решето очистки верхнее (КДМ2-12-3А)
Удлинитель грохота (КДМ2-12-4А)
Подбарабанье (КДРМ2-15)
Регулировка подбарабаний
Решетный стан (КДМ2-16А)
Решето нижнее (КДМ2-16-2А)
Вентилятор (КДМ2-18Б)
Шкив ведущий (КДМ2-92А)
Шкив ведомый (КДМ2-93-1А)
Шнек колосовой (КДМ2-19Г)
Кронштейн регулировки тяг, подвеска решетного стана (КДМ2-20А)
Шнек зерновой (КДМ2-21Д)
Элеватор зерновой (КДМ2-22Б)
Элеватор колосовой (КДМ2-23Б)
Рычаг очистки правый (54-2-158), рычаг очистки левый (54-2-158-01)
Вал колебательный (КДМ2-29А)
Фартук грохота (КДМ2-32), связь передняя верхняя (КДМ2-34Б)
Связь передняя корпуса молотилки (КД2-33)
Контрпривод задний (КДМ2-37Г)
Механизм отключения жатки (КДМ2-44Г)
Крышка капота барабана (КДМ2-45), крышка капота барабана (КДМ2-47Б), лист капота барабана (КДМ2-132А)
Капот (КДМ2-50)
Половонабиватель (КДМ2-73А)
Отсекатель (КДМ2-56Б)
Главный контрпривод (Енисей-1200М)
Главный контрпривод (Енисей-1200-1М)
Подбарабанье с надставкой (КДМ2-90В )
Барабан второй (КДМ2-91Б)
Барабан штифтовый (КДРМ2-8Б)
Подбарабанье штифтового барабана (КДРМ2-90Б)
Звездочки натяжные
Бункер (КДМ6Б)
Шнек бункера (КДМ6-2)
Шнек распределительный (КДМ6-5В)
Горловина (КДМ6-43А)
Шнек выгрузной (КДМ6-44-01)
Щиток (КДМ6-58А, ГСТ6-38)
Кронштейн канистры (КДМ6-59), кронштейн проблескового фонаря (КДМ6-60)
Кожух шнека с гидрозаслонками (КДМ6-20В)
Механизм включения выгрузного шнека бункера (КДМ6-74А)
Растяжка (КДМ6-64)
Привод выгрузного шнека
Копнитель (КДМ8)
Граблина правая (12.08.08.02.000А-01), граблина левая (12.08.08.02.000А)
Рама соломонабивателя (12.08.14.01.020А)
Механизм обратной прокрутки барабанов (КДМ0-3А)
Механизм управления коробкой передач (КДМ0-7Б)
Балка моста (КДМ0-59В)
Тяги управления (КДМ0-62А)
Кронштейн подкоса правый (ГСТ0-10)
Кронштейн подкоса левый (ГСТ0-11)
Кронштейн подкоса левый (ГСТ0-11)
Щиток ограждения левый (КДМ0-150), щиток ограждения правый (КДМ0-151)
Капот соломотряса (без копнителя) (КДМ0-113)
Капот (12.27.02.00.000)
Поддон (12.27.03.02.00.000)
Брус ножевой (12.27.03.03.000)
Барабан (12.27.03.00.00)
Разбрасыватель (12.27.18.00.000)
Рама (КДМ0-27-1)
Щиток (КДМ0-27-13)
Натяжное устройство (КДМ-175А)
Подборщик (ПП-3.00.00.000)
Транспортер (ПП-3.01.00.000)
Вал ведущий (ПП-3.01.01.000)
Вал ведомый (ПП-3.01.02.000)
Устройство разгружающее (ПП-3.10.00.00.000)
Колесо (ПП-3.05.00.000)
Колесо (ПП-3.05.03.000)
Инструмент и принадлежности
Инструмент и принадлежности
Комбайн (общий вид)
Схема передач левой стороны
Схема передач правой стороны
Схема передач правой стороны (Енисей -1200-1М)
Схема передач правой стороны (Енисей -1200-НМ)
1
2
2
3
3
4
4
5
6
6
7
8
9
10
11
12
13
14
15
16
17
18
19
20
21
22
22
23
23
24
25
26
27
28
29
29
30
31
32
33
34
35
Позиция на иллюстрации
Заводской номер детали
Название детали
1
КД-1120В
Звездочка (475141673)
2
КДМ-41248
Скоба
2
КДМ-41248
Скоба
3
ВК2-А2
Включатель
3
ВК2-А2
Включатель
4
КДМ-0-90-4-Г
Провод датчика скорости
5
КДМ-5070Б
Кронштейн
6
ПРП-1М
Преобразователь первичный
6
ПРП-1М
Преобразователь первичный
7
КДМ-0343
Колпачок
8
М6х14-1485
Винт
9
12.21.05.00.423
Кронштейн
10
КДМ-0505
Хомут
11
НА78-005
Скоба
12
КДМ0-90-7
Провод датчика очистки
13
12С.07.00.00.508
Кронштейн
14
КДМ7-49
Провод копнителя
15
КДМ7-51
Провод сигнализатора
16
12С.07.16.00.000
Жгут правый
17
КДМ-41206А
Диск
18
АП134.00.00.000
Панель приборная
19
ПрП-3М
Преобразователь первичный
20
КДМ-4698
Формиратор сигнала
21
КДМ-4697
Формиратор сигнала
22
М10х20-7796
Болт
23
10-6402
Шайба
24
НА78-003
Скоба
25
КДМ-41200
Зажим
26
КДМ-5843
Скоба
27
М12х25-7796
Болт
28
12-6402
Шайба
29
КД(18К)7-43
Провод
29
КД(18К)7-43
Провод
30
47 9374 1003 00
Болт М8х16-7796
31
8-6402
Шайба
32
КД-5241
Скоба
33
КДМ-1137
Полукольцо (для Енисей-1200НМ)
34
КДМ-5847
Кронштейн (для Енисей-1200НМ)
35
12С.07.20.00.000
Провод датчика 2-го барабана
Содержащиеся в справочниках-каталогах запасные части и детали не предлагаются к продаже, а носят исключительно информационный характер
Дополнительная информация
×
Название:
Номер:
Примечание: