Вернуться на главную
Поиск
Каталоги запчастей к технике
Сельхозтехника
КЗК
Енисей 1200
Автомат сбрасывания копны КДМ 0-23
Каталог запасных частей к технике: КЗК Енисей 1200. Автомат сбрасывания копны КДМ 0-23
zoom-in
zoom-out
enlarge
shrink
circle-right
circle-left
file-text2
info
cart
Тип техники
Не выбрано
Легковые автомобили
Грузовые автомобили и прицепы
Автобусы
Сельхозтехника
Спецтехника
Двигатели
Мототехника
Марка
Не выбрано
AGCO
Amity
CASE IH
DongFeng
Fortschritt
Foton
Franz Kleine
Gaspardo
Great Plains
KRONE
KUHN
Lemken
Lovol
MacDon
Massey Ferguson
New Holland
TIGARBO
Vaderstad
Versatile
Wirax
Агро
Агротехмаш
Бобруйскагромаш (ОАО «УКХ «Бобруйскагромаш»)
БЭМЗ
ВгТЗ
Воронежсельмаш
ВТЗ
Гомсельмаш
ДКЗ
ЗАО "Техника-сервис"
ЗиД
КЗК
Кировец-Ландтехник
Клевер
Красная Звезда
Лидагропроммаш
Лидсельмаш
ЛТЗ
Машстройхолдинг
Минитракторы
Мордовагромаш
МТЗ
Навигатор-Новое машиностроение
Нефтекамский автозавод
ПТЗ
Ремком
РСМ
Сибсельмаш
ТеКЗ
ТКЗ
ХЗТСШ
ХТЗ
ЮМЗ
Модель
Не выбрано
Енисей 1200
Енисей 1200М
Енисей КЗС-950 (2005)
Енисей КЗС-950 (2009)
Енисей КЗС-960 (2008)
Енисей КЗС-960 (2010) (2010)
Енисей-324 (2008)
Схема
>
Не выбрано
Кабина К15.00.00.000В
Дверь кабины К15.00.02.000В
Крыша с экраном К15.00.04.000
Сиденье дополнительное К15.00.05.000
Вентилятор-пылеотделитель ВПК-150.000А
Установка жалюзи на кабине
Установка стеклоочистителя
Установка вентилятора
Форточка левая К15.00.00.200
Площадка управления КДМ 5Б
Площадка управления КДМ 5Б
Механизм включения выгрузного шнека
Тяги механизма дистанционного запуска и подачи топлива
Механизм переключения передач КДМ 5-2
Пульт управления КДМ 5-5А
Главные гидроцилиндры 54-5-1-4Б, 54-5-1-5Б, 54-5-1-6Б
Рычаги включения молотилки и регулировки подбарабаний КДМ 5-44А
Колонка привода тормоза КДМ 5-47
Пульт управления КДМ 5-79Б
Лестница КДМ 0-96Б
Сиденье А31.00.000-1
Подкосы площадки водителя
Мостик переходной КДМ 0-16В
Щиток КДМ 0-18А
Механизм дистанционного запуска двигателя КДМ 0-71А
Мостик обслуживания радиатора КДМ 0-19Б
Бак для топлива с топливопроводом КДМ 11А
Установка моторная КДМ 3К
Установка моторная КДМ 3К
Установка моторная ГСТ 3А (Енисей-1200-Н)
Моторная группа ГСТ 3А
Моторная группа ГСТ 3А
Моторная группа ГСТ 3А
Моторная группа ГСТ 3А
Шкивы двигателя
Бачок топливный КДН 3-2А
Воздухозаборник радиатора КДМ 3-10
Шкив натяжной КД 3-19Б
Установка водяного радиатора
Радиатор воздушный КДМ 3-50
Радиатор воздушный ГСТ 3-50 (Енисей-1200-Н)
Воздухозаборник вращающийся 21-12С3
Труба выхлопная и глушитель 22-12С1-1
Сцепление со шкивом 54А-4-1-1
Блок шкивов 44-12-1А
Механизм управления коробки передач КДМ 0-7Б. Хомут крепления огнетушителя 44-0-14
Дифференциал 54-4-2А
Редуктор бортовой левый 54-4-3
Редуктор бортовой правый 54-4-4
Шестерни, валы 54А-4-1
Муфта выключения 54А-4-1
Корпус, крышки, прокладки 54А-4-1
Механизм управления 54А-4-1
Мост управляемых колес 54-10Б
Мост управляемых колес ГСТ 10
Мост управляемых колес 54-10-1Б
Кожух моста 54-4-8
Мост ведущих колес 54Б-4
Мост ведущих колес МК-23.00.000А-01 (Енисей-1200-Н)
Рама моста управляемых колес ГСТ 10-1
Балка моста КДМ 0-59Б
Колесо ведущее левое 54-4-6. Колесо ведущее правое 54-4-7
Вариатор скорости на ходовую часть КДМ 12Г
Управление рулевое КДМ 5-12Б
Тяга рулевая поперечная 54-10-1-2
Тяга рулевая поперечная ГСТ 10-1-2
Тормоз коробки перемены передач (КПП) 54А-4-1
Тормоз левый 54-4-3-1. Тормоз правый 54-4-4-1
Цилиндр тормозной 54-4-4-1-4А, 54-4-4-1-5А
Монтаж электрооборудования на комбайне Енисей-1200
Монтаж электрооборудования на комбайне Енисей-1200-Н
Электрооборудование кабины
Монтаж электрооборудования в бункере
Щиток приборов КДМ 7-1Д
Щиток приборов ГСТ 7-1
Щиток приборов КДМ 7-1Д
Щиток приборов дистанционного запуска КДМ 7-2Б
Жгут основной КДМ 7-1.Э4.7Л
Жгут основной КДМ-7-1.Э4.7М
Пучки проводов Енисей-1200
Пучки проводов Енисей-1200-Н
Установка аккумуляторной батареи КДМ 7-18А
Фара КДРМЭ 7-3. Фара поворотная КДМ 7-48
Клапан 34-7-2
Указатель электронный КДМ 0-90В
Сигнализатор коробки передач
Фонари габаритные
Трубопроводы гидравлических тормозов КДМ 0-9Б
Трубопроводы гидравлических тормозов ГСТ 0-9 (Енисей-1200-Н)
Гидросистема КДМ 9Е
Гидросистема, крепление трубопроводов КДМ 9Е
Резервуар КДМ 9-17В
Гидроцилиндр 34-9-9
Гидроцилиндр подъема мотовила 54-9-145
Гидроцилиндр управляемых колес ГА 25000
Распределитель ГА 29000М
Клапан предохранительный ГА ЗЗОООГ
Распределитель ГА 34000Г-32 ГА, 34000Г-43
Распределитель ГА 35000А
Насос планетарный ГА 36000А
Гидроцилиндры ГА 38000, ГА 66010
Вибратор ГА 40000Б. Клапан КДМ 9-401А
Гидроцилиндр ГА 44000
Гидроцилиндр выноса мотовила ГА 43000
Гидроцилиндр специальный ГА 76010А
Гидроцилиндр специальный ГА 76020А
Жатвенная часть А55-1
Мотовило универсальное 55-1-1Б
Балка мотовила с механизмом регулировки ЖКН 5-2-3
Механизм регулировки мотовила 54-1-1-6А. Ползун ЖКН 5-1-2. Звездочка 54-1-2-10А
Механизм регулировки высоты шнека жатки. Устройство предохранительное
Жатка захватом 5 м ЖКН 5-2
Корпус жатки ЖКН 5-2-1
Шнек жатки А55-1-2-2А
Механизм левой стороны жатки
Звездочка обводная 54-1-2-30. Башмак ЖКН 5-2-5
Передача карданная 01.02.0000-02
Камера наклонная А55-1-4Б
Вал контрприводной 55-1-4-2
Вал транспортера нижний 54-1-4-3-01
Блок уравновешивания 54-1-4-5, 54-1-4-6
Вал верхний наклонной камеры А54-1-4-13А. Шкив наклонной камеры 54-1-4-8
Звездочка натяжная 54-1-4-16
Шкив вариатора верхний 54-1-6Б. Щиток переходной 54-1-7А
Вал кривошипа 34-1-8А
Привод форсированный 54-1-36Б. Опора жатки ЖКН 5-2-11
Установка щитков бокового уплотнения и отражателей съемных
Щит ЖКН 5-39
Вал вариатора нижний Н.065.15.000-03
Привод ножа Н.069.02.000-01
Аппарат режущий Р232.00.000
Аппарат режущий и механизм привода ножа
Рама КДМ 2-1Б. Лоток половонабивателя 34-2-64Б
Рама ГСТ 2-1А (Енисей-1200-Н)
Панель левая с лючками
Панель правая с лючками
Заглушки Енисей-1200-1
Крышка КДМ 2-4-1Б. Крыша наклонная КДМ 2-4-2А. Фартук задний КДМ 2-49
Тяги управления КДМ 0-62А
Кронштейн подкоса правый ГСТ 0-10. Кронштейн подкоса левый ГСТ 0-11. Подкос ГСТ 0-12 (Енисей-1200-Н)
Щиток ограждения левый КДМ 0-150. Щиток ограждения правый КДМ 0-151
Капот соломотряса (без копнителя) КДМ 0-113
Механизм обратной прокрутки барабанов КДМ 0-ЗА
Битер приемный КДМ 2-7
Барабан КДМ 2-8Б
Битер промежуточный КДМ 2-9А
Домолачивающее устройство КДМ 2-10
Барабан в сборе КДМ 2-10-2
Соломотряс КДМ 2-11Б
Соломотряс КДМ 2-11В (Енисей-1200-1)
Вал коленчатый ведущий 34-2-11-5. Вал коленчатый ведомый 34-2-11-6
Грохот КДМ 2-12А
Решето очистки верхнее КДМ 2-12-3
Удлинитель грохота КДМ 2-12-4
Подбарабанье КДМ 2-15
Регулировка подбарабаний
Решетный стан КДМ 2-16А
Решето нижнее КДМ 2-16-2
Вентилятор КДМ 2-18Б
Шнек колосовой КДМ 2-19В
Кронштейн регулировки тяг. Подвеска решетного стана КДМ 2-20А
Шнек зерновой КДМ 2-21В
Элеватор зерновой КДМ 2-22Б. Элеватор колосовой КДМ 2-23Б
Рычаг очистки правый 44-2-27. Рычаг очистки левый 44-2-28
Вал колебательный КДМ 2-29
Фартук грохота КДМ 2-32. Связь передняя верхняя КДМ 2-34В
Связь корпуса молотилки КД 2-33. Подкос левый КДМ 0-12. Подкос правый КДМ 0-53В
Контрпривод задний КДМ 2-37В
Механизм отключения жатки КДМ 2-44Б
Лист и крышки капота барабана КДМ 2-45. Крышка капота барабана КДМ 2-47Б. Лист капота барабана КДМ 2-132А
Капот КД 2-50В
Шкивы натяжные
Половонабиватель КДМ 2-73
Битер отбойный КДМ 2-80Б. Отсекатель КДМ 2-56А
Главный контрпривод
Главный контрпривод Енисей-1200-1
Подбарабанье с надставкой КДМ 2-90В (Енисей-1200-1)
Барабан второй КДМ 2-91Б
Кронштейн КДМ 2-185. Щиток КДМ 2-186. Кронштейн КДМ 2-187
Звездочки натяжные
Бункер КДМ 6Б
Установка вибраторов
Шнек бункера КДМ 6-2. Муфта фрикционная 34-6-2-1Б
Шнек распределительный КДМ 6-5Г
Горловина КДМ 6-43А
Шнек выгрузной КДМ 6-44
Тяга КДМ 6-37, КДМ 6-51. Щиток КДМ 6-58, ГСТ 6-38
Кронштейн канистры КДМ 6-59. Кронштейн проблескового фонаря КДМ 6-60
Кожух шнека с гидрозаслонками КДМ 6-20А
Механизм включения выгрузного шнека бункера
Растяжка КДМ 6-64
Привод выгрузного шнека
Тяги копнителя КДМ 0-32Б
Копнитель 54-8В-03
Ферма 44-8-1Б
Граблина правая А44-8-2. Граблина левая А44-8-3-03
Днище 44-8-8В
Клапан задний 54-8-9А
Вал сбрасывания 44-8-13В. Рычаг правый 44-8-14В
Датчик 44-8-19В
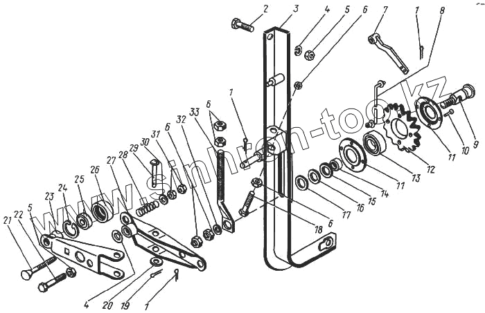
Автомат сбрасывания копны КДМ 0-23
Инструмент и принадлежности
Инструмент и принадлежности
Инструмент и принадлежности
Комбайн Енисей-1200 (общий вид)
Схема передач левой стороны Енисей-1200
Схема передач левой стороны Енисей-1200-1
Схема передач правой стороны Енисей-1200
Схема передач правой стороны Енисей-1200-1
Схема передач левой стороны Енисей-1200-Н
Схема передач правой стороны Енисей-1200-Н
1
1
1
2
3
4
4
5
5
6
6
6
6
7
8
9
10
11
11
12
13
14
15
16
17
18
19
20
21
22
23
24
25
26
27
28
29
30
31
32
33
Позиция на иллюстрации
Заводской номер детали
Название детали
1
3.2Х25-397
Шплинт
2
47 9374 1053 00
Болт М10х25-7796
3
КДМ-0-23-1
Кронштейн
4
10.65Г-6402
Шайба
5
М10-5915
Гайка
6
М12-5915
Гайка
7
КД-0-23-3
Рычаг
8
КД-0-23-2
Тяга
9
44-60007-А
Ось
10
4Х22-10299
Заклепка
11
41021
Крынка
12
40174
Звездочка
13
180204С17
Подшипник
14
80446
Втулка
15
42063
Шайба
16
41020
Шайба
17
44-40112Б
Шайба рифленая
18
60962-А
Болт регулировочный
19
2.5Х16-397
Шплинт
20
10-11371
Шайба
21
47 9644 1325 00
Болт М8х90-7802
22
61175
Болт
23
34-8-11-3-1-А
Рычаг
24
60916
Кольцо стопорное
25
180501С17
Подшипник
26
60741-А
Ролик
27
54-0-23-4
Коромысло
28
60429
Пружина
29
60742-А
Ось
30
8х1.4-11371
Шайба
31
М8-5915
Гайка
32
12-11371
Шайба
33
44-60489
Винт специальный
Содержащиеся в справочниках-каталогах запасные части и детали не предлагаются к продаже, а носят исключительно информационный характер
Дополнительная информация
×
Название:
Номер:
Примечание: