Каталог запасных частей к технике: KUHN MULTI-LEADER T. TURNOVER C0000>D0408
1
1
2
2
3
3
4
5
6
6
7
7
8
9
9
10
10
10
10
11
11
12
13
13
13
13
13
13
14
14
14
14
14
14
14
14
14
15
15
15
15
16
17
18
19
20
21
21
22
22
23
23
23
23
23
23
24
25
26
27
28
29
29
30
30
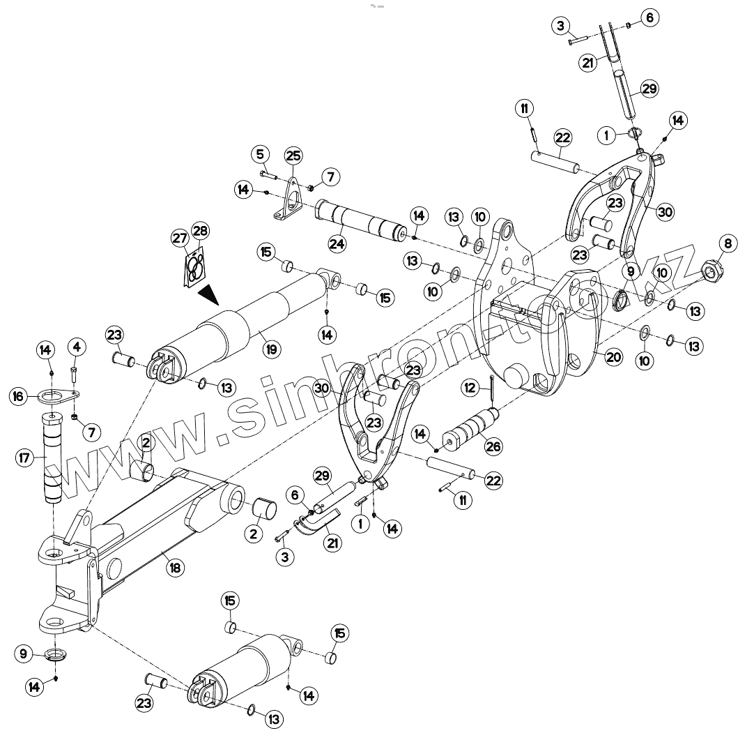
| Позиция на иллюстрации | Заводской номер детали | Название детали | |
|---|---|---|---|
| 1 | 541001 | LYNCH PIN D10 CAT2 | |
| 2 | 951521 | TENSION BUSH | |
| 3 | 80061054 | HEX BOLT FE/ZNXC3 | |
| 4 | 80061245 | HEXAGON HEAD SCREW FE/ZNXC3 | |
| 5 | 80061296 | HEXAGON HEAD SCREW FE/ZNXC3 | |
| 6 | 80201030 | SELF-LOCKING NUT FE/ZNXC3 | |
| 7 | 80201240 | SELF-LOCKING NUT FE/ZNXC3 | |
| 8 | 80204518 | HEXAGON CASTLE NUT FE/ZNXC3 | |
| 9 | 80205566 | SELF-LOCKING NUT FE/ZNXC3 | |
| 10 | 80253556 | PLAIN WASHER FE/ZNXC3 | |
| 11 | 80451061 | ROLL PIN FLZNNC | |
| 12 | 80500780 | SPLIT PIN FE/ZNXC3 | |
| 13 | 80583500 | RETAINING RING | |
| 14 | 82201016 | SELF TAPPING GREASE NIPPLE | |
| 15 | 83013539 | WRAPPED BUSH | |
| 16 | H0100350 | STOP PLATE | |
| 17 | H0104010 | PIN | |
| 18 | H0204720 | HOUSING | |
| 19 | H0204740 | CYLINDER, HYDRAULIC | |
| 20 | H0204780 | CLEVIS | |
| 21 | H0204940 | HANDLE | |
| 22 | H0204990 | PIN | |
| 23 | H0205000 | PIN | |
| 24 | H0205020 | PIN | |
| 25 | H0206040 | PLATE | |
| 26 | H0206480 | PIN | |
| 27 | H0206650 | KIT, SEAL | |
| 28 | H0206670 | KIT, SEAL | |
| 29 | H2207650 | SCREW | |
| 30 | H0204980 | LINK |
Содержащиеся в справочниках-каталогах запасные части и детали не предлагаются к продаже, а носят исключительно информационный характер